|
家里新装了电话机,然则因为光泽欠好,拨号时还得开灯,认为很不利便。因而参考电话机和光电耦合器、可控硅的事变道理,计划建造了一个电话灯,事变一段时刻后,认为较适用,发明这种电话灯另有如下的用途:
一、拨号照明:摘机后灯即亮,可看成拨号照明灯。 二、提示挂机:打完电话,放回发话器,假如灯未熄灭,声名发话器未放好,提示行使者正确挂机。 三、盗打警示和外线断线提醒:如你自家未打电话而灯亮,可提起发话器凝听,若有话音,声名有人盗用你的电话线路;如无任何声音,声名外线断线,即可关照电话局维修。 四、来电话提醒:老人耳背也许听不到振铃声;嘈杂的市肆也也许听不到振铃声,当看到灯在不绝闪亮时,即可知有电话来了。
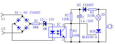
电路如上图所示。L1、L2接到接线盒上用电话线并接,因为D1~D4的接入,L1、L2可不分极性随意毗连。挂机状态时,馈电电压约为48V,经R1限流,使DW击穿,光耦IC导通,可控硅无触发电压截至,灯不亮。有电话来时,25Hz铃流经D1~D4整流为脉动直流,使光耦不绝导通和截至。可控硅获得脉冲触发导通和截至,灯胆发出闪烁的光。摘机时,高内阻的馈电电压顿时下跌到≤12V,DW不能击穿,光耦IC截至,其④脚电压上升,可控硅触发导通,灯胆点亮。为延迟灯胆行使寿命,同时也为了省电,可控硅回收单向可控硅,这样,灯胆点亮时二端电压仅有约115V。平常,灯胆不亮时,电路险些不耗电,因此很是省电。 元件选择:D1~D5选用1N4007,DW可用12~15V的齐纳二极管,光耦IC用PC817等四脚光耦,可控硅可用任何1A/400V的单向可控硅,如MLR100-6、BT169D等。灯胆用15~60W都可,电阻用1/8W即可。 (责任编辑:admin) |















