|
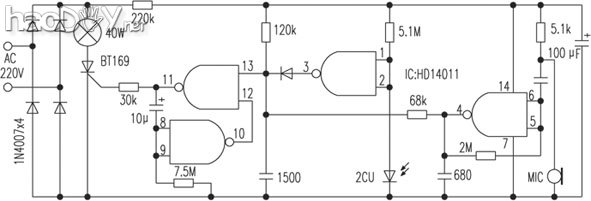
声光控节能灯座节电结果明显,回收该灯座白日灯不亮,夜间有声音灯即亮?该灯座电路简捷,声控部门回收了驻极体发话器,电路见附图所示?
220V电源经桥式整流?220kΩ电阻降压?100μF电容滤波后获得5V电压供应数字集成电路HD14011事变?白日有光照时,光电二极管2CU呈低阻状态,IC的{1}?{2}脚为低电位,{3}脚为高电位,白日岂论有无声音,即岂论{4}脚电位怎样,{13}脚始终钳位于高电位,{12}脚也为高电位?因此{11}脚为低电位,可控硅截至,灯胆不亮?夜晚无光照时,2CU呈高阻状态,{3}脚为低电位,这时如有人发作声响,驻极体发话器拾守信号,经{5}?{6}脚输入到放大器放大后由臆脚输出?当{4}脚为低时,{13}脚也为低,{11}脚为高,触发可控硅BT169导通,灯胆点亮?同时10μF电容充电,充电之初{8}?{9}脚为高电位,使{12}脚为低电位?声音事后,{13}脚规复高电位,但因为{12}脚为低电位,以是{11}脚继承保持高电位,灯继承点亮?10μF电容继承充电?几十秒钟后,{8}?{9}脚为低电位,{11}脚也翻转为低电位,可控硅截至,灯灭?
(责任编辑:admin) |

















