最好的电子音响科技diy制作网站

haoDIY_音响电子电脑科技DIY小制作发明

当前位置: 主页 > 电子DIY > 电源DIY > 变压器电池 >

【参赛】隔离电源

时间:2017-05-29 14:13来源:www.crystalradio.cn 作者:蓝城木鱼 点击:
隔离电源 维修电器,电子管古董,难免会有带电检测,所以隔离电源是一个基础设备之一。 大概是两年前就有心思弄一个隔离电源,经过构思和零部件收集,在年前决定开始做一个隔离电源。 隔离电源比较简单,所以制作过程不多啰嗦,主要是对过程图片进行说明,有
隔离电源
维修电器,电子管古董,难免会有带电检测,所以隔离电源是一个基础设备之一。
大概是两年前就有心思弄一个隔离电源,经过构思和零部件收集,在年前决定开始做一个隔离电源。
隔离电源比较简单,所以制作过程不多啰嗦,主要是对过程图片进行说明,有需要补充的请及时提出。
大概花费了一个周的下班时间,制作完成。
【参赛】隔离电源
这是成品图
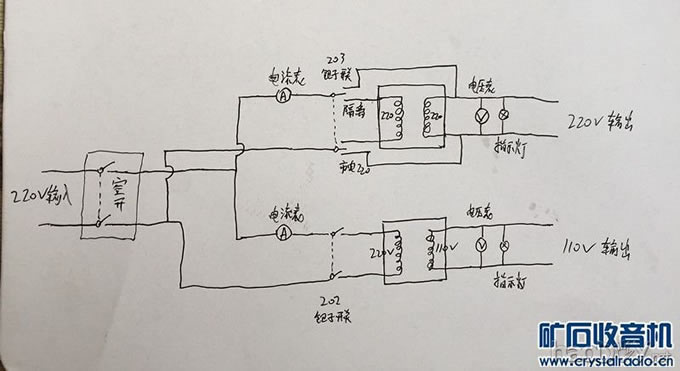
电路图
【参赛】隔离电源
电路原理很简单,电源经过空开后,分别到两个隔离变压器,分别输出220V隔离电和110V隔离电,在计划之初,220V电源设计了转换开关,可以切换隔离和非隔离,减少平日用220V时通过变压器的损耗,起到节能的作用。但在实际电路中没有使用,因为发现直通输出时,变压器的两端也是接入了220V电,变压器处于空载,耗电虽然小,也会耗电,干脆舍去不用。
变压器是两个一千瓦的进口隔离变压器,做工上乘,用料很足。
【参赛】隔离电源
【参赛】隔离电源
【参赛】隔离电源
外壳时拆了一个老古董电子管毫伏表,外壳是焊死的整体外壳,质量上比较坚固,但是安装变压器时,费了很多时间。
【参赛】隔离电源
笔画后安装两个变压器刚刚合适,位置十分紧俏。
开始制作面板,面板采用车间退下来的一块3毫米的铝板,经过裁剪,画板,开孔,打磨,上漆等工序。
裁剪面板
【参赛】隔离电源

IMG_7787.JPG (63.2 KB, 下载次数: 1)

下载附件

2017-2-16 14:24 上传

 

构思画图,哈哈,难看很
【参赛】隔离电源 
开孔,画板

【参赛】隔离电源 
【参赛】隔离电源 
安装部分元件,测试开孔位置

面板所有开孔已完成,
【参赛】隔离电源
打磨后在壳体上安装测试,顺便对变压器的位置进行规划,并在底座上开孔,固定变压器。
【参赛】隔离电源
给面板进行上油漆。在电暖气上烘烤,半小时就干透了。
【参赛】隔离电源
对面板上的部件进行安装测试。
【参赛】隔离电源 
开始接线
【参赛】隔离电源 
【参赛】隔离电源 
安装好变压器及接好线,开始固定面板
【参赛】隔离电源
安装完毕,完成后已夜深。
【参赛】隔离电源
通电测试,完美。
最后对外壳进行了油漆。展示一下全方位图
【参赛】隔离电源
【参赛】隔离电源
【参赛】隔离电源
【参赛】隔离电源
【参赛】隔离电源
完成,O(∩_∩)O谢谢!








 
 

IMG_8514.JPG (76.38 KB, 下载次数: 2)

 

【参赛】隔离电源

 

(责任编辑:admin)
织梦二维码生成器
顶一下
(0)
0%
踩一下
(0)
0%
------分隔线----------------------------
发表评论
请自觉遵守互联网相关的政策法规,严禁发布色情、暴力、反动的言论。
评价:
表情:
用户名: 验证码:点击我更换图片