最好的电子音响科技diy制作网站

haoDIY_音响电子电脑科技DIY小制作发明

当前位置: 主页 > 电子DIY > 控制电路 > 定时控制 >

diy循环定时器电路

时间:2012-12-29 21:36来源:网络 作者:网络整理 点击:
免费提供各种电子制作文章、资料、图纸

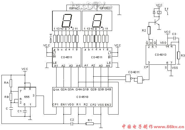
当电路上电时,C2、R1和C3、R3发生一个微分尖脉冲,使计数器CD4518和D型触发器CD4013复位清零。此时D型触发器的Q反为高电平,三极管导通,继电器吸合。
 该按时器由555集成电路和电阻RA、RB、电容器C,发生1分钟的的时基信号,经1/2CD4518分频(10分频)后Q4A的降落沿触发下一个分频器。同时Q1A、Q2A、Q3A、Q4A输出BCD码送入CD4511七段译码器驱动LED数码管。当当计数器接管第100个脉冲时,Q1B、Q2B、Q3B、Q4B(0101)时,与非门CD4011输出一个降落脉冲,经反相器反相后酿成一个上升脉冲,触发CD4013,使电路翻转Q反为低电平。继电器断电开释,同时计数器天然复位。计数器开始从头计数,这时继电器保持断开状态,只有当计数器计满100个脉冲时继电器才会吸合。因此这个按时器是通电100分钟,再断电100分钟,轮回来去。
 由于这里的时基信号是1分钟,以是LED数码管表现的数置魅正好和耽误的时刻相符。假如时基信号不是整数,那么LED数码管只能表现按时的进度。

diy循环定时器电路

 

(责任编辑:admin)
织梦二维码生成器
顶一下
(0)
0%
踩一下
(0)
0%
------分隔线----------------------------
发表评论
请自觉遵守互联网相关的政策法规,严禁发布色情、暴力、反动的言论。
评价:
表情:
用户名: 验证码:点击我更换图片