|
我在1994年DIY了一台300B推挽胆机,见在矿坛发布的《15年前发烧制作的胆机》一文。我一直对将300B用于推挽机有点耿耿于怀,而当年从炼钢厂废钢堆捡来的英国GEC KT88、英国大盾EL34却没派上用场,更有点不太甘心。那是1993年初,从厦门来的一批废钢,EL34是从一堆旧仪器上拔下来的,半数以上被敲破了,管子结构参差不齐,有双圆环的,也有单圆环的;有焊屏的,也有非焊屏;有XF2期的,也有XF3期的。GEC KT88是装在一只生锈铁箱子里的,上面有英军的鸡爪标记,打开后,整块海绵上整整齐齐插着8只KT88,管子上排印着Genalex,下排印着Gec的MO Valve Co.Hammersmith工厂标记“Z”。当时并不知道大盾和GEC管子的珍贵,近几年才知道它们是宝贝。有这些现在要花大价钱买的名管,就萌生了用300B和2A3另作一台单端机,推挽机改用KT88和 EL34的想法。
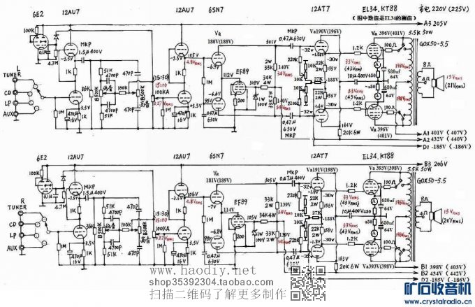
KT88和 EL34推挽机改好后,信噪比很高,达到95db,音量电位器开到最大,耳朵紧贴音箱也听不到一点哼声和噪音,背景非常干净。实际听感也很好,高频细节很多且柔顺,中频醇厚饱满,人声尤其好,低频力度很足且富有弹性,高低频两端延伸很宽,整体音场很开阔,声音很开扬,比原来300B失真小。 ![]() ![]() ![]() 改制推挽机时的主要工程量是: (1) 局部修改线路:由于没有采用直热管,旁热管阴极中毒问题没有直热管那么突出,所以取消高压延时电路。前级音调的衰减和提升从±15db改为±6db,电位器改为B型(直线型)。倒相级的恒流源改回最初的五极电子管,采用EF89。设置功率管三极管接法和超线性接法转换开关,用于切换工作状态。电源滤波改为CLC,每声道的后级高压增加第一级C滤波,采用法国苏伦4.7uf MKP电容和德国ROE 1uf MKT电容并联成28uf,第二级10H电感滤波保持不变。每声道的前级高压增加第一级C滤波,采用德国西门子与松下合作的S+M电容660uf/400V(made in germany)两个串联,并且增加第二级5H电感滤波。 (2) 局部修改用料:100K音量电位器改为100K 24档步进电位器,以求改善左右声道平衡度。前级SRPP电路放大管改用12AU7(ECC82)代替原来的6N11(ECC88),以达到在不改变前级稳压电路前提下使前级放大管的工作点处于A类的目的。由于12AT7有更高跨导(5.5 mA/V)和放大系数(60)及较适合的阳极电流(10mA),作阴极跟随器时将有更小输出电阻和更大的电流驱动能力,所以仿照麦景图MC-275,阴随推动级的电子管改用与12AZ7等效的12AT7代替原来的5814A(ECC82)。 (3) 重新设计制作电源变压器。原因有四: 1、原来并不想重绕变压器,但做负荷实验时一个整流桥击穿而导致变压器被烧; 2、原来只有一个负偏压绕组,两声道公用,在没有条件做去耦测试的情况下,将影响声道分离度; 3、灯丝改全交流供电,需增加灯丝绕组中心抽头; 4、为改为用旁热式电子管整流做好准备——高压绕组抽头要精确,两组电压要一致,以便由两组桥式硅整流合并为一组全波电子管整流,并且预留整流管的5V灯丝绕组。 (4) 增加元件或修改部分元件参数 (a)增加元件:主要是增加五极管的栅极抑制电阻。五极管的的跨导比较高,有可能产生射频振荡。根据Morgan Jones所著的《电子管放大器》的论述,EL34和KT88的栅极抑制电阻采用1.2K。 (b)修改部分元件参数:主要是输入级的阴极交流旁路电容容量原先采用1000uf,可能并不合适,需要经过计算重新选择。 改好的电路图如下。 ![]() ![]() 图中括号外是供电220V时实测电压值,括号内是供电225V时实测电压值。变压器绕组直流电阻在热态时增大,测出的电压也比冷态时低3V,图中数值是工作6小时后的值。 (一)设计制作电源变压器和整流元件选择 一、次级电流功率计算 1、后级高压电流:KT88最大电流——固定偏压-59V,超线性,Va453V,2×140mA=280mA 实际:Va400V,三极管接法,固定偏压-40V,2×100mA=200mA 后级高压功率:电感负载桥式最大1.1×370×0.28×2=228W,实际1.1×370×0.2×2=162.8W, 2、前级高压电流:工作点电流2×12AU7_2×3.5mA,6E2_2×1mA,6SN7_2×5mA,稳压管电流2×6mA,EF89的帘栅极电流_2×3mA,12AT7_2×7.5mA,合计52mA ,最大不会超过64mA。 功率(电容负载桥式)最大1.56×340×0.064×2=67.89W=68W 3、后级灯丝电流:1.6A×2=3.2A,功率6.3×3.2×2=40.32W 4、前级灯丝电流:6.3V——6E2_0.3A,6SN7_0.6A, EF89_0.2A,合计1.1×2=2.2A ,功率6.3×2.2=13.9W。 12.6V——12AU7_0.15A ,12AT7 _0.15A,合计0.15×6=0.9A,功率12.6×0.9=11.3W 加上预留负栅压电子管整流EZ81的灯丝供电1.2A,共计32.44W。 5、预留电子管整流灯丝电流:后级用5Z8P,5.75A;前级用5Z4P,2.2A,39.85W 。总计77.41W。 6、负偏压电流:主要是12AT7的阴极电流15mA。改用12BH7时,阴极电流18mA。 功率(电容负载桥式)1.56×141×0.018×2=7.9W 合计:最大——228+68+40.3+77.41+7.9=421.6W 实际约250W 初级功率最大397.3/0.9=441W,电流2.0A。实际250/0.9=278W,电流1.27A 二、变压器制作 英国缺口铁芯,B=10000GS,133×110×70mm,舌宽44mm,截面30.8㎝2,N=1.5N/V, 窗口:66mm×22㎜,除去骨架占用的,实际61.7㎜×19.15㎜ (1) 灯丝:为了使6.3V绕组的中心抽头准确,圈数改为10N,在第5匝处抽头,改匝比为N=1.5873N/V。电流3.2A,线径D=0.7×√3.2=1.25㎜,外径1.33㎜。2组6.3V——KT88×4灯丝,20N;2组6.3V——前级左右声道灯丝和EZ81×1(负栅压整流)灯丝,20N;1组12.6V——前级部分管子灯丝,20N;在第10匝处抽头;4组5V——为改电子管整流预留:5z8p×1+5z4p×1,4×8N=32N,合计92匝,1层46匝,2层正好可以绕下,厚度:2×1.33+0.05=2.71㎜,29米S=1.23㎜2,M=0.32㎏ (2) 前级高压1、2:340V×2,540N×2,电流0.127A(晶体管整流时实际0.06A,改电子管整流时两绕组合并,0.12A),线径D=0.7×√0.127=0.25㎜,外径0.275㎜,一层224N,2.41层(2.5)×2=5,厚度5×0.275+3×0.05=1.525㎜,342米,S=0.049㎜2,M=0.15㎏ (3) 后级高压1、2:370V×2 50V+20V+300V,300V+20V+50V,[头]80N→31N→476N[尾],[头]476N→31N→80N[尾], 587N×2,电流0.4A(晶体管整流时实际0.2A,改电子管整流时两绕组合并,0.4A)线径D=0.7×√0.4=0.44㎜,外径0.49㎜,一层126N,4.66层×2=9.32,10层,厚度10×0.49+8×0.05=5.3㎜,391米 S=0.15㎜2,M=0.53㎏ (4) 负偏压1、2:140V×2,222N×2,0.08A,线径D=0.7×√0.08=0.19㎜,0.19㎜线外径0.21㎜,一层293N,1.5层(2),接着后级高压绕组绕,绕满后回头再绕,算1层厚度:0.21+0.05=0.26㎜,128米(实际值,用已有线) (5) 初级:220V+10V=230V,349N+16N=365N,电流2A,线径D=0.7×√2=0.989㎜,外径1.07㎜,一层57N,6.4层(7),厚度7×1.07+4×0.05=7.69㎜,137米, S=0.785㎜2,M=0.96㎏ (6) 屏蔽层0.1+1.15+0.15=0.4㎜ (7) 绕组间绝缘:4×0.05=0.2㎜ (8) 线包总厚度:2.71+1.252+5.3+0.26+7.69+0.4+0.2=17. 812mm,窗口还剩余22-17.812=4.188mm,可以绕下。 导线重量计算公式:M=(1/4000)×ρπd2L ρ:比重,铜:8.89g/cm3;铝:2.7g/cm3。 π:圆周率 d:线芯直径。单位:㎜ L:长度,单位:米。重量M=8.89×S×L 三、整流元件选择 整流元件必须留出足够的电压电流余量,否则一旦击穿,直接后果就是烧毁电源变压器,而此时保险丝往往是没有熔断的。由于次级高压绕组整流滤波输出电压达到450V,所以整流二极管的反向电压必须大于其2倍,选用1000V/35A整流桥。 感到纠结的是要求高可靠性的负偏压整流元件的选择。手头有快恢复二极管FR-107(1000V,1A),负偏压电路的最大负载电流主要来自阴极跟随器,最大电流20mA,能不能用?根据Morgan Jones的著作《电子管放大器》,C滤波电路中整流二极管给滤波电容充电的脉动电流是:ip=2∏fcVpSin(2∏ft) 其中:f=50HZ, ∏=3.14,c:滤波电容容量(本案2200uf),Vp:次级电压峰值(本案:140V×1.414=198V), Sin(2∏ft)中的t是充电脉冲时间1ms,括号内的值是弧度,代入上式: ip=2×3.14×50×0.0022×198×Sin(2×3.14×50×0.001)=136.78×Sin(0.314)=136.78×0.31=42A 查手册FR-107正向峰值浪涌电流Ifsm=30A,小于充电回路浪涌电流计算值,采用有风险,于是在已有的元件中选用600V~800V,10A的整流桥,正向峰值浪涌电流Ifsm=200A。整流桥都采用日本原装进口的(东芝10J4B41和新电元S10VB60)。 二)各级电子管工作点的选择 正确选择电子管的工作点是非常重要的。对于A类放大,正确的工作点应该是选在Vg—Ia特性曲线直线段的中点,这时失真最小,声音听感也最好。有的电路将工作点选在Vg—Ia特性曲线弯曲段,靠近屏流的截止区,电子管工作在小电流状态,实际上是处于AB类放大状态,信号振幅大时,甚至产生了栅流,这时或许听感也不错,但那是一种失真的“好听”,设备已经不是工作于高保真状态了。电子管手册上给出特性曲线全面反映了管子合适的工作点在哪里,是正确选择电子管的工作点的依据,一般用作图法来选择。 为什么要用12AU7(ECC82)代替原来的6N11(ECC88)?因为用示波器观察第二级SRPP电路输出到倒相级栅极方波响应波形有失真,且主要是在信号的下半周的截止失真。 ![]() 原因是:原来电路6N11(ECC88)的阴极电阻是1K,负偏电压是3.5V,阳极电压是约100V,从Vg—Ia特性曲线查出,这样的工作点位于曲线弯曲段的下方,已经很接近阳极电流的截止点,信号振幅大时,就产生了截止失真。要使6N11(ECC88)工作于A类,就要把工作点选在Vg—Ia特性曲线直线段的中点。作图得出:当Va=100V,Vg=-2.1V时,Ia=10mA,Rk=220欧,这就是6N11(ECC88)工作于A类的工作点。见下图: 如果将6N11(ECC88)的工作点改为A类,将使每声道前级增加13mA的电流,电源变压器负荷能力没有问题,但原来的前级稳压电路中的限流电阻必须更换为8.2K。这个限流电阻要通过至少28mA电流,降掉230V电压,功率约7W,发热量很大,必须在机外安装,但原先在机外直立安装的电阻是1993年从炼钢厂废钢里的国外军用旧电子设备上拆下的,现在买不到这种安装方式的电阻了,更别说特定阻值8.2K的了。 手头有1993年从炼钢厂废钢里的美国和英国军用旧电子设备上拆下的12AU7(ECC82),就查了它的Vg—Ia特性曲线,作图得出:当Va=100V,Vg=-3.5V时,Ia=3.5mA,Rk=1000欧,此点正位于Vg—Ia特性曲线直线段的中点,这就是说原来的元件不要做任何改变,只要把灯丝电压改为12.6V,改用12AU7(ECC82),就可以使前级工作于A类。见下图: 12AU7是否适应SRPP电路对放大管特殊要求:阳极工作电压低、阴极与灯丝间的耐压高?查电子管特性手册知:12AU7可以在100V~250V范围内很好工作,在屏压100V、屏流3.5mA时,放大因素仍然保持标准值u=17,跨导是S=1.6mA/V,比标准值(2.2mA/V)小28%。阴极与灯丝间的耐压是180V,比6N11(ECC88)的150V高不少。所以12AU7具有6N11(ECC88)那样的阳极工作电压低、阴极与灯丝间的耐压高的特性,见下图:#p#分页标题#e# ![]() 12AU7阴极电阻两边并联的交流旁路电容不仅影响增益,而且其容量大小对低端频响有很大影响。原线路电子管是6N11时选用1000uf,我进行了校验,看在12AU7工作点条件下,其容量是否合适。 根据Morgan Jones的著作《电子管放大器》,电子管本身的阴极等效电阻为: rk=(RL+ra)/(u+1) Morgan Jones在《电子管放大器》一书中指出:“SRPP电路中,上臂管子的阴极电阻Rk是下臂管子的RL,由于其阻值相当低,这意味着必定有Av<u。” 据此,下臂管子的RL=Rk=1K。 电子管的ra和u的值将随阳极静态工作电流大小而变化。在电子管特性曲线图上作图,Ia=3.5mA下,ra=10k,u=17,代入上式: rk=(10+1)/(17+1)=0.611K 阴极等效阴极交流电阻rk与阴极偏置电阻Rk是并联关系,阴极总电阻: rk′=rk‖Rk=(611×1000)/(611+1000)=379.3欧姆 Morgan Jones的著作《电子管放大器》指出:“ 放大器要有良好的低频响应,不止靠正确的幅度响应,还需要相位和瞬态响应所受的影响最小,而相位和瞬态响应涉及的低频端比截止频率低10倍,所以通常将截止频率f-3db选取为1HZ。” 所以我设定f-3db=1HZ,于是,与RK并联的交流旁路电容的容量为: Ck=1/2∏f-3db rk′=1/2×3.14×1×379.3=420uf 最接近420uf的电容量标准值是470uf。我选用了470uf/16V瑞典RIFA长寿命电容,型号:PEG124。当然,仍采用1000uf的阴极旁路电容也是可以的,只是它对应于截止频率f-3db=0.5HZ,本机低频响应已经很好(见后面的方波响应),没必要采用这么大的电容。 倒相级的6SN7和推动级的12AT7也必须工作于A类。我根据电路中实测的电压和计算的电流,验证它们都工作于Vg—Ia特性曲线直线段。6SN7的工作点:Va=180V,Vg=-6.5V,Ia=4.3mA,工作点在直线段中点偏下。 12AT7的工作点:Va=190V,Vg=-1.6V~1.8V,Ia=7mA,工作点正好在直线段中点。见下图: 由于倒相级6SN7工作在放大状态,所以需要检验其工作点的最大不失真输出振幅是否合适,能否不失真地驱动EL34和KT88。 首先,做出倒相管的负载线。长尾倒相电路与共阴极放大电路一样,负载线上Ia=0的电压端点是高压电源经负载电阻至阴极的电压,即:VHT=430V-100V=330V;负载线上Va=0的电流端点VHT/RL=330V/33K=10mA。在6SN7特性曲线图上连接这两个端点做出负载线,正好准确通过工作点:Va=180V,Ia=4.3mA Vg=-6.5V,由此可见;负载线的作图准确无误。 其次,找出限制点的电压振幅。沿负载线向左,找到即将产生栅流的饱和点Vg=-1V所对应的电压是95V;向右在相同幅度内没有截止点;于是最大不失真振幅峰峰值是:工作点电压与饱和点电压的差值的2倍:VP-P=2(180V-95V)=170V,有效值是: Vrms= VP-P/2√2=170/2√2=60.1V,此值可驱动EL34和KT88,甚至2A3和300B。 ![]() 倒相级6SN7的阴极恒流源工作点的设置同样重要。采用EF89做恒流管是因为1993年从从炼钢厂废钢里的英国和丹麦军用旧通信设备上拆下了十多只EF89,多数测试良好;查手册可得到:EF89的内阻高达900K,放大系数u=3280,Va>75V以后屏流曲线比较平坦(屏压Va变动时屏流Ia变化很小),屏流加帘栅极电流超过10mA。这些特性决定了EF89在低屏压110V时有良好的恒流特性。EF89的参数如下: ![]() EF89的工作点由6SN7阴极电位(也就是EF89的阳极电压)、EF89的帘栅极电压、阳极电流加帘栅极电流流过阴极电阻产生负偏压决定。6SN7阴极电位就是前级SRPP输出电位加偏压,这个电路里是112V~115V。EF89的帘栅极电压从手册查出是100V,最好稳定,所以采用了帘栅极100V稳压电路。选择工作点主要是调整EF89的阴极电阻,(本机调至约200欧),对应的第一栅极偏压约-2.2~-2.3V左右,使6SN7两臂33K输出电阻上的压降为140V左右,对应的阳极电流为4.3mA左右。 根据EF89的内阻Ra、放大系数u和阴极电阻Rk,计算恒流源所呈现的交流电阻: R=Ra+(u+1)×Rk=900K+(3280+1)×0.2K=1556.2K=1.56M 这数值比常规长尾倒相电路的阴极电阻(20~30K)大了50多倍。 再查EF89曲线检验工作点是否合适,见下图:EF89的栅压-帘栅压-屏流曲线——栅压-2.3V、帘栅压100V,对应的屏流是8.5mA。 EF89帘栅极电流曲线:帘栅压100V,栅压-2.3V,对应的帘栅极电流3mA ![]() 由下图可见EF89工作于特性曲线的平坦区域。 ![]() 实际测试表明,管内两边三极管参数完全一致的管子的两臂直流电压没有差异,不完全一致的,两臂直流电压可能有0.5V~2.0V的差异,但是恒流源式长尾倒相后两臂输出的交流电压的平衡度很好。 当阴随推动管采用12AT7时,尽管其自身栅压为-1.6~-2V不等,但由于12AT7本身栅压-屏流(Vg1-Ia)特性和阴极深度负反馈作用,对栅压跟随得很好,加到栅极电压是-32V左右,阴极也是-32V左右,相差不过零点几伏,所以麦景图MC-275图中标注12AZ7栅极电压是-57V,阴极也是-57V。开始我以为MC-275图标错了,实际做出来测量后才明白12AT7就是跟随得这么好。 起初打算将功放级的偏压改为阴极电阻偏压,在底板上增加了2×450欧姆的阴极电阻(美国西电后期黑色的矩形电阻)。这样的最大好处是:如果失去负偏压(阴极电阻开路),阳极电流也同时断开;如果负偏压改变(阴极电阻变值),阳极电流也同时改变,保证了功放管的安全。但是,由于十几年前从废钢场捡来的英国大盾EL34参数稍微有点不对称,推挽输出的两臂电流不完全一致,这不仅使谐波失真不能完全被抵消,而且还会产生交越失真。所以,为了能用上这些大盾名管,还是采用原先固定负偏压,以便于单独调整偏压,使两管电流对称。实践表明,原先采用的WXD2-53线绕10圈指针式电位器可靠性很高,负压回路都采用高可靠金属膜电阻,可靠性基本是有保证的。调试结果是:各管偏压相差并不大,约0.4V~0.6V,对管子的工作点影响不大。
(责任编辑:admin) |







































































