|
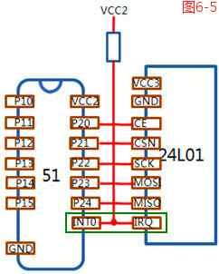
上图中红色方框中表示的是对一个马达的控制,对另外2个马达的控制方法也是一样的,进行到这里我们已经可以通过程序来控制电机的旋转了,只要正确的协调3个马达的旋转方向,我们就可以让我们的坦克完成前进、后退、左转、右转、炮塔顺时针旋转以及炮塔逆时针旋转这几个功能。 那么系统是如何知道已经接收到数据的呢?只要有2种方法,一种方法是对NRF24L01的状态不断进行查询,另一种方法是当NRF24L01接收到数据以后主动通知MCU,根据我们的硬件原理图同时为了提高系统执行效率,我们采用第二种方法,代码如图6-5、6-6。 当接收到数据传输模块触发的中断后,我们去读取传输模块的状态,如果接收到数据我们就设置一个标志,图6-2的程序会不断查询这个标志,一旦发现有数据发送来,就可以对数据进行解析了。 当然这里面我们省略了初始化硬件、定时器以及传输模块的详细步骤,如果大家在DIY过程中也遇到到了具体技术问题,可以随时翻阅资料或学习,当然也可以与“@ZiShi”进行交流。 如果要让坦克正常解析接收到的命令,我们可以定义一些简单的协议,如图6-7。 有了命令列表,通信双方就可以根据这个“协议”进行通信了,假如坦克一端接收到0X00,那么坦克就全速向前冲,如果坦克一端接收到0X02,那么坦克就会左转,大家还可以自己扩充这个命令列表,让自己的坦克完成更多的功能。 坦克一端的程序原理已经介绍完毕了,后面我们还会继续介绍遥控手柄一端的程序原理
遥控坦克DIY过程解密(07)
>>>>>>>>>>2013-01-15<<<<<<<<<<
前面介绍了坦克一端的程序原理这一回我们来看看手柄程序是怎么实现的,要实现手柄一端的程序我们还得回顾一下手柄一端的硬件原理图,如图7-1。
(责任编辑:admin) |


(责任编辑:admin)










