|
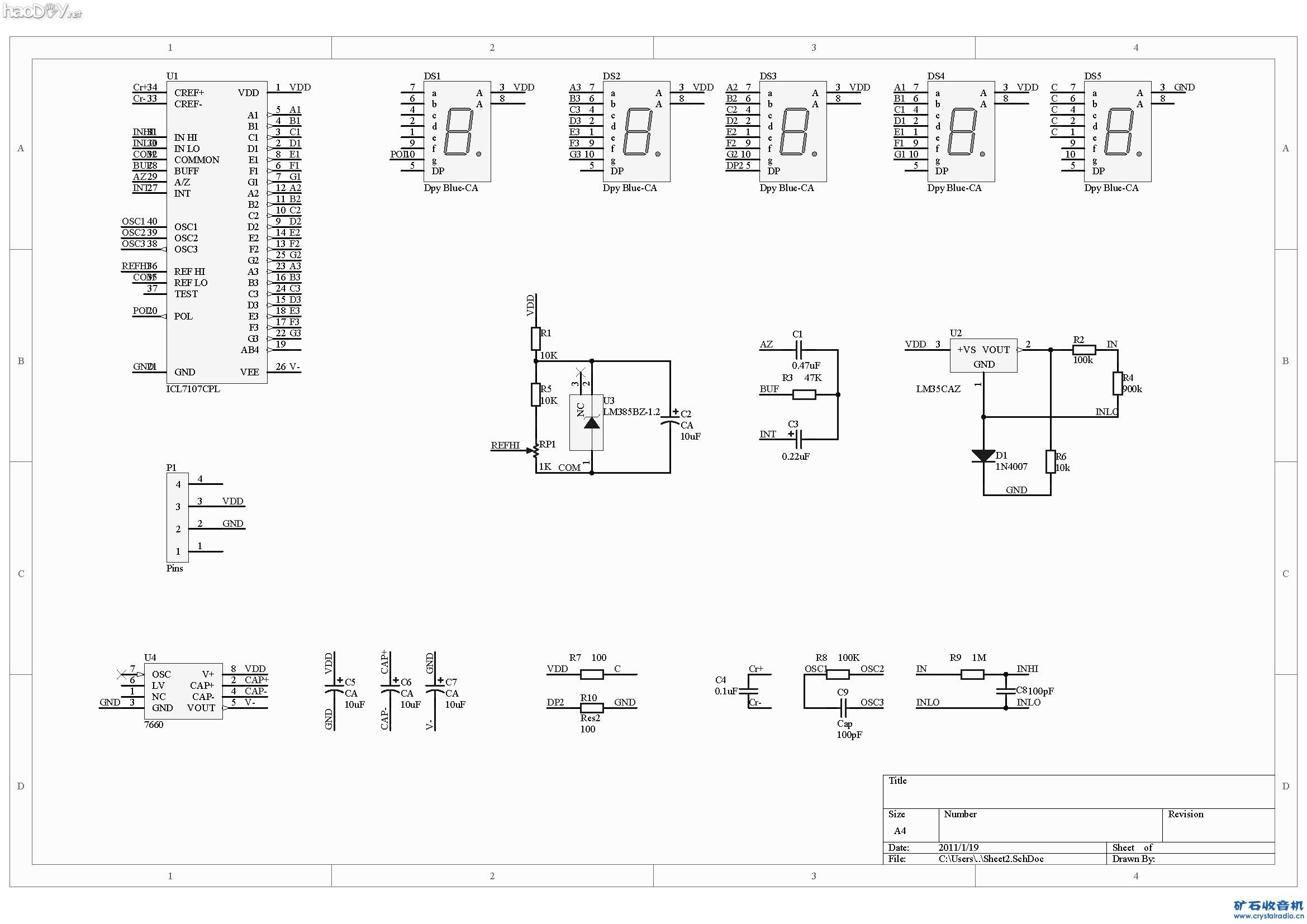
屋子里忽冷忽热,动手做个数显温度计,顺便和大家分享一下。 手工感光法做的PCB,无铅焊接~~吼吼,精度很高的! 温度传感器用的LM35,AD用的7107,驱动数码管,很漂亮。 闲话少说,上图。 感光法做PCB的菲林,就是母片,有这一个可以做很多PCB ![]() 温度计正面照 ![]() 再来一张朦胧的 ![]() 背面照,注意有签名哦 ![]() PCB图片 ![]() ![]() (责任编辑:admin) |
|
屋子里忽冷忽热,动手做个数显温度计,顺便和大家分享一下。 手工感光法做的PCB,无铅焊接~~吼吼,精度很高的! 温度传感器用的LM35,AD用的7107,驱动数码管,很漂亮。 闲话少说,上图。 感光法做PCB的菲林,就是母片,有这一个可以做很多PCB ![]() 温度计正面照 ![]() 再来一张朦胧的 ![]() 背面照,注意有签名哦 ![]() PCB图片 ![]() ![]() (责任编辑:admin) |
1.教程说明 心率计可以将检测到的心率数据传输至手机端和WEB端,从而实现心率的实时监...
最近有点忙,可还是腾出空来打造了一款单片机32位LED花样流水灯!......................
最近这段时间比较闲,特地将原先做的LED时钟升级一下!先上照 正面 反面 本次做的LED...
最近帮别人设计了一下毕业设计,就是温度检测、报警系统,具体的题目就不贴出来了。公...
电路设计: 图1是单片机最小系统电路;图2是驱动电路。共10路光源DS1~DS10,分别由AT8...
免费提供各种电子制作文章、资料、图纸...
LED频谱开源版
更新:2017-07-04
酷玩炸弹 单片机定时器电路 基于
更新:2014-06-20
【参赛】实时传图-触摸互动-全彩
更新:2017-05-28
制作八路LED跑马灯实验
更新:2013-01-13