|
制作这个东西是因为之前有朋友跟我说起国庆回家7天返回来发现栽的花全都枯死了,一番感叹之后我决定做一个自动浇花的东西给他,于是把电烙铁的控制器改成了这个浇花器,目前真不智能,传感器都没有,怎么智能?虽然可以接一个土壤湿度检测传感器,不过这次还没有加上去,所以算不上智能,那就叫“自动浇花器”吧。 实现自动定时定量的浇花,可以设置为每天浇水或者隔几天浇花,一天之内什么时间浇水都可以自由定制,比如避免白天太阳直晒时间浇水。每次浇水时长可以自由定制,根据使用的花盆大小自由定制。其实这个扩展性也是很好,比如跟PC或者手机互联之后就能组成真正的远程浇花系统了,更多功能任君发挥。 2、作品亮点 作品亮点在于软件设计风格,并未使用GUI系统,而是一种比较优秀C++面向对象思想把菜单文本和按键操作封装在一起,于是当初那种写菜单或者多级菜单的痛苦将不复存在,菜单之间相互独立,要添加或者删减一个菜单项是一件很轻松愉快的事情。
嗯就是这样封装,这之后显示处理函数将会是这样子:
这是一个一成不变的处理函数,任何菜单项的编写都不会影响到他,程序员只要专心做好每一项菜单。而不用关心该如何调度。 3、系统构架图
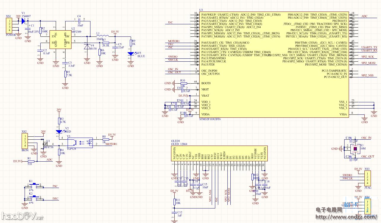
4、原理图
5、材料清单(BOM列表) 单片机STM32F103CBT6 电源芯片MP2307 场效应管IRF7832 功率电感10uH 贴片晶振16M 显示屏 0.96’OLED 6、PCB实物图
7、软件部分的描述
8、作品演示 一大波图片袭来:
系统时间设定:这个设定系统时间,也就是初始界面上的时钟,当然也是浇花的依据,刚进入此菜单时选中项为“取消”以免意外进入菜单还必须修改(按键的手感确实很差 )。此时向右键切换选中项到数字上,然后左右健就是加减了,中间键变成了切换或者选择,按键太少,复用功能比较多,操作的时候稍显麻烦。
浇水时间设定:这个其实跟手机的闹钟是一回事,如果需要浇水的话到这个时间就会启动水泵浇水。
浇水时长设定:这个设置是每次浇水的时间长短,当然,有个限制,最长就是24小时差一秒,最短则需要注意是3秒,这个我在程序中固定了,小于3秒的浇水则会强制浇水1分钟(哈哈,逗你玩!其实是防止水泵频繁启停,保护水泵)。
浇水重复设定:这个跟目前主流的手机闹钟程序一样,可以选择一个星期内某些天浇水,或者都不浇水,或者每天浇水。需要浇水的天会在星期数字下面显示“ok”字样。这个是此系统的特色功能
手动浇水:在任何时候都能手动启动水泵
帮助:原本打算在这个写个说明书的,但是发现要写的内容还真多,硬件的简化导致软件和操作的复杂度增加,于是这里面就放了些
关于:这个也是中看不中用的东西,纯属个人寻点存在感
9、总结 其实这个硬件板可以做的东西还不止是电烙铁、浇花器,还能做其他的类似于增氧泵控制,动物自动喂水器。。。目前看来只要是直流供电范围5-24V功率小于60W的东西都能控制, 当然软件可以随意修改,要增加通信接口或者增加其他传感器也是可以的。 不过话说回来,这个版本的缺点就是用料浪费,当初用STM32做这个板是因为做四轴飞行器炸鸡了,主芯片取下来又不确定能不能接着用,丢掉有太浪费,于是就用它来做额外的小东西了。 显示屏也是因为13年的时候帮一个朋友做高精度电子时钟,后来他送了一个显示屏给我,于是这些就组合在一起了,以至于后来发现这个组合其实很好。
(责任编辑:admin) |
































