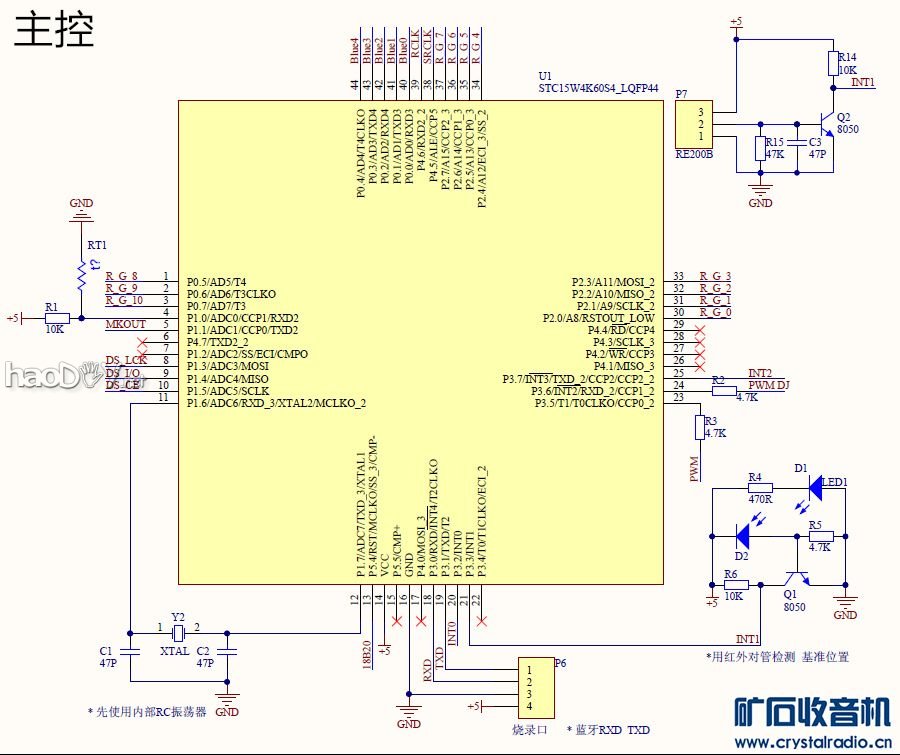
-![]() 小结:由于蓝牙模块放在中心轴上,相对来说“总是运动的”。模块的频率是2.4GHz如在此时间片段里还有移动,就会产生多普勒效应 使电磁波变形。可想而知 测试的通讯数据错误率90+%... 板形整成这样就更加坑爹... 加上配重铝片 工作起来还是一个大号跳蛋... 把我的烧录排针多甩歪了... - 4、五边形底座的来由: 按照我的习惯是去外面的:文具、玩具、饰品、五金等之类的商店逛逛,看到有什么小玩意适合我改装就买回来开膛破肚... 但并没有找到~ 后来看到买回来那一堆护栏灯,还有用来控制电机的单片机,多是严重的资源浪费~ 应该让它们多去干点活才对! 那自己画一个吧!嗯,开始我最喜欢的工作(就是不费力气的胡思乱想...)四边形、圆圈圈?简单!但太丑~ 五边形?啊哈,是的是的,层叠魔法阵,我可以去淘宝淘些小玻璃柱,里面有3D人物或水晶或火炬或法杖什么的~ 第一层站人物,第二层站什么呢?。。。然后用音频控制它们的发光次序,我还要一个按键切换控制方案,正好控速单片机也有ADC 。 好吧,一通天马行空后就有现在这个底座了。随之骂娘也开始了,插~ 这些有用没用的东西可多是要花时间慢慢调才调的出来的啊。。。菜鸟的无奈。。。 - - (四)结构: 1、整体结构: 说明: ①、吸取前一版本的教训,这次设计成了一体的了。希望会更稳定,也免了一个专门控制转速的单片机 和传动齿轮。当然,代价就是PCB板的配合变得复杂,设计接口麻烦了些,甚至还需要用排线来连接被插口阻拦的布线。 ②、考虑到配重,把LED灯分到两边。为此,在原32个LED的基础再加8个,一半16个另一半24个(3个595驱动8个LED为一组)。 ③、蓝牙模块也尽可能的把天线移到了外围,并且开了一个孔~(实测通讯已经和静止时无二,但发射源离得远了还是有影响的。) ④、电刷也改了,毕竟现在空间够,也便于加工。 ![]() - 2、夹轴柱 与 电机: 说明:第一次 是用“双长轴电机”加M3铜柱,打上小螺钉固定(为了更牢固把电机轴磨了一点)。底下的铜柱为了套上电刷的母铜环,则是打磨后再加上热缩管绝缘。但电机轴径是2.3mm而M铜柱内径是3mm,虽也加了铜簿可始终不太正。。。 ![]() - 说明:第二次 是用航模的螺旋桨夹改装了一个。顺便把电机也换了,因为这个电机转速低,所以噪音更小、也稳些。但由于轴不是双出的,还把转子拆下来敲过。。。 没有合适的材料可用就是痛苦~~~ ![]() - ![]() - 3、双层壳结构: 说明:开始想着 内球用于解决风阻,外球为壳,但这实际会使内部温度升高。所以现在内外壳二选一。 ![]() - - (五)硬件: 1、原理图: 说明:功能块:主控、LED灯组、蓝牙模块、时钟与温度传感器、电机控制、频谱。 ![]() - ![]() - ![]() - 2、PCB: 说明:用PROE把3D模型转成2D平面的CAD档,在导入到AD定下 板边与穿孔。 ![]() - ![]() - - (六)软件: 1、工具:Keil.C51。代码见附件,这算我的第二个练手项目,有点乱,见谅~ ![]() - ![]() - 2、粗略流程图 - - (七)上位机软件: 1、工具:易语言: 说明:这是一个本土的编程工具,对于俺这样的英文盲来说一个不错的选择。但它编译出来的文件常被国内的安全软件报木马,其实是没有的… 请放心 ![]() - 2、取图与图片处理: 说明:用易语言命令“截取屏幕区域”取出位图,并载入到画板进行预览显示。 ![]() - 说明:若要发送 或 导出图片数据(用于单片机的内部数据)时,需启动线程对图片每一列进行处理。 ![]() - 说明:这里的一个区就等于一组LED(3个595驱动8个灯),上图的第一列前4区为白色,下图文本的导出数据就是全0(LED是共阳的,所以595输出全低电平,等于全亮,RGB三基色全亮 = 白色)。 ![]() - 说明:内部数据节选:地球仪 ![]() - 3、串口通讯: (责任编辑:admin) |

































