[单片机] DIY制作了个led点阵屏时钟电子钟!用51单片机控制 日期:2013-01-13 22:15:45 点击:676 好评:0
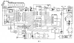
用51单片机节制网上淘来的led点阵,制作了一个时钟。 首要元器件清单: 16*64 LED点阵 1块(淘宝上二手包罗运费 37大洋) AT89s52 一片 5元 ds18b20 1只 5.5元 ds1302 1只 0.7元 总投入资金=50大洋 成果:及时时钟、温度表现,可以滚屏,校时 先嗮个图! 没有...
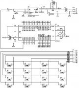
[单片机] 自制8X8 LED点阵显示驱动技术 日期:2013-01-13 18:36:23 点击:318 好评:0
免费提供各种电子制作文章、资料、图纸...
[单片机] 制作单片机也唱歌音乐 日期:2013-01-13 18:36:12 点击:86 好评:0
免费提供各种电子制作文章、资料、图纸...
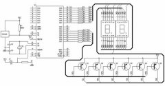
[单片机] 制作动态数码管显示技术 日期:2013-01-13 18:36:01 点击:88 好评:0
免费提供各种电子制作文章、资料、图纸...
[单片机] 自制使用AT89C2051的红外遥控窗帘 日期:2013-01-13 18:35:44 点击:128 好评:0
免费提供各种电子制作文章、资料、图纸...
[单片机] 制作八路LED跑马灯实验 日期:2013-01-13 18:35:34 点击:447 好评:0
免费提供各种电子制作文章、资料、图纸...
[单片机] diy使用单片机制作的测速表 日期:2013-01-13 18:35:15 点击:220 好评:0
免费提供各种电子制作文章、资料、图纸...
[单片机] diy直流电机PWM闭环调速系统 日期:2013-01-13 18:35:02 点击:168 好评:0
免费提供各种电子制作文章、资料、图纸...
[单片机] diy使用SST89C58控制单片电子硬盘的硬件电路 日期:2013-01-13 18:34:43 点击:70 好评:0
免费提供各种电子制作文章、资料、图纸...
[单片机] 自制一卡多号 多合一读卡器电路原理图 日期:2013-01-13 18:34:35 点击:233 好评:0
免费提供各种电子制作文章、资料、图纸...
1.教程说明 心率计可以将检测到的心率数据传输至手机端和WEB端,从而实现心率的实时监...
最近有点忙,可还是腾出空来打造了一款单片机32位LED花样流水灯!......................
最近这段时间比较闲,特地将原先做的LED时钟升级一下!先上照 正面 反面 本次做的LED...
最近帮别人设计了一下毕业设计,就是温度检测、报警系统,具体的题目就不贴出来了。公...
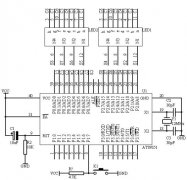
电路设计: 图1是单片机最小系统电路;图2是驱动电路。共10路光源DS1~DS10,分别由AT8...
免费提供各种电子制作文章、资料、图纸...