最好的电子音响科技diy制作网站

haoDIY_音响电子电脑科技DIY小制作发明

当前位置: 主页 > 电脑DIY > 电脑DIY >

无线鼠标DIY

时间:2012-09-02 15:54来源:未知 作者:admin 点击:
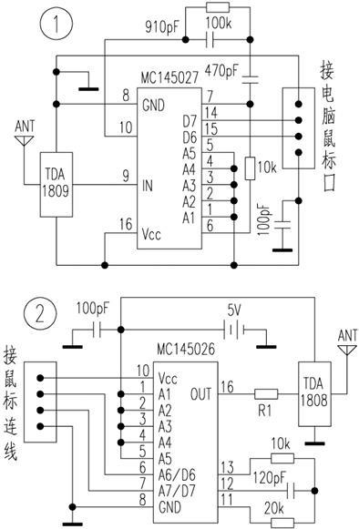
该无线鼠标利用编译码电路MC145026/MC145027和射频发射/接收模块TDA1808/TDA1809互相配合,可以在10~120m范围内灵活操纵鼠标。该电路(见图1、图2)可以看出,本电路无须改动鼠标及计算机,无须安装额外的鼠标驱

该无线鼠标利用编译码电路MC145026/MC145027和射频发射/接收模块TDA1808/TDA1809互相配合,可以在10~120m范围内灵活操纵鼠标。该电路(见图1、图2)可以看出,本电路无须改动鼠标及计算机,无须安装额外的鼠标驱动软件,只要所选元件正常,无须调试即可工作,原有鼠标的所有功能亦能正常使用,使用起来符合操作习惯,方便可靠,非常适合爱好者自制DIY。
       一般情况下,鼠标与电脑的连接线内部有4根电路连接线(该电路装置最多可以接受4条数据线输入,读者可根据自己鼠标的实际情况选择)分别是电源正极、电源地、数据线1、数据线2。我们将鼠标连线割断,分别找出这4根线,利用MC145026编码电路的数据传送端D6和D7接受鼠标数据线1和数据线2传来的数据,并在芯片内部编码后经射频发射模块TDA1808发射出去。射频发射模块TDA1809工作后,将接收到的编码信息输入MC145027译码电路,经其转换后在该芯片数据输出端D6和D7复原原鼠标数据线1和数据线2的信号,并通过原鼠标与电脑的连接线送入计算机。

无线鼠标DIY

(责任编辑:admin)
织梦二维码生成器
顶一下
(0)
0%
踩一下
(0)
0%
------分隔线----------------------------
发表评论
请自觉遵守互联网相关的政策法规,严禁发布色情、暴力、反动的言论。
评价:
表情:
用户名: 验证码:点击我更换图片
栏目列表
推荐内容