| 光电二极管(Photo-Diode)是二极管的一种,但在电路中它不是作整流元件,而是把光信号转换成电信号的光电传感器件。可用于光强度探测,光控开关的感光元器件,作用与光敏电阻相似。 
	 
	 
	 特性 光电二极管是在反向电压作用下工作的,没有光照时,反向电流极其微弱(一般小于0.1微安),叫暗电流;有光照时,反向电流迅速增大到几十到上百微安,称为光电流。光的强度越大,反向电流也越大。光的变化引起光电二极管电流变化,这就可以把光信号转换成电信号,成为光电传感器件。 工作原理 光电二极管是将光信号变成电信号的半导体器件。它的核心部分也是一个PN结,和普通二极管相比,在结构上不同的是,为了便于接受入射光照,PN结面积尽量做的大一些,电极面积尽量小些,而且PN结的结深很浅,一般小于1微米。 光电二极管是在反向电压作用之下工作的。没有光照时,反向电流很小,称为暗电流。当有光照时,携带能量的光子进入PN结后,把能量传给共价键上的束缚电子,使部分电子挣脱共价键,从而产生电子---空穴对,称为光生载流子。 它们在反向电压作用下参加漂移运动,使反向电流明显变大,光的强度越大,反向电流也越大。这种特性称为“光电导”。光电二极管在一般照度的光线照射下,所产生的电流叫光电流。如果在外电路上接上负载,负载上就获得了电信号,而且这个电信号随着光的变化而相应变化。 光电二极管、光电三极管是电子电路中广泛采用的光敏器件。光电二极管和普通二极管一样具有一个PN结,不同之处是在光电二极管的外壳上有一个透明的窗口以接收光线照射,实现光电转换,在电路图中文字符号一般为VD。光电三极管除具有光电转换的功能外,还具有放大功能,在电路图中文字符号一般为VT。光电三极管因输入信号为光信号,所以通常只有集电极和发射极两个引脚线。同光电二极管一样,光电三极管外壳也有一个透明窗口,以接收光线照射。 光电二极管的电阻测量法 用万用表1k挡。光电二极管正向电阻约10kΩ左右。在无光照情况下,反向电阻为∞时,这管子是好的(反向电阻不是∞时说明漏电流大);有光照时,反向电阻随光照强度增加而减小,阻值可达到几kΩ或1kΩ以下,则管子是好的;若反向电阻都是∞或为零,则管子是坏的。 主要技术参数 1.最高反向工作电压; 2.暗电流(dark current );也称无照电流 光电耦合器的输出特性是指在一定的发光电流IF下,光敏管所加偏置电压VCE与输出电流IC之间的关系,当IF=0时,发光二极管不发光,此时的光敏晶体管集电极输出电流称为暗电流,一般很小。 此外在生理学方面,是指在无光照时视网膜视杆细胞的外段膜上有相当数量的Na离子通道处于开放状态,故Na离子进入细胞内,形成一个从外段流向内段的电流,称为暗电流(dark current)。 暗电流是指器件在反偏压条件下,没有入射光时产生的反向直流电流.(它包括晶体材料表面缺陷形成的泄漏电流和载流子热扩散形成的本征暗电流.) 所谓暗电流指的是光伏电池在无光照时,由外电压作用下P-N结内流过的单向电流。 光电倍增管在无辐射作用下的阳极输出电流称为暗电流 3.光电流; 4.灵敏度; 5.结电容; 6.正向压降; 7.响应时间; 主要特性曲线图 
	 
	 
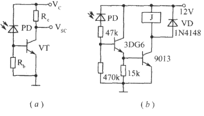
	 基本应用电路(应用时反向偏置连接) 注意:由于光电二极管的输出电流极其微弱,从而得到的电压的驱动能力有限,所以一定要增加放大电路,可以提高检测电路的稳定性和电子产品的一致性。#p#分页标题#e# 
	 
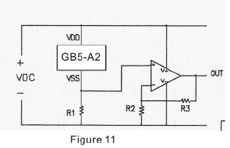
	 应用电路参考(图中GB5-A2为光电二极管) 
	 
	 
	 
	 
	 
	 
	 
	 
	 | 

































