|
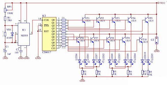
该闪光器采用双色发光二极管作为闪光器件,形成红、绿光依次交替流水闪光效果,可用作车饰、节日装饰等。 电路原理如图所示。它是由NE555时钟脉冲发生电路、CD4017十进制计数器/分配器电路、三极管驱动电路以及双色发光二极管组成。
由555时基电路和外围元件构成一个时钟振荡器,由RP1、R1、R2和VD1、C1构成的充放电回路,导致ICl(555)的③脚不断输出方波脉冲供给IC2 CD4017。IC2对输入的方波脉冲进行计数/分配,使其输出端Y0~Y9依次变为高电平。当Y0~Y4依次变为高电平时,三极管VTl~VT5依次导通,使得双色发光二极管中的红色(R)管芯点亮,形成红色流水灯序。 当IC2的Y5~Y9依次变为高电平时,三极管VT6一VTl0依次导通,双色发光二极管中的绿色(G)管芯依次点亮,形成绿色光序。在时钟脉冲的不断作用下,两色光带不断交替流动,颇为美观。 其中ICl采用NE555时基集成电路,IC2采用CD4017。VTl~VTl0采用C1815三极管,β≥100即可。发光二极管最好是高亮发光二极管,当然普通的也可以。其它元件无特殊要求,可按图示数值选用。调节RP1可调节NE555时钟振荡频率,也就是控制发光二极管的流动速度。
|




















