|
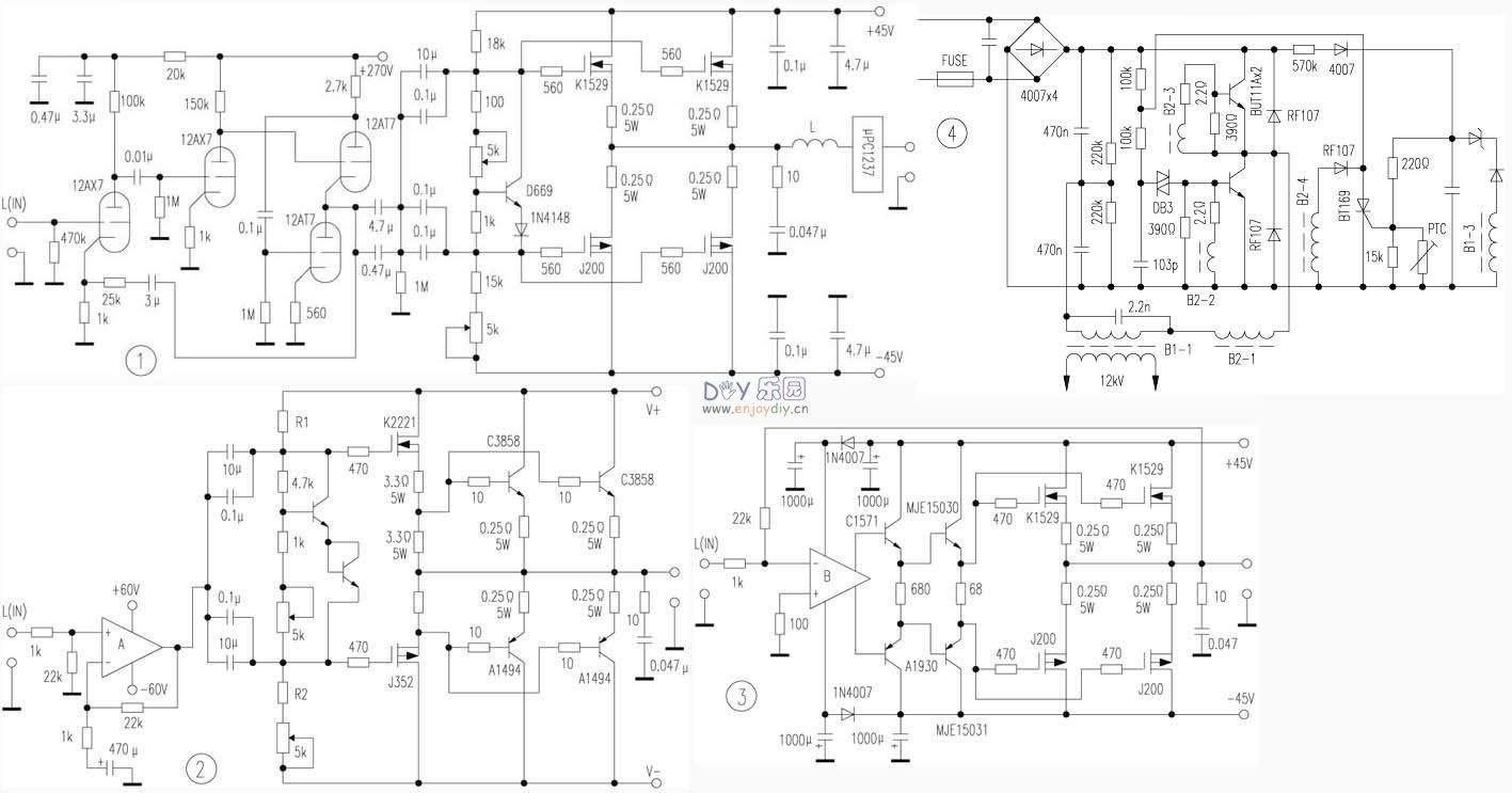
为满足部分“高温”发烧友的需求,笔者推荐几款胆石混合功放及石机功放,仅供发烧友参考。 一、胆石混合功放 原理图如图1所示,笔者选用和田茂士线路作电压放大,场效应管作电流放大。其实,一些优秀的胆前级电路很适合作电压放大,特别是和田茂士SRPP输出线路,具有极低的输出阻抗和较强的负载能力。末级仅作0dB线路放大,电压放大级与电流放大级用电容进行信号耦合。 这次笔者仍采用《电子报》今年第1期胆机制作文章介绍的电源板,而重点改进在用料上,即把原高压滤波所用全部电解用若干个1μF~10μF/400V的EC薄膜电容及金龙MKT电容并联代替。主板仍然可用国产电子管组装(A型板),发烧友也可用全新俄罗斯12AX7、12AT7(B型板)或欧洲管升级。信号耦合电容还可用维他命Q电容或其他顶级电容摩机。 制作时为便于装配及摩机,共使用两台机箱,胆前级与0dB后级各装配一台,两台独立调试。其中后级每声道使用了4对K1529/J200,每声道各用1只500W环形变压器供电,采用外置散热器机箱,尺寸达480mm×430mm×150mm,为制作大功率甲类功放创造了条件。两台机箱用信号线连接。当分开时,和田茂士电压放大部分即可单独作为一台胆前级使用。 该功放具有声场宏大,定位准确,音色甜美,印证了“简洁至上”这一名言。 该功放不足之处是成本较高,体积较大,一般通用机箱不易装配,发烧友需量力而行。 二、石机混合功放 原理图如图2所示,该方案组合主要是从降低成本及减小体积方面考虑的。 由于大功率场效应管售价较高,业余条件较难配对。为此,笔者采用了大功率场效应管推动大功率三极管。由于大功率三极管售价低,易配对,从而降低了制作难度。并且场效应管参与功率输出,推动级静态电流高达300~600mA,从推动级开始,功放便工作在甲类状态。 同样,电压放大部分可选用图1的和田茂士前级电路。从减小体积出发,笔者使用了专门针对SACD与DVD-Audio而制作的电压放大模块,左右声道各一块,尺寸仅11cm×8cm,便于与末级电流板装配在一个机箱内。该模块制作的功放带宽达5Hz~150kHz,总谐波失真在0.01%以下。若发烧友不想投资过大,象发烧友手头都有的TDA7294、LM4766、LM1875等功率运放,只要将其配图1或图2所示的0dB放大极,降低末级0dB部分供电电压,即可制作出10~60W的纯甲类功放,其音色定会给你耳目一新。 推荐摩机:若图1中的和田茂士电路搭配图2 0dB后级,0dB后级所用对管2SC3858/2SA1943(玻担埃祝┰黾又粒炊裕岣撸埃洌潞蠹豆ぷ鞯缪刮罚啊保埃埃郑敲矗灰缭茨芰抗┯Τ渥悖⑷韧ǔ涤嗵跫峦耆梢郧嵋字谱鞒鲆依啵常埃啊担埃埃祝ǎ甫福⒓桌啵海常啊保埃埃祝ǎ甫福┱饫嗑尬薨怨Ψ拧K淙淮蠖嗍⑸沼巡⒉恍枰偻叩墓β剩侵挥写⒈腹β试酱螅蔡缌髟酱螅Ψ诺哪谧璨呕嵩降汀T诙疃ㄊ涑龉β誓诰哂薪锨康那涸啬芰陀判愕钠德氏煊Γ鸥淄贫粝浜涂刂埔粝洹L乇鹗且恍┙诿贫ゼ兑粝洌镁尬薨怨Ψ磐贫缘酶匾1收呷衔灰Ψ攀涑龉β誓艽锏剑保担埃住粒玻ǎ甫浮⒁依啵ⅲ常埃住粒玻ǎ甫浮⒓桌啵湍芡贫么蠖嗍埔粝洹? 另外,发烧友还可用其他靓声功率管如K851、SAP15N/SAP15P、MJE15024/MJE15025作0dB放大。 三、电流反馈功放 原理简图如图3所示,该线路采用了真正的电流负反馈电路,有别于报刊介绍的在负反馈环路中增加取样电阻一类电路。众所周知,电流反馈具有宽频、高速、低失真的特性,所以日本金嗓子名机中大量使用此技术。这里仅给出简化示意图,其末级采用三级电流放大,使用摩托罗拉专用驱动管MJE15030/MJE15031,驱动负载轻松自如。 四、电压反馈功放 在这里仍采用《电子报》今年第8期《轻松制作靓声甲类功放》一文中的电压放大线路,主要改动在后级电路,原理简图如图4所示,在此用示意图代替电压放大部分。电流推动级采用了日立公司最新120W大功率场效应管K2221/J352,并且推动级电流高达300mA,反馈点改在输出端,为大环路负反馈,选取合适的R阻值即是一部前馈式功放电路。该线路板包括的预推动级、推动级、末级电流放大级及温度补偿三极管,应全部固定在散热器上。K2221/J352若不易购到可用K1058/J162或K1529/J200代换。该功放音色保持了MOS管的声音特色,低频力度强劲,解析力高。 以上四种后级电路均可在30~60V内供电,0dB后级可提升工作电压。电流放大印板均为双单声道设计,每声道预留有4对大功率管的位置,发烧友应根据散热器面积、变压器功率及所需功率(P乙=U2/2R,P甲=2I2静?R)选取功率管对数及其静态电流。对于63V以下的滤波电容,ELAN、松下、诺华当然是首选。对于容量10000μF耐压100V的发烧电解,市面上选择余地不多,即使能购到某些音响专用品牌,其售价也相对较高,从性价比方面考虑,笔者选用若干ELAN 470μF/100V、BENNIC 1000μF/100V、BENNIC 2200μF/100V电容并联使用,降低输出容抗,其性能比某些音响专用大容量电解还好。 对于电源变压器,发烧友应选漏磁小、效率高、发热量低、A级材料制作的优质产品。无论是环形还是方形变压器,其售价都相对较高,市面上一些低价位通用产品应慎用,发烧友应购买优质产品或到生产厂家订做。 若要挖掘以上功放的潜力,发烧友可试着从电源方面着手考虑,比如电压放大部分和电流放大部分均用稳压电源供电。音响器材中还可加入电源滤波器与高精度电源稳压器,这些器材国产品牌众多,选择余地较大,其带来的好处是音响系统异常宁静,还可增添许多音响细节,十分超值。 当然,如有条件,末级电容滤波可完全用数十只乃至数百只薄膜电容并联滤波,但其体积是巨大的,成本也是惊人的,好在市面上有许多二手薄膜电容可供选择,价格也在发烧友的经济承受能力之中。薄膜电容所营造的声场是许多号称“音响专用”的电解所无法比拟的。 (责任编辑:admin) |

























