|
推荐了一款采用国半高性能驱 动芯片LME49810的功放。这块芯片的 性能已经在不同负载下测量过。得出 的建议是,驱动级必须要为输出级提 供足够的驱动电流,输出级由此选择 ON(安森美)的NJL3281D/1302D。 这对管子由于内含偏置二极管,具有 同时实现热补偿功能,因此传统的Vbe倍乘器就可以取消了。
在本文中主要介绍电源部分的设 计及如何借助仪器监测功放的THD(总谐波失真加噪声)指标、如何用频谱分析的方法来调整功放的静态电流至 最佳值,最后部分是功放的性能测试 结果,其中包括了THD测试、IMD测试和方波测试。
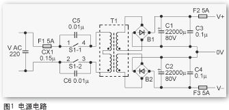
一、电源设计 本功放设计在8Ω 负载上至少有120W输出。这样,每个输出级晶体管 将分担1.9A的有效值电流(本功放使用 了两对管子)。从NJL3281D/1302D的 资料可知,其V ce的线性工作区的最小值是5V,这样要满足满功率输出,电源电压(V+、V-)至少要达到49V,其计算如下: P out=120(W)=I 2out×8=V 2out /8 Iout= 120/8= 15≈3.87(A) V +=V - = 120×8× 2+5≈49(V) 电源部分电路如图1所示。V+ 及V-在满功率输出状态起码要49V,加上变压器的损耗和纹波,我们选择了未 经稳压的±55V,此时变压器次级电压 为交流39V。桥堆中的二极管在大电流 状态下会有约1V的压降,同时我们也必须考虑市电电压的变化,这样,就 需要一个双0~42V次级电压绕组的变 压器,且次级必须要能提供4A的有效 值电流。如果你希望在4Ω负载上得到 翻倍的输出功率,就必须要有一个满 足8A电流的变压器!光有大变压器还 不行,大水塘式电容也是必要的。我 使用了两个桥堆(B1、B2)来组成双 桥全波整流,这样DC 0V也包含在整流 回路中。两个整流桥中的二极管应有足够承受高浪涌电流的能力,因为在每个100Hz周期中,大水塘电容在极短 时间内的充电电流很高,一般会超过100A!
在市电输入端并联一个 0.15μ F的X形电容可降低射频干扰。市电输入和直流输出端都带有保险丝管保护。直流输出线上的保险丝管可能会由于其微小的阻抗而在输出大信号时造成 寄生纹波。曾做过一个5A的保险丝管经历不同频率下其阻抗变化的试验,其结果是在1kHz频率下会有17.43mΩ的阻抗。图 2则显示的是在不同状况下直流输出的波形(在输入端交流耦 合情况下测量的),从图2可以看到在100Hz纹波上面又寄生了从主放大器及 整流电路窜入的1kHz干扰波。这个波形随着使用保险丝管而增大,然而,增加的寄生纹波对功放的性能并没有什么太大的影响,因为本功放有性能很高的PSRR(电源纹波抑制比)电路,它可 以在输出端使此纹波大幅消除。
二、不需要预驱动级
因为NJL3281D/1302D在Ic≤5A的情 况下最小电流增益(h FE)可达到75, 此时,其基极驱动峰值电流将不超过38mA,同时,BD139/140在被用作 驱动时,其最小电流增益也有40。因 此,我们最多可以从LME49810吸取不 大于1mA的驱动电流,这样我们就没有必要再增加一级预驱动或使用达林顿管子来满足满功率输出的需要。在 LME49810数据资料中明确了在芯片的 Source 和Sink引脚内部已经包含了射 极跟随器电路(EF),这个射极跟随器其实已经是输出级真正的预驱动级 了。图3所示的是用于后续测试的功放 电路图,其中DNP表示不用安装的元 件。静音控制电压(mute bias) 以及削波 指示灯(clip LED)的5V电压是通过稳 压管来获得的。
三、调试步骤
笔者建议在功放调试过程中采用 逐级测试的方法(从LME49810到输出 级),这样的步骤有助于尽早发现问 题并及时排除。本功放分3步来调试: 即单独的LME49810、LME49810加驱 动级以及完整的放大器。 首先不安装驱动级部分的电路,按照LME49810资料搭建了负反馈环路,使电路可以正确 工作,并测量电路是否存在任何不正常的状况,本部分电路仅 需要20mA的工作电流。在输出端接上示 波器,并在输入端注 入正弦波信号,如果 在输出端可以见到放 大后的正弦波,就可以进入下一步骤。 第二步,焊接上驱动级部分电路,并重复前述步骤直至正常工作。此步骤调 试 中要加入静态电流调整电位器来提供驱动级的偏置电压。 最后一步,加上输出级的电路即功率管部分。切记:务必在每条直流 供电线上串联一个33Ω的电阻以提供 过流保护。如图4所示,将静态电流电 位器调节到A的位置,这将使静态电流 调节到最小。如果33Ω电阻上的电压 没有超过1V,恭喜你,这个电路看来 已经基本上可以正常工作了。我们也要顺便检查下输出中点电压,正常情况下应该在10mV内。然后,我们可以 继续调节此电位器来观察33Ω电阻上 的电压读数是否有相应的变化。电路 初始设定每个输出功率管的静态电流 为50mA。正常情况下,将电位器调节 到B位置就可以达到这个静态电流。我们可以在调节电位器时,监测任意一个功率管的发射极电阻上的电压降来 观察静态电流的变化,当电阻上的电压为0.22(Ω)×50(mA)=0.011(V)时,就调节到了设计的初始静态电流。
下面所做的工作是找出最佳偏置点(静态电流)。 安装好的功放如图 4所示。功放的输出级调整到通常所谓的甲乙类状态。驱动级和输出级的偏置电压由连 接在芯片BiasP和BiasM引脚上的可调电阻以及输出功率管的内置二极管共同产生。从LME49810的数据资料可知,BiasP和BiasM引脚可以提供典型值为2.8mA的电流。假设所有晶体管的Vbe导 通电压为0.6V,则偏压至少要调节到1.2V以上才可使驱动级和功率级的管子 都导通工作。理论上可调节电阻计算方式为1.2/0.0028≈428.5(Ω),本电 路中使用了一个500Ω的可调节电阻。 我们希望在输出波形0点的位置且在小功率输出状态时,有一个足够使 所有的输出管子维持导通状态的偏置电压来避免交越失真。在偏置调节的同时,我们测量了输出波形的THD+N指标并进行了 FFT(快速傅里叶变换)频谱分析。 在缓慢调节电位器的同时测量1kHz信号在8Ω负载上输出10W功率时的THD+N。仪器的带宽设定为22Hz~30kHz。 当电位器如图4所示置于B位置时,THD+N为0.0056%,此时每个输出 管的静态电流大约在8mA。THD+N曲 线如图5所示(已去除基波),我们可 以清楚地发现在输出波形的0点附近发 生了交越失真。图6所示的频谱分析图也验证了有大量的谐波产生,相比输出电平,谐波失真在-80dB以下。有人会说,如此低的失真将不可耳闻,调试到此结束了。然而,笔者认为对 于工程技术而言,对已有的电路进行 不断优化是最基础、最必要的工作。如何影响听感则因存在主观因素,这 不在本文讨论的范围内。当我们逐步将电位器调节到C位置时,此时静态电 流已经增加到每输出管80mA,THD+N则降低到了0.0035%,此时相应的FFT频 谱 测 量 图 如 图 7所 示 。 从 图 中 看 ,虽然性能得到了提升,但依然还存在 一些高次谐波成分。在分析仪继续监 测下,我们不断增加静态电流,最终 在某个静态电流下三次以上谐波基本 消失,如图8所示。图9则显示了此时 的输出波形和残余失真,可以清楚地 看到残余成分仅为纯的三次谐波。这 是电位器的D位置,其THD+N指标为0.001%(加入了400Hz高通滤波器以滤 除100Hz哼声干扰,目的是观察一些微小的差异)。
对比三种静态电流在不同输出功 率下所测得的THD+N值(电位器分别 置于B、C、D位置)如图10所示。我们发现在大功率输出状态下,当电位 器调节到D位置时其THD+N要比C位置 稍微高一些。D位置时每个输出管的静 态电流已经达到了400mA,此时散热 器已经是相当的烫了。
四、性能评估
我们对本功放在8Ω负载和4Ω负载和 4 Ω负载下不同输出功率的THD+N进行了测量和对比,仪器测量带宽定为22Hz~30kHz,一个1 kHz信号被输入到 放大器。从图11和图12中观察, 在8Ω 和4Ω负载时,输出功率在THD+N为1% 时分别达到120W和240W,本功放完全达到了我们期待的输出能力。当驱动4Ω负载时,失真略有增加。不同输 出功率时THD+N在100 Hz、1 kHz 以及10 kHz时的AP图(音频分析仪)如图13所示。 接下来测试功放在音频频谱中的THD+N指标。我们测量了输出 1W、10W和100W时的 THD+N,从图14可以发现,失真随着频率的增加而逐 渐增加,这在大部分带有负反馈的放 大器中是个典型的趋势。当频率增大 时,随着开环增益的下降,反馈量也 减少。功放在整个音频频谱范围内均 达到相当低的失真率。 常规的THD+N分析对于评估功放的线性放大能力是个有力的工具,然而,它无法对10kHz以上的频率提供精 确的测量。在实践中,失真仪仅会在其测量带宽内综合统计下降趋势的谐波成分。假设仪器带宽设定为22 Hz~30kHz,则失真仪只会统计到10 kHz信号 的三次谐波成分。当然,我们完全可以通过放宽带宽来统计更多的谐波,然 而,这样做也使噪声中的功率增加,使 谐波失真不能得到精确测量。 另外,采用同时给功放注入两个 不同频率的正弦波信号的方法,也是衡量放大器高频线性度的一个有效办法。因为功放几乎都存在非线性的因 素,因此其输出中必然包含两种正弦 波的互调失真成分(IMD= intermodulation distortion) 。我们可以按照SMPTE(美国影视技术人员协会)协会和 CCIF(国际电话咨询委员会)协会推荐的 方法来完成功放的IMD测量。SMPTE测试指定了两个频率:f 1=60Hz 以及f 2=7kHz,高频率信号和低频率信号按 照1:4的幅度线性混合后输入功放。如 果功放存在IMD失真,则在输出信号中,高频音调信号周围将产生边带族频谱(f 2±f 1、f 2±2f 1等)。图15显 示了1W输出下SMPTE的频谱测试,7kHz信号环两侧有上述提到的多个边 带。如果输出功率提高到90W,则边 带信号也被充分放大,如图16所示。 在不同功率下SMPTE测试的IMD失真对 比如图17显示。 使用两个相同幅度的双音高频信号(f1=19kHz以及f 2=20kHz)同时输入 功放,是CCIF协会用来测量功放的IMD 失真的方法。我们只给出 f 2–f 1的差频(1kHz)的低频段IMD失真。图18显示 了(19+20)kHz双音频信号下的测试 频谱,相对测试信号1 kHz差频的谐波 失真大致为-76 dB。不同功率下失真度 变化如图19显示。 (责任编辑:admin) |























