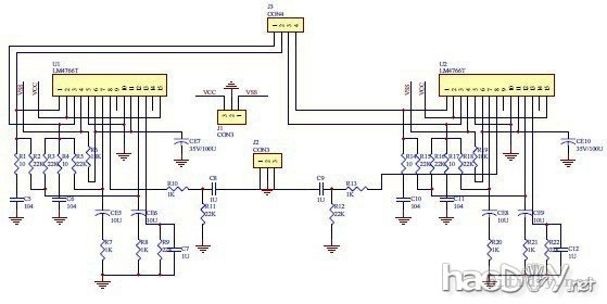
| 3.变压器:AC双18V环牛,100VA 4.功放板:LM4766 BTL 5.机箱:半个旧机箱+自己用环氧树脂板做的外围 除了功放板外,其他的就属于组装调试了,所以先给出功放板的设计图及照片!          再来详细说说组装吧! 1.其实组装没有什么特别的,就是在维修老前级上花费了不少时间,基本上把电位器、电容都换了,放大倍数也做了调整,原来放大了10倍,我根据需要调试成5倍的了; (责任编辑:admin) | 
| 3.变压器:AC双18V环牛,100VA 4.功放板:LM4766 BTL 5.机箱:半个旧机箱+自己用环氧树脂板做的外围 除了功放板外,其他的就属于组装调试了,所以先给出功放板的设计图及照片!          再来详细说说组装吧! 1.其实组装没有什么特别的,就是在维修老前级上花费了不少时间,基本上把电位器、电容都换了,放大倍数也做了调整,原来放大了10倍,我根据需要调试成5倍的了; (责任编辑:admin) | 
用三个常见原件自制简单功放板。...
3年前作的,线比较乱 这个版本的1875我做过中最好听的版本,现在换了ecc88,爽,我还...
先来一张2年前手工搭棚的机机 对称的4声道0DB跟随器,作为桥接输出用的 这是胆电压放...
电子管诞生于1904年至今已有104年的历史了,随着60年代末期晶体管的异军突起,音频功率...
全频均衡,有一点甜味...
楼主的破有源音箱坏了,(3元一对在地摊上买的)。如图, 没有什么效果可言,只是能发...
 LM386 音频放大器
							更新:2017-07-05
							LM386 音频放大器
							更新:2017-07-05
						 功放无信号自动关机电路制作
							更新:2012-08-25
							功放无信号自动关机电路制作
							更新:2012-08-25
						 林大夫新作品:低成本骗MM之----
							更新:2012-10-16
							林大夫新作品:低成本骗MM之----
							更新:2012-10-16
						 听了一声就想制成整机的地摊--
							更新:2012-11-01
							听了一声就想制成整机的地摊--
							更新:2012-11-01