|
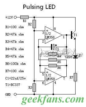
同学们家里都有电灯吧,那么同学们家里有呼吸灯吗?知道什么是呼吸灯吗?呼吸灯顾名思义,灯光在微电脑控制之下完成由亮到暗的逐渐变化,感觉像是在呼吸。广泛被用于数码产品,电脑,音响,汽车等各个领域,起到很好的视觉装饰效果(见霹雳游侠中的汽车前扫描器),下面就跟小白姐姐一起来看看制作过程吧! 先给上一电路图,网上也有的
下面就是所需要的材料和工具了,另外就是要有DIY的精神,嘿嘿 闲话少说,开工 材料 LM358一块 三极管BC337 本人用的9014 电阻 100欧 47K 100K 若干 电解电容22微法 一个 洞洞板3cm×2cm 一块 导线 焊锡 若干 其他就不废话了 上一幅全家福
这是本人为呼吸灯做的简易电源,呵呵,本人不想浪费电池,市电很便宜的
下面就是它的核心部分了,焊好后如图所示 (责任编辑:admin) |




























