|
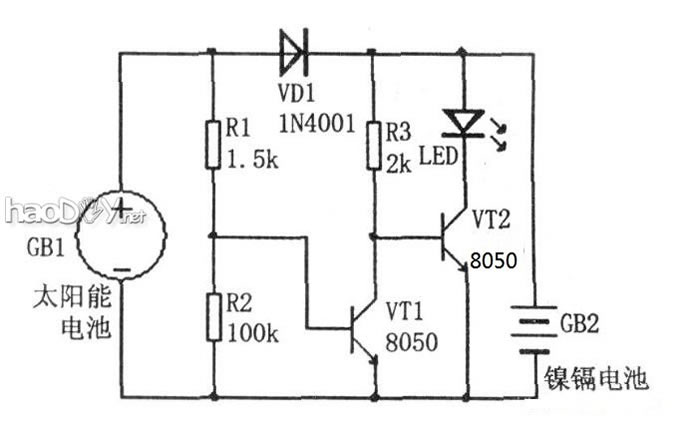
什么是太阳能路灯呢?太阳能路灯是以太阳光为能源,白天太阳能电池板给蓄电池充电,晚上蓄电池给灯源供电使用,无需复杂昂贵的管线铺设,可任意调整灯具的布局,安全节能无污染,无需人工操作工作稳定可靠,节省电费免维护。太阳能路灯我们是拥有不了,那就让我们来制作一个太阳能小夜灯吧! 自制太阳能小夜灯----太阳能路灯的雏形。 太阳能小夜灯----简单的太阳能路灯,有光照时给蓄电池充电,无光照时蓄电池放电,驱动LED。太阳能电池板不仅产生电能,而且兼做光线传感器的作用。 话不多说,直接上图。。。 show一下整体效果图。
很简单的电路。
电路焊接,焊接比较匆忙,不是太美观。
有光照时,即白天,LED不会亮。同时给蓄电池充电。 (责任编辑:admin) |




























