制作这个矿石机的初衷,是希望做一个"所有材料都是捡来的"的矿石机.究其原因,是因为自己小时候几乎买不起电子元件,所有做实验的东西,基本都是捡来的,或是和小伙伴换来的.现在条件虽然好了不少,但很怀念当年的日子.
但是当我开始实施后,发现并不那么容易!小时候,我家离昆明不远,多数时间住昆明东郊大板桥,少数时候住王家营火车站这些地方虽没有多富裕,但捡个螺丝什么的很容易.现如今,我却随家人来到昆明市最穷的县-禄劝县,而我所在的这个镇-转龙镇,比禄劝县城更落后一大截.由此可在在外边捡点元件有多困难了!
首先我在我弟门口到一段电线,然后在家里柴堆里捡到一根柴.然后绕线圈,但是电线不够,于量又找了几段.过了一段时间捡到个生锈的闸刀,打理一番后做底板.
更多原材料的来源,请看此处:http://www.crystalradio.cn/bbs/thread-150770-1-4.html
这个矿石机的制作过程中遇到了困难,比如我计划是不用万用表的,但当我做到半成后,却遇到了困难,收不任何声音,无奈之下,用万用表测了自制检波器,单向性能不好,另外改用IS86检波后,仍然无声,最后改用舌簧耳机后,略微有一点点声音. 难道是柴的Q值太低?于是用此前做的便携式矿机试验,发现声音也大为减小.这已说明,我这里这段时间信号已大不如一个月以前. 大家知道自制检波器,效果是不能和ISS86相比的,ISS86尚且如此,自制检波器效果可想而知了!看来要做好这个矿机很不容易了,
一些螺丝也不得不用现成的,这里太落后,螺丝也不容易捡到.



还有一个不满意之处,我的初衷是捡一个汽车电压调节器之类的,然后用上面的漆包线自制一个耳机。但现实是,根本捡不到,只是矿石机制作快接近尾声时,在汽车修理店对面的河堤下捡到两个变压器。我拆了其中一个,硅钢片少得可怜,勉强用作阻抗转换吧。耳机是在做矿石机以前捡到的,放在醒目处好长时间无人认领,也就作自用了。(这种低档耳机我捡到好几个,最长的,一年了也无人认领)但是我在做矿机后,想捡耳机,却没有捡到
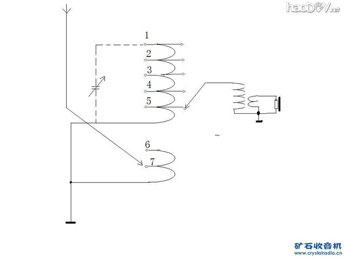
谢谢各位支持!现在补上电路图.

那个可变电容,是假想的,假如能自制成可变电容的话,天线以接入6、7脚为主,假如不能自制成可变电容的话以接入1-5脚为主。补充一下,图3中那个刀片,是家里找的废刀片,用来做检波器的
(责任编辑:admin) |