|
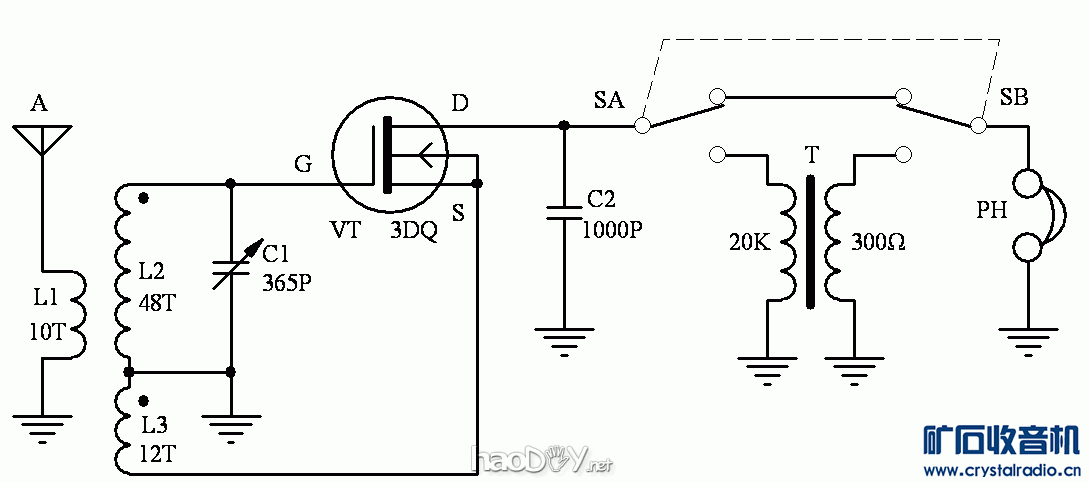
最近把以前做的矿石机拿出来玩玩,发现收不到电台了,以前在家里拖上根4、5米的天线声音就很高了,怎么回事呢?一打听才知道中波发射台由离我家4公里左右搬到20公里以外去了,用DSP数字收音机在室内听中波也有不少干扰声,难怪矿石机收不到了。由于家住二楼,无法在楼顶拉天线,只好在阳台外沿凉衣架上挂了一根10米左右的天线,接到矿石机上,还是听不到广播声,这时候我就想起用论坛上一位老师送给我的一对舌簧耳机(阻抗600欧,两只串联使用,阻抗1200欧)来试,以前试听时这对比电磁式耳机响多了,于是把那两只耳机拿出来用一个旧耳机的支架装上(这样安装过后有点心疼),接上这个耳机后就能听到一点广播声了(这个耳机的灵敏度真高,再次谢谢老师)。接下来把2AP10换成BAT85,声音又高了许多,但是换成4400欧(2200+2200)电磁式耳机声音还是很小,听不清在说什么。 看到论坛上好多坛友用3DQ(即3SK143-3DQ)配合舌簧耳机装配矿石机,都说效果很好,使我很感兴趣,能不能做一个比我现在的灵敏度高的矿石机呢?于是我也想试试。 ![]() 一、三种电路形式的试验 首先我用0.07x80的纱包线在直径97mm的聚丙烯圆管上绕了一个线圈,L1绕48T,L2 绕12T。 3DQ矿石机根据副线圈L2起始端接法不同可分为两种电路(场效应管D、S间相当于一个受G控制的可变电阻,电压反接也没有问题);我把L2接在3DQ的漏极又可以产生两种接法,因这两种接法没有本质的区别,所以我就选其中一种,这样三种基本接法如下,右边是其等效于二极管检波电路的电路图,这里的二极管可以理解为受栅极电压控制的电子开关,栅极电压为正时接通,栅极电压为负时断开。 三种电路除了电路形式不同外,其栅极的输入电压也有所不同,电路1中栅极输入电压为L1和L2输出电压的和,即: VGS=VL1+VL2;电路2中:VGS=VL1-VL2,电路3中:VGS=VL1。 我原先认为第三种新电路更符合场效应管的常规接法,效果应该更好一点,但经试验三种电路效果看不出区别。 但三种电路中第一种电路栅极输入的电压最高,更有利于场效应管的导通,至少心理作用是如此,于是我决定在第一种电路的基础上继续进行试验 二、增加变压器的试验、 我搭了一个简单的电路测量了一下3DQ作放大电路、栅压在0V左右时漏极的输出阻抗,结果大概为20k左右,但论坛上大家都说3DQ作检波时输出阻抗为1k左右,接两只300欧串联的舌簧耳机也比较合适。同时我也看到麦老师介绍的国外参展机上接了匹配变压器,于是我就用变压器试验一下,花了不少力气用120V线间变压器的铁芯绕了一个初级阻抗为20k(用QS18A 万能电桥测量电感为96.7H),次级阻抗阻抗为300欧(两只600欧舌簧喇叭并联使用)的变压器。 为了方便把电路接成可以转换的方式,便于比较和改接高阻耳机。 电路图 安装好的矿石机 试验结果非常令人失望,不管是收电台广播,还是接信号源,接变压器时声音都比直接接时小多了,换了友谊电子的仿T-725变压器也是如此,用T-725换多种阻抗接都没有真接接的响,看来大家的话还是要听的,哈哈。 看来想要通过接高负载阻抗来提高输出功率比较困难,能不能想想其它办法呢?于是我决定继续分析、试验 三、给场效应管源极加自生偏压电路 3DQ作放大时输出阻抗高达20k左右,为什么作检波时只有1k左右呢? 我们用下图左边的栅漏极转移特性曲线图(来源:lq19512003 http://www.crystalradio.cn/bbs/v ... 2%CA%D4%CA%FD%BE%DD,在此谢谢lq19512003)来分析: (责任编辑:admin) |


























