|
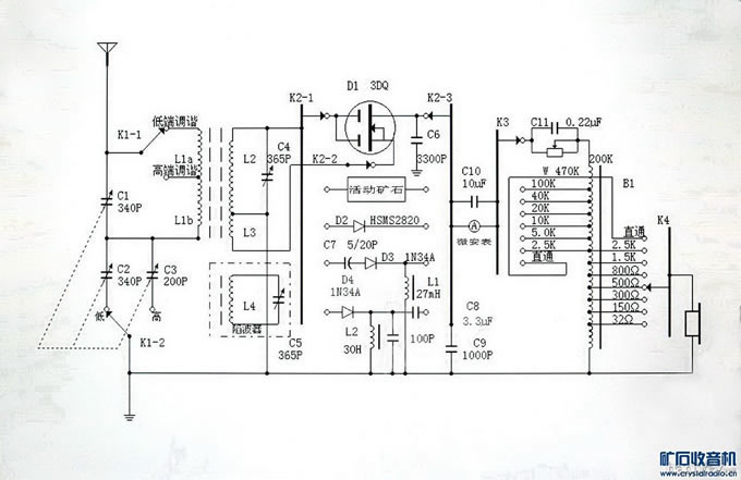
要制做一架性能优秀矿石机,离不开一个品质优良的线圈。在矿机常用的几种类型的线圈中花蓝线圈综合指标有明显优势:比同直径的蛛网线圈有更强的电波接收能力,比桶型线圈有更高的Q值。据了解,有花蓝线圈空载Q值高达1800,居各类线圈之首位。 密闭式矿机线圈大多数都放在机箱里,最大优点是可以很好的保护它。但缺点有一、由于受机箱内部尺寸限制,不能绕较大直径线圈,也就是说小直径的花蓝、蛛网、桶型线圈的Q值不会太高。二、线圈放在机箱内,周围有金属材料零件及木材等高损耗材料包围,线圈Q值会下降影响整机性能。我们常常看到有些作品将线圈“高高在上”挂起,目地就是减少这种损耗。 综合以上考虑,本便携式矿石机使用可拆卸式花蓝线圈,目地是在户外使用,该机有以下特点: 1、调谐回路使用直径150mm(6英寸)花蓝线圈,可以进行无天、地线接收。 2、为了保障整机性能,天调、检波、陷波三个回路都使用高Q值线圈。也许有些人不会注意陷波器线圈品质,一个优秀的陷 波器会更好的分离强台干扰,尤其是在两台频率较近时更显重要。 3、通过转换开关可选择用场效应管或肖特基管检波,也可以用活动矿石或外接二极管检波,还可车以使用戴夫(75号)和陈宪文电路检波。 4、天调回路线圈使用(抽头)方法,设置“高端”与“低端”两个挡位,方便与各种天线匹配並使天调频率全覆盖。 5、本机使用双回路双调谐电路及活动陷波器,在不用陷波器时可移走以彻底消除对调谐线圈的不利影响。 6、内置了可调整输入阻抗和输出阻抗的仿T725耳机变压器,设立了直通档可方便进行LED试验。 下面介绍制作过程:一、机箱购自市售成品,体积25cmX25cmX40cm。更换合页后机盖与机箱可以分离。 ![]() 将内部打出隔断好放置线圈。 二、面板分为2.4mm黑色有机玻璃和8mm聚丙烯组成,先做调谐度盘框然后粘在面板上。 ![]() ![]() 三、调谐线圈L2用0.04X660里兹线采用上1下1方法绕40匝,直径150mm,电感量252uH,空载Q值1136。整个线圈装在一个有机玻璃支架上。 ![]() ![]() 四、天调线圈L1a、L1b用0.04X270里兹线绕30匝+12匝,内径21mm,外径38mm,配二支65mm中短波磁棒,电感量42匝/163uH,30匝/85uH。空载Q值950。配重的用途是引导线圈导线顺利收放,避免日久折断。 ![]() ![]() 电路图.jpg
|










(责任编辑:admin)





















