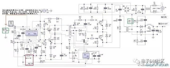
开场白:年纪大了,没多少事干,摆弄摆弄电子元件,DIY自己所需的东东总比整天在烟雾弥漫的麻将馆中度过要强。其实学做电源并不难,只要有六心一意定为成功。首先在DIY前要静下心来下定决心,DIY时要很细心,碰到问题要有耐心,久而不解的要有恒心,始终不解的要虚心请教(论坛),还要有坚韧不拔的意志,不能半途而废 。(能全部看完这帖的肯定有耐心,能发现帖中错误的更是细心了 )虽然本人也是菜鸟小白一个,但是DIY的电源感觉还是有一点用处,即使没有多大用处,通过学习制作了解一些基本原理也是好的,所以发上来供大家参考,如能得到大神们看后一笑了之,已心满意足,如能获得大神们指导点拨,本人和坛友们肯定会乐翻天。 下面详说制作过程,侧重电源内材方面,至于外壳加工就八仙过海各显神通不多说。 一、电源原版利用篇 就是利用ATX电源主要部分移植过来做成0-25V8A电源,按板上标的元件装配,一装就成,绝不会有自激,分二种结构,一种是要外接一个12-15V的电源,另一种是自带辅助电源,相当适合初学者。 1、原理图 A、主电源原理图 EM311原理图 ![]() A、分立辅助印板图 ![]() P1014AP 电压电流表一只 多圈电位器二只 0.01检流电阻一只 NTC电阻5D-15一只 2.2K2W电阻一只 35V3300-6800UF电容一只 ![]() 如原机没有整流桥堆就用原机整流管搭焊组成(发挥一下你的才能),至于保险丝是在电源尾插上。 二、电源扩展应用篇 就是在不重绕变压的前题下,制作0-45V5A和正负0-25V双电压电源,做成小功放电源。 原理图与基础篇基本相同不发了 1、印板图(这是一块外接辅电源的多用板,因面积太小,CV、CC指示用393。) A、0-45V电源接线图,用13007管。 用1.0以上的线,双线并绕在原机最大的磁环上,能绕多少绕多少,绕好后测一下电感量在110-150u就可以。 三、电源升级拓展篇 就是利用半桥电源的构架,在一块相同的PCB板上制作出不同用途的电源(为了省打板费),但是有许多跳线,不太合适初学者。 1、主要兼容功能 A、能兼容几种不同的辅助电源。 B、能兼容双极型管(13007)和场管。 C、能兼容可调电源和双电压输出功放电源。 D、能兼容EC35和EC42磁芯的主变压器。 2、不同兼容的跳线 A、不同辅助跳线 1)用分立元件做的辅助,变压器用EEL19-018 文件接线图 文件接线图 文件接线图 1)用双极型管(13007)的跳线 用场管电路图 ![]() 1)半桥全波整流单LC滤波接法(略) 2)全桥整流双LC滤波接法 上面所说的都是硬件方面,下面说一下调试要点。 1、振荡频率的调整 在494第5脚的电容与第6脚的电阻组成振荡频率,如电容容量为1000P的情况下,减小电阻阻值频率升高,一般用双极型管的(13007)电阻为18K,用场管的电阻为10K,此时的振荡频率约为55KHz和100KHz左右。 2、最高电压的设置。先说明一下,最高电压就是调压电位器开到最大时的电压。利用原ATX电源主变压器能提高输出电压是牺牲了电源对外界电网电压的调整率,所以满载功率下电压不能设得太高,设高了在满载下电压会下跌,同时纹波大增。因此,用半桥全波整流的电源,在外界电网交流220V电压下,最高设置电压不要超过25V,用全桥整流的设置电压不超过45V。 看原理图红框内的二个电阻,只要调整其中一个电阻就可以控制最高电压。如R18电阻阻值减小,最高电压高,而R20电阻正好相反,减小会降低最高电压。 调流原理与设置要求见上一图说明。 4、开机缓冲原理。如果没有开机缓冲电路,电源在刚开机时就输出最大占空比对输出端电容冲电,此时电流相当大,会立马烧坏功率管。开机缓冲就是利用494第4脚死区时间控制脚来控制其占空比的开启大小。如果4脚为0V,此时占空比最大,约90%。随着4脚电压上升,占空比逐步减小,到2.8v左右就关断输出。为了能在开机时占空比逐步加大,就在4脚上接一个10K对地电阻,再在4脚与14脚之间接一个47UF的电容,利用14脚5V基准电压对47UF电容充电,由于4脚上有10K电阻的关系,电容负极上会有电压,随着10K电阻的放电,4脚电压由高到低,此时电源占空比也是由小到大,逐步开启,完成缓起动过程。接4脚的电容容量的大小,就关系到缓起动时间的长短,但不宜用得太大。 为了安全,一定要外接辅电源,主电源不接220V交流电。 第一步先量13007E、B极电压,应该有0.6V左右的电压,并且看二只管的电压是否相同,如有相同电压而无输出,问题就出在功率管之后的电路上,这种情况极少。多数是一路有,一路没有,或二路都没有,再查功率管E、B极是否短路和激励变压器输出的几个电阻(一般炸过管的1欧电阻肯定开路),都好的就进入下一步。 第二步,看TL494控制电路有没有方波输出,方法是用万用表量8和11脚(用双极型管)电压,电压在2.1V左右就没有输出,在1.5V左右就有输出。 第三步,没有方波输出,除了集成块本身外,一般是16脚悬空或15脚接地(就是调流电位器关死),3、4脚电压高于2.8V都会没有方波输出,着重查这些地方。 第四步,有方波输出,问题就出在二只1815管和二只二极管上,在线是量不出,一定要拆下量,有示波器的可测激励变压器初级端的波就能判断那一路有问题。 激励级有问题的波形(此波形输出就无力了)测量于激励变压器初级供电脚。 ![]() 另外,检查494集成块是否能0A起控,方法是调流电位器关死,看能否有输出,应该是没有输出是对的。目前网上几毛钱一个的494或7500有许多不能0A起控,少则几十毫安,大则几百毫安。 6、CV、CC指示原理 原理就是利用1、2脚的电压差,在正常输出时1、2脚电压相等,进入恒流时1脚电压低于2脚,所以把1、2脚电压引入339(393)比较器进行比较就获得指示输出。 五、元件参数篇 1、主变压器 如利用原主变压,要选初级电感量在3mH左右,有些5mH左右的虽然能用,但效率低,功率管发热重。 如自绕变压器,用EC35磁芯,振荡频率55KHz的初级用0.8线绕18X2,次级每匝按3.5V计算,绕的顺序见下图。 主变压器绕制方法 ![]() 几种变压器数据 ![]() 限幅前波形 ![]() ![]() 4、消振阻容的数值是跟电源电压和振荡频率有关系,电压高、频率高的就选择容量低一点,阻值高一点,如300V电源仅用330P电容,如用0.01电容空载功耗将达几十瓦。 5、辅助变压器改绕 为了能给风扇供电,改接一下辅助接线。 ![]() ![]() 半桥电源有一个缺陷,就是在大功率输出时有100Hz左右的纹波出现(见下图),加大输入滤波电容会明显减小纹波。 在50V5A时的电源波(重绕变压器)原变压器是达不这个电压的功率。 ![]() ![]() 场管版60V电源测试,因电压表是50V的,所以只测50V。 短路测试 ![]() ,表头是可变精变的)。![]() ![]() 用模块电源的好处是纹波比较低,设置电压电流精度比较高,成本并没有增加多少。就是用ATX移植电源做隔离输出,模块做降压输出。 ![]() ![]() 可说的内容还是比较多,不多说了,再多可能没有耐心看了。如感兴趣就互动一下,知道的一定回答,不知道的也会回个音,最后的口号“活跃论坛靠坛友、论坛活跃为坛友” (责任编辑:admin) |


。(能全部看完这帖的肯定有耐心,能发现帖中错误的更是细心了

































