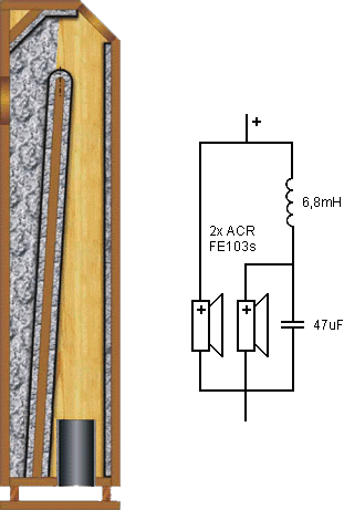
简介我碰到的第一位发言者项目之一是一个BD-管道的一套是由大卫Dlugos完成。当时,我什么都不知道关于全频扬声器,但我真的很喜欢时尚的外观BD-管道项目的成本似乎非常合理的。这是足以让我决定,我需要为自己的一套。那么,近两年后,它们在这里! BD-管道是一个全频的DIY音箱项目由Bert Doppenberg酒店的BD-设计使用ACR FE103驱动程序的设计。每个扬声器外壳使用两个全范围的驱动器,一个发射与其他烧成向上向前和向后在约45度。在阶段(推-推),导致在比一个单一的驱动器系统的输出电平较高的驱动程序是有线的,但更重要的是,后排驾驶员补偿为挡板衍射步骤,因此需要没有电子校正电路或交叉。 背景一个全范围的驱动程序尝试覆盖整个可听频谱,只使用一个驱动程序(即没有中档或高音喇叭)。只是有全频驱动器,扬声器系统,消除了电子分频网络,这是众所周知的,是非常困难的,不正确的声音色彩的设计需要。点声源从全范围的驱动程序通常会导致优秀的成像,无与伦比的清晰度和细节。有许多在市场上的全频驱动器劳瑟和FOSTEX是两个比较流行的驱动器制造商。 在BD-管道是折叠的,大体积的已加载圆锥四分之一波管(ML-TQWP),也称为作为四分之一波谐振器。一个TQWP常常被认为是最优的外壳使用全频驱动器的原因有两个。所述中间范围的频率被吸收由内部填充/阻尼材料(质量负荷)和由一个管道的几何形状。因此,管道中经常提及的特别清楚整个中档。此外,TQWP往往能得到最低音的驱动程序,这是非常重要的,因为全频驱动程序往往是低音挑战。大量的约四分之一波长谐振器的信息可从马丁·J.金的网站四分之一波长的扬声器设计。 真正吸引我的这个项目是面朝后的驱动程序,从而消除了需要一个挡板步补偿/校正电路(BSC) 。的折流板的阶跃响应现象(衍射损耗)发生时,驱动程序被安装在一个挡板。原因是,在高频率。扬声器仅辐射向前(半空间)。然而,因为低音是无方向性的,在低频率的扬声器辐射向前和向后方(全空间)。其结果是,高频率是约6dB高于在收听位置的低频,这就是被称为作为挡板步骤。为了弥补这种衍射的损失,您可以使用一个校正电路或使用面朝后的驱动程序。 DRIVERBD-管道设计用于与ACR FE103全频驱动器,我的理解是非常相似的FOSTEX FE103E。这两个驱动程序都已经不再生产。然而,BD-管道已经成功地完成了各种类似的驱动因素,如Radio Shack的40-1197,的福斯特(FOSTEX)FE103A“的和FOSTEX FE108西格玛。这将是合理的,期待BD-管道的工作以及与现金等价物,如FE103E,FE107E和FE108E Sigma公司目前的Foxtex。我的版本的BD-管道使用的Radio Shack 40-1197驱动程序。 外壳的设计这个项目的圈地计划不再适用于BD-Design网站。然而,计划在此网站上举办的外壳伯特Doppenberg酒店提供,并在下面的数字。 图02示出的阻尼材料的放置和无源滤波器的设计来塑造的频率响应由Bert有点。我选择不使用过滤器,但如果你发现明亮的扬声器,你可以试试过滤器。
建设 有一点我可以补充的围护结构,因为它是在朋友(安德烈她的父亲的帮助)我喜欢什么,打电话给明尼多萨音箱厂完成。我不能感谢他们足够的,因为如果是我的木工手艺,司机将仍然是他们的纸箱。桦木胶合板外壳构造和使用气钉枪和胶水放在一起。 ![]()
图片01:BD-管道桦木胶合板外壳
(责任编辑:admin) |



























