|
下载 (33.1 KB)
2011-6-11 10:02
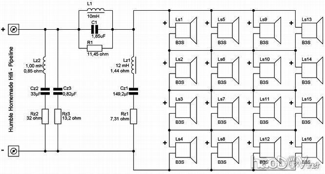
再贴点国外网友成功案例的部分内容: 全频的惠威B3S
惠威B3S音柱频响调整电路
惠威的B3S与B2除了b3s低音向下延伸点外,其余基本相似,故有很好的参考意义! 可否,在此与各位共同探讨 这几天,是梅雨季节,天天下雨,没办法还有的油漆未做完,只能等天好后做完油漆再总装。 另外,今天空闲时研究了音柱的接法,这是许多人关心的问题,到底是先并后串好;还是先串后并好。 上两个模拟计算图:图中的R1~R16为喇叭的阻抗,计算后得到两种喇叭功率分配结果,大家可以对比各个喇叭在不同的接法电路中的功率大小,相互之间功率的差额,及同等于喇叭的响度。对比的目的,通过不同的接法提高喇叭的一致性。此分析是否可行正确,请大家多多探讨!
![]() ![]()
![]() ![]() 图片是逆光拍的,所以细节可能不太清楚。箱体很重的底板下有减震钉转动不方便。看不清的地方,我说一下,后面板是用自攻螺丝固定的,螺丝 的顶面喷过黑色,所以不太显眼,间距是15公分。 总的来讲声音很好,特别是人声及大动态表现很棒,声音非常大,定位是音柱的强项很棒。缺点:高音的细腻度差了点,可能与单元有关。现正在学着搞SIA Smaart软件进行测试调整,到时再上图,看看效果。 (责任编辑:admin) |





























