|

經過幾天的測試跟試聽,終於搞定,等零件都到齊後就可以開賣~~
先來篇裝機報告
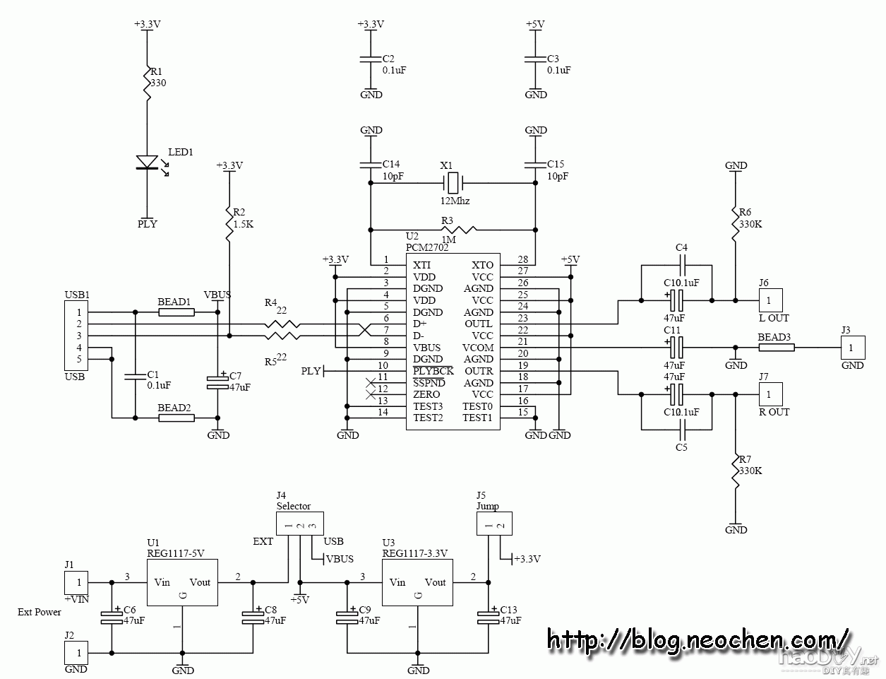
NeoMini USBDAC採用的是TI出品的PCM2702,這棵IC是27xx系列中最貴的D/A晶片
規格也是最好的,希望它能成為最佳的USB訊源方案..
為了方便各位同學惡搞,提高可玩性,電路板的設計盡可能的縮小...
小到...很小...嗯嗯...只有57mm * 40mm ,比信用卡還小很多..
讓各位可以將這片電路板塞到任何想得到的地方..
另外在電源供應的部份,除了可以吃USB電源(也就是說不用插電),也可以
自行換用更燒的外接電源...重點是..5V跟3.3V還可以分開供電...
這~~~這~~~這~~~讓各位盡情的惡搞囉!!
線路圖

零件表

最重要的IC > PCM2702,出貨時會預先焊上,請各位同學不用擔心!!

首先,先來焊焊高度最低的零件...穩壓IC
左邊的是3.3V,右邊的是5V

先上5V的(2007/06/21修正,感謝不知名網友電話告知!)

這邊教一個簡單的焊法,請先將中間那個焊點上一點焊錫

然後左手拿夾子夾住IC,右手拿烙鐵壓著焊點..就..固定好了

然後再將另外的幾個焊點焊上..

兩顆都焊上

各位實際收到的零件編號稍有不同,請以下圖為準
左邊U3是3.3V:IC編號是27AF
右邊U1是5V:IC編號是27AD

再來上電阻..只有七根....沒幾秒就可以搞定,記得是沒有方向性的,
怎麼插都可以

焊上

再來焊上磁珠,這個沒有方向性..

12Mhz的震盪晶體,一樣是沒有方向性,插哪邊都行
且這一次的震盪晶體跟DAC7010一樣,都是特別請生產工廠特別挑選
10ppm規格較優異體質較好的來用...保證讚的啦!!

底下的腳焊好後,記得正面外殼要跟旁邊的接地點短路焊起來

10p的基層電容,沒有方向性

再來上LED,這個有方向性,長腳為高電位,短腳為低電位,長腳要對應
電路板上標示為+的孔

焊上

再來上0.1u的WIMA小電容...一樣是無極性

47u的電解電容,有極性,長腳為正,短腳為附,圖中是ELNA RJ3系列
套件中附的會是Panasonic 頂級款的FM系列電容

全上..

再來上跳線針腳,如果要使用USB內建電源,請直接將右邊jump 2 pin
的孔短路起來,左邊的3 pin將USB那端的2 pin短路...
外接電源的話,左邊的3 pin要將EXT那端的2 pin短路,右邊jump 2 pin
的孔一樣短路..
板子上的設計是3.3V是從5V的再穩壓出來的,所以如果3.3V的您也要
獨立供電,右邊的jump開路就行了..剩下的自己搞吧..搞到這個階段
的同學應該看了就會做了

最後焊上最搭的USB座...

完工..

到這邊,這部USBDAC就能發聲了,但如果您是初學者,請先別急,小弟後面
會再寫幾篇關於外接電源的玩法,以及與其它模組搭配的玩法...
(责任编辑:admin) |