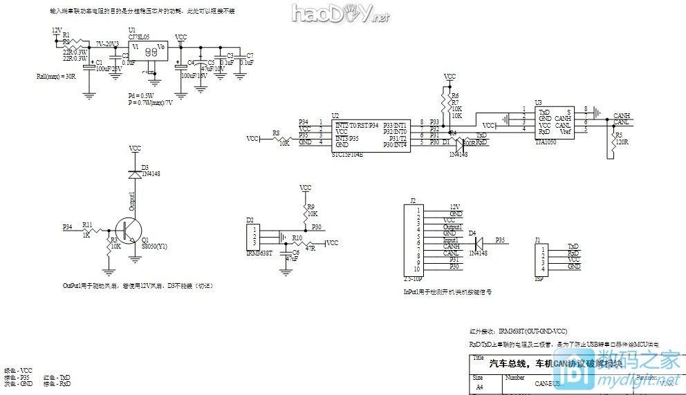
Protel99格式,内含C Can-BUS硬件源文件.rar (47 K) 下载次数:70 附件是Protel99格式的硬件源文件,内含C语言的程序。(C语言程序出处另有其人,看下文)
左下角的那些文字,和大家没关系,是我自己实物拉的线,留个记号罢了。
尺寸实际很小的(41*22mm)
源程序出之本坛@decai 大神的,另外经过另一高人修改:amoBBS的LCRPN http://bbs.mydigit.cn/read.php?tid=1614190 功劳是别人的,我是个执行者!预留了红外接收头,等空暇至于捣鼓遥控用。 (责任编辑:admin) |


Can-BUS硬件源文件.rar (47 K) 下载次数:70 














