|
13款新天籁的CD车机,NISSAN CQ-JQ12K0AD 日本松下的 但是是大连加工的,也不差,松下的,拆开图片没有拍,做工不错 是原厂的,没有任何问题,里面一层不染,全新机器呀, 电源用的12V10A电源,不过貌似5A的就可以带动了
先上图一个看看
开机界面,日产logo
因为我直接把ACC线和电源短接了,所以时间没有保存,以后搞外壳的话不这样,还有一个时间显示,还有信号,电池,蓝牙,是手机连接蓝牙 这个还是很ok的
细看,这个最爽的,很漂亮,手机拍的,不给力,实物很OK
音量的
测评USB 我试了一下,金士顿的不可以用,其他的都可以,上图是用内存卡加读卡器的效果 100多首歌曲,都可以,而且还可以用右边的旋钮选歌,滑动快速,不用一首一首的,屏幕大气,可以显示5首歌曲,还算是可以了
带歌曲名的哦
音量调节,有显示
蓝牙测评,音响好,也不知道蓝牙.几,反正效果和插线没区别,呵呵而且还有歌曲名显示,屌爆了,上面有电量,信号等
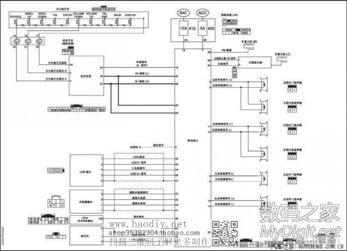
后面接线,我没有买电源接线,直接插上去的,接线图我在整理中,如果大家有需要我发上来
电源 10A 12V
全图
日产
喇叭
外加 iphone USB连接,真心屌爆了 读取中
显示出来了,
调歌曲
播放, 此款CD机 有4个声道,听起来很不错,还有倒车视频,我用不到 FM AM 没有天线没有调试,不过改家用的,算是ok了 外壳正在打算做,大家有没有好的想法,或者有雕刻机,有亚克力板的供应可以联系我,做出来给大家看看效果
USB
接线图奉上 DIY传送门:http://bbs.mydigit.cn/read.php?tid=901079 (责任编辑:admin) |











































