为朋友DIY的耳放ZEN原计划今天完工的,没想到焊个步进电位器把人整得半死![]() 心浮气躁之下还是收工为妙,免得稍有不慎功亏一篑。最后的调试延到下周吧,上写图片先 ![]() 好多PP不知为何没能发上去,晕!再补发一次。 面板总成。 ![]() ![]() ![]() ![]() ![]() ![]() ![]() ![]() ![]() ![]() ![]() ![]() (责任编辑:admin) |
为朋友DIY的耳放ZEN原计划今天完工的,没想到焊个步进电位器把人整得半死![]() 心浮气躁之下还是收工为妙,免得稍有不慎功亏一篑。最后的调试延到下周吧,上写图片先 ![]() 好多PP不知为何没能发上去,晕!再补发一次。 面板总成。 ![]() ![]() ![]() ![]() ![]() ![]() ![]() ![]() ![]() ![]() ![]() ![]() (责任编辑:admin) |
一、 唠叨一下 尘封了三年的芯片了吧,大学时期狠下......
首先要咯嗦下:本人酷爱音乐和电子DIY制作的作品很多,本着实用,经济的思想,追求完...
题目说明: aier就是我在论坛上的注册IDA4代表我最近设计的第4款耳放,甲类是因为我设...
用1A2做的单灯耳放,音量很大,感觉音质比2P2好。 2011-12-25 17:09:10 上传 下载附件...
首先来张电路图, 运放opa2132p耳放,耳机放大器,运放耳放,opa2132,...
做了很长时间洞洞板,决定自己开板设计台耳放,但是因为自己还不会protel99,所以PCB...
采用ne5532、AD827等运放的简易
更新:2012-08-25
大家都来晒晒自己的歌德RA1(455
更新:2012-08-27
6922(6dj8,6n11)电子管推irf610
更新:2012-08-27
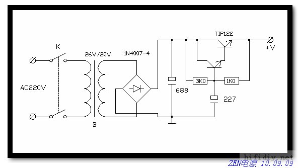
ZEN 的耳放电路 采用irf610 耳机
更新:2012-08-28