最好的电子音响科技diy制作网站

haoDIY_音响电子电脑科技DIY小制作发明

当前位置: 主页 > 音响DIY > 耳放DIY >

曼陀林工作室完工的叶立12au7+el91电子管胆机耳放

时间:2013-02-12 11:12来源:www.tubebbs.com 作者:欧姆 点击:
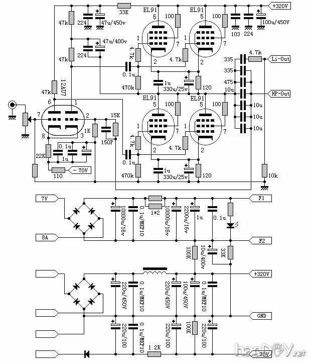
已经完工了,现在整理出来给大家看,测试指标大家看图就明白了 内部布线.JPG (88.85 KB) 耳放输出右声道频响与相位.JPG (67.24 KB) 耳放输出右声道频响与相位.JPG (67.24 KB) 耳放输出左声道频响与相位.JPG (67.22 KB) 耳放输出左声道失真.JPG (75.8 KB) 我
已经完工了,现在整理出来给大家看,测试指标大家看图就明白了


曼陀林工作室完工的叶立12au7+el91电子管胆机耳放

 

内部布线.JPG (88.85 KB)

 

曼陀林工作室完工的叶立12au7+el91电子管胆机耳放

 

耳放输出右声道频响与相位.JPG (67.24 KB)

 

曼陀林工作室完工的叶立12au7+el91电子管胆机耳放

 

耳放输出右声道频响与相位.JPG (67.24 KB)

 

曼陀林工作室完工的叶立12au7+el91电子管胆机耳放

 

耳放输出左声道频响与相位.JPG (67.22 KB)

 

曼陀林工作室完工的叶立12au7+el91电子管胆机耳放

 

耳放输出左声道失真.JPG (75.8 KB)

 

曼陀林工作室完工的叶立12au7+el91电子管胆机耳放

 


曼陀林工作室完工的叶立12au7+el91电子管胆机耳放
(责任编辑:admin)
织梦二维码生成器
顶一下
(1)
50%
踩一下
(1)
50%
------分隔线----------------------------
发表评论
请自觉遵守互联网相关的政策法规,严禁发布色情、暴力、反动的言论。
评价:
表情:
用户名: 验证码:点击我更换图片
栏目列表
推荐内容