|
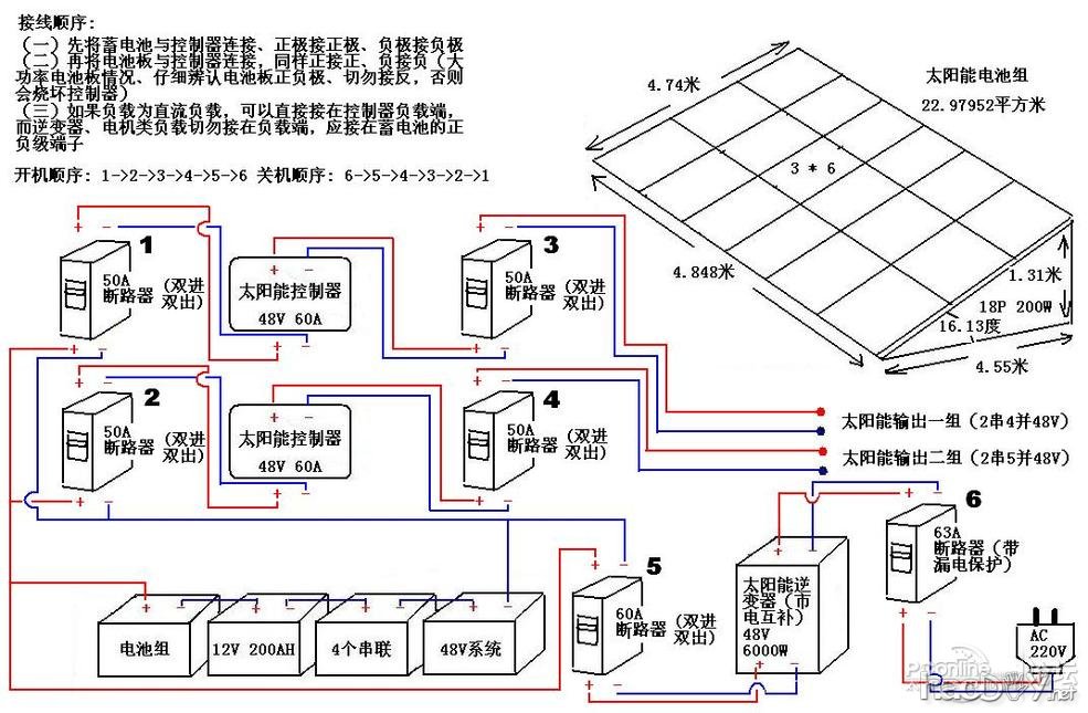
图 经过了天兔台风的肆掠,体会到台风的威力;跟制作太阳能板支架的师傅强调要用好的材料,可以抵御12级台风的级别才行,所以不锈钢材都是用加厚的需要订货才行。 ![]() 整体图,一共是18块200W的单晶硅太阳能电池板,每个板子可以独立拆卸,方便以后维护。 ![]() 安装之前需要先试好每块板子的螺丝位是否正确,螺丝也是不锈钢的,一劳永逸,不用考虑生锈问题。 ![]() 做好的支架整体图,待会需要四个人才可以抬起来,非常重 ![]() 不锈钢支柱底座,也是不锈钢的,开孔非常困难,一共六条支柱。 ![]() 这个是机柜,一共三层,最上面一层放置逆变主机和太阳能控制器,断路器等开关设备,第二、三层是电池位置,可以放置8个12V 200AH电池 ![]() 12V 200AH太阳能专用深循环电池,非常重,搬到6楼,手都快断了 ![]() ![]() 预留好开孔位,需要考虑仪表,布线,开关按钮,风扇等 ![]() 完工效果图 ![]() ![]() ![]() ![]() ![]() 机柜上有输出交流电压,输出交流电流,蓄电池电压,机柜温度,以及对应的按钮,风扇开关,室外LED光管开关等,还有两个预留开关。 ![]() 18块太阳能电池板分为两组,一组2串4并,另外一组2串5并,分别接60A太阳能控制器;以下这个是自己DIY的汇接箱,可以实时直观的看到目前太阳能发电情况,红色的是电压,蓝色的是电流,红色电压在带负载的情况下可以达到55左右,空载的时候最高可以达到90左右(11月日照)蓝色电流最高的一组可以达到23A左右(10块板子) ![]() ![]() ![]() ![]() 机柜内部情况,黑色的是6000W逆变主机(直流主供型,可以充分利用太阳能发电,蓄电池没有电的情况下会直接切换到市电,待蓄电池充满又自动切换回逆变供电,切换时候不会有任何感觉,无缝切换),蓝色那个是双电源自动切换开关,如果关闭逆变主机则会自动切换到市电,这个切换是有时延的,大概1秒左右,断电有感觉。其它的就是断路器和漏电保护开关。 #p#分页标题#e#![]() ![]() ![]() 2个60A的太阳能控制器,具有很详尽的实时数据查看功能,可以了解当前电池电量,温度,充电电流,电池电压,发电安时数,用电安时数非常好用。有个8A的开关电源,主要用来提供仪表,机箱风扇,室外LED光管12V直流供电用。几个两相和三相插座是测试用。 ![]() ![]() 每一层都有一个散热风扇,目前温度可以控制在30度以内 ![]() ![]() 双电源切换开关 ![]() ![]() ![]() ![]() ![]() ![]() ![]() ![]() 全景图,中间太阳能电池板之间的接缝考虑到漏水问题,使用了铝箔纤维胶布,可以防晒,防水,而且不容易撕烂,粘性很强。 ![]() ![]() 最下面有水槽,雨天接水可以用来浇菜淋花。 ![]() 整体结构,比较牢固,应该可以抗击台风。 ![]() ![]() ![]() ![]() ![]() ![]() #p#分页标题#e#![]() ![]() ![]() ![]() ![]() ![]() 每块板子都使用MC4专用接口相连,维护便易,走线使用铁线槽较为耐用,线槽下有四条防水LED光管,晚上非常亮。 ![]() ![]() ![]() ![]() 让师傅做了一个梯子,方便攀爬维护 ![]() 一段时间后太阳能电池板表面会积聚灰尘,从而使发电效率受到影响,需要定期对板子进行清理。以下是太阳能板子的清理利器(洗车用,带水枪) ![]() ![]() 清洁后的板子焕然一新(最好选择太阳快下山的时候清理,这时候板子已经凉下来,而且已经不在发电状态) ![]() 抛砖引玉的两块小板子,太阳能应急灯用,很方便,用它做过太阳能仰角测试 ![]() ![]() ![]() 太阳能热水器,用了几年了,就是从它开始发现太阳能的好处。 ![]() 这是卫星天线,另外一个爱好 ![]() ![]() 避雷器的安装 直流避雷器,每路电池板接一个(最好安装在保险丝和断路器后面),地线接机柜即可(要求是接最近的钢架结构) ![]() ![]() 交流避雷器(图中黄色热缩管包着的就是地线,还没有找师傅焊好接口,只是简单的靠在钢架上)#p#分页标题#e# ![]() ![]() 太阳能直流电表改太阳能电池供电(直流电流表需要至少DC 4V以上电压供电最多28V,所以不能使用48V的太阳能电池供电只能另外搞两块小板子专门供电。使用开关电源供电晚上没有任何电流经过也是浪费,最重要的是两个直流电流表使用一路开关电源供电容易烧毁,必须分两路电流供电才能稳定。) ![]() 太阳能电池板只有巴掌大小 ,很可爱(外形尺寸:130×190×15MM 输出电压/电流:9V、260MA 功率:2W-2.3W) ![]() 专门做了一个不锈钢支架支撑两块小板,DIY夹具固定在扶手上 ![]() ![]() ![]() 安装无线视频监控摄像头以及网络摄像头,实现电视、手持2.4G无线视频接收设备以及电脑、手机远程实时监控太阳能发电情况。 2.4G无线影音传输设备,可以连接电视收看。 ![]() 手持2.4G无线影音接收设备,无需开电视,快捷方便。 ![]() 海康威视C2网络摄像头,支持WIFI,可以实现在电脑手机远程查看。 ![]() 用铝合金材料DIY的摄像头支架 ![]() ![]() 摄像头支架直接固定在机柜上,需要打开柜子的时候可以将支架向后拨。 ![]() ![]() ![]() ![]() 可以在电脑上远程查看发电情况,也可以安装专用软件在手机上看,无需购买网络域名,配置很简单。 ![]() 更换PC级双电源自动切换开关和安装远程遥控断路器 二级遥控断路器(带配电箱)考虑到系统整合和美观最后决定只使用内里配件安装 ![]() 白色的两个是3000米超远距离双键遥控器,实际测试一楼遥控六楼不锈钢机柜内断路器无压力 ![]() PC级双电源自动切换开关,切换时间小于80MS,不会造成日常电器断电(实测LED灯会闪一下,但是电视、洗衣机、冰箱等日常家用电器不会断电)。 #p#分页标题#e#将PC级ATS开关和遥控断路器固定在电工木板(酚醛层压纸板)上然后再固定在配电机柜内,用束线整理好电线完工图。 ![]() ![]() ![]() 可以根据用电情况在太阳能和市电间自由随意切换。 ![]() 超远距离断路器遥控开关 ![]() 机柜内设备安装暂告一段落,继续学习研究 ![]() 附设计图纸以及部分资料(注意广州的太阳能电池最佳角度为16.13度,惠州纬度差不多,我最后定为18.81度) 最佳倾斜角一般和当地的纬度有关,根据具体的情况其增减有所不同,以下可做参考: 城市 纬度θ(°) 最佳倾角(°) 哈尔滨 45.68 θ+3 长春 43.9 θ+1 沈阳 41.77 θ+1 北京 39.8 θ+4 天津 39.1 θ+5 南京 32.0 θ+5 太原 37.78 θ+5 郑州 34.72 θ+7 西宁 36.75 θ+1 兰州 36.05 θ+8 银川 38.48 θ+2 西安 34.3 θ+14 上海 31.17 θ+3 长沙 28.2 θ+6 广州 23.13 θ-7 海口 20.03 θ+12 南宁 22.82 θ+5 成都 30.67 θ+2 贵阳 26.58 θ+8 昆明 25.02 θ-8 拉萨 29.7 θ-8 合肥 31.85 θ+9 杭州 30.23 θ+3 南昌 28.67 θ+2 #p#分页标题#e#福州 26.08 θ+4 济南 36.68 θ+6 一般情况也有直接取其纬度,或直接加5,加10 ![]() ![]() ![]() ![]() ![]() ![]() ![]() 最后总结,一共使用18块200W单晶硅太阳电池板3600W系统,4个12V200AH电池串联成48V,逆变器是48V 6000W的,可以支撑3台2匹空调同时使用,两层楼所有生活用电、以及网络、监控、自动水泵、楼道灯都使用此逆变器供电,可以满足日常生活需要。需要注意的是逆变器可以调节充电电流如果不想使用市电供电可以将此电流调节为零,那么就可以更加充分利用太阳能发电。4个电池可以满足一整晚用电,到第二天7、8点太阳升起又继续使用太阳能供电,蓄电。不用自己花一分钱电费。4个电池还是少了点,考虑到放电过快(两组电池与一组相比电压稳定许多)和对大功率电器的支撑,现在已经增加到8个电池一共是200 * 8 = 1600AH(因为逆变器有电池的保护机制,最多可以使用70%,折算起来大概可以使用到11.2度电),这样可以在没有阳光的情况下使用1天左右(各个家庭用电情况不同,可以根据自己家庭用电情况增减)。现在用了几天4个电池的话最多发电一天是11度多,因为没有更多电池充电,也用不了这么多电(8个电池还在测试中)。整套太阳能发电系统花去近5万元,其中不锈钢支架和机柜布线就花去了16000,还有就是电池太贵。自己做了很多前期学习研究才下手,总的来说还是对太阳能很满意,希望以后电池技术能有突破,可以存电更多,更耐用。相信以后太阳能一定会更加普及。 |




















#p#分页标题#e#























#p#分页标题#e#








































#p#分页标题#e#
























![[视频] 全实木制作的仿古电子管](/uploads/allimg/120910/1-1209101252210-L.jpg)
![[视频] 山寨柏林之声前级、山寨](http://pic.hifidiy.net/www/SWJ/6.21/pass_480.jpg)



