最好的电子音响科技diy制作网站

haoDIY_音响电子电脑科技DIY小制作发明

电子爱好者业余制作——呼吸灯

时间:2017-06-16 10:40来源:数码之家 作者:scott331 点击:
一、呼吸灯的简介呼吸灯电路一般用于装饰玩具或者一些有特色的电子产品,比如雷蛇的一些鼠标,由于它的亮灭频率很像人呼吸的频率因此人们形象的称之为“呼吸灯”或者“呼吸闪灯”。二、呼吸灯的原理图网络上一般呼吸灯多用555时基电路IC来制作,见图一、图二

一、呼吸灯的简介
呼吸灯电路一般用于装饰玩具或者一些有特色的电子产品,比如雷蛇的一些鼠标,由于它的亮灭频率很像人呼吸的频率因此人们形象的称之为“呼吸灯”或者“呼吸闪灯”。
二、呼吸灯的原理图
网络上一般呼吸灯多用555时基电路IC来制作,见图一、图二。
电子爱好者业余制作——呼吸灯
图一

电子爱好者业余制作——呼吸灯
图二

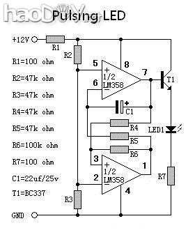
由上图可见,555时基电路需要3个电容,这对体积有要求的物品,比如鼠标来说是无法安装的。因此我选择了下图,见图三、图四。
电子爱好者业余制作——呼吸灯
图三
电子爱好者业余制作——呼吸灯
图四

图三、图四,选用了LM358普通双运放,图三比图四又少用了一只电阻和二极管,从体积上和成本上考虑,我选择了图三作为制作图。
三、PCB板与元器件的选择
PCB板就是我们俗称的电路板,从覆铜面上,分单层、双层或者多层,又根据基板材料不同分为环氧树脂板、纤维玻璃板、纸基板等,一般业余爱好者制作多选用单层树脂板,主要是方便制作成本便宜。
元器件上,我们选择了图三,所以要先记下元器件的参数规格以及数量,电阻全部选用1/8W普通碳膜电阻,电容选择耐压16V或者25V普通电解电容,三极管按照图纸型号BC337购买,集成电路(IC)按照图纸型号LM358购买。这里需要注意的是三极管的基极(B)、集电极(C)、发射极的区分(E),详见图五。
电子爱好者业余制作——呼吸灯
图五

四、PCB的设计
有了原理图和元器件,我们就可以着手进行PCB的设计了,以前爱好者多用手工绘图的方法设计自己的PCB,一个简单的图要花上一段时间才能设计完毕,现在随着计算机的普及,一些智能软件的应用,即使很复杂的原理图也能很快的设计完毕,如大名鼎鼎的protel99se等,但对于业余爱好者来说,这些很专业的软件需要学习很长时间才能熟练运用,好在现在有很多拿来就能上手的软件,比如微软自带的画图工具就可以,当然,画图工具毕竟太过于单一,画起来很费力,我这里推荐用《Layout50_chs》这个软件,此工具软件简单实用,画一些简单的PCB绰绰有余,还能预览成品的样子,输出转印图或者雕刻机用的文件,请见图六。
电子爱好者业余制作——呼吸灯
图六

具体的使用,请各位参照该软件的使用说明,我这里只说说如何设计PCB。
PCB设计的好坏关系到作品的成败,因此要严格遵照PCB一般设计规则:
首先是电源和地线的走线
1、  在电源与地线间设计退耦电容,实际上在要求不高的场合,常常将电源(VCC)与地(GND)的引入端平行设计一段,相当于接入了一只退耦电容。
2、  在有限的版面尽可能加宽地线、电源线、信号线,一般来说最宽的是地线其次是电源线再次是信号线,地线一般设计在PCB的最外边,在设计模拟电路时注意一点接地或者米形接地,不要将地线围成一个框子,防止自激产生。
3、  如果使用了双层或者多层板,请将没有用到的区域与地线相连,可以起到抗干扰的作用。
其次是元器件的布局
1、  元件摆放一般为卧式,也有立式,也有混搭的,但不管怎样,请注意元件的间距问题,不要一味的追求小而让元件无法安装。
2、  尽量对齐元件,一个美观的PCB首先要看它的元件是否整齐。
3、  电容、电感下方尽可能不要安排走线,防止自激。
4、  电源输入、信号输入端、信号输出端设计的不要太近。
最后是大件的布局
1、  散热器或者耦合用的变压器,这类物件尽量设计在边上,方便散热。
2、  开关、电位器、保险等常要切换的元件也要设计在边上,方便设计外壳。
根据以上业余PCB设计原则,我们可以大致确定呼吸灯这个项目的设计方案
1、  电源负极也就是地线要设计在外边,电源正极要与负极平行一段,占用面积要在版面里尽可能的大。
2、  电阻要卧式安装,走线从电阻下方走出,电容要离IC尽可能近,整体要对齐。
3、  充分利用IC下的空间,尽可能不用跳线。
4、  测量好元器件的实际尺寸,估算出最大误差量,控制好误差。
5、  版面要最小化,方便后续改装其它产品时可以安装进去。
图七为我设计的呼吸灯PCB成品模拟图以及热转印图。
电子爱好者业余制作——呼吸灯
图七

电子爱好者业余制作——呼吸灯
热转印图

五、PCB的制作
PCB的制作种类和方法很多,早先都是手绘,直接将设计好的PCB图用油漆或者防水的记号笔画在覆铜板上,再去腐蚀。也有用黄胶带先粘在覆铜板上,将画好的图垫一层复写纸,用圆珠笔复描一边,之后将不需要的黄胶带扣掉,再腐蚀。现在随着计算机普及,办公自动化设备也都很普遍,打印的东西精度都很高,所以上点档次的业余制作PCB基本上都在用热转印或者更高级的光转印技术,这两种都是用打印机将热转印图纸打印出来,热转用的纸是光面的蜡光纸(不干胶贴纸的衬纸),光转是将图打在透明的塑料纸上,然后压在光敏PCB上曝光,之后放药水里显影,再去腐蚀。光转的PCB精度可以和专业厂生产的PCB媲美,不过工序要多很多,追求完美的业余爱好者大都使用此法,本制作不需要太高的精度,所以没有选用光转而使用了热转法制作,下面介绍我的制作过程。
1、将设计好的PCB图打印在光面纸上,注意图一定要打在光面上,如图八所示。
电子爱好者业余制作——呼吸灯
图八
2、选择尺寸差不多的覆铜板(要稍大一些)并打磨干净,见图九。
电子爱好者业余制作——呼吸灯
图九

打磨可用干水泥粉或者橡皮擦,打磨后光亮如新,见图十。
电子爱好者业余制作——呼吸灯
图十

3、将热转印图适度裁切,见图十一。
电子爱好者业余制作——呼吸灯
图十一

4、将热转印图光面压向覆铜板铜皮一侧,并固定好,见图十二。
电子爱好者业余制作——呼吸灯
图十二

5、将老式熨斗加热至140至170度左右,见图十三。
电子爱好者业余制作——呼吸灯
图十三

6、均匀的压上熨斗,如需移动,要一个方向的运动,不可来回熨,防止错位。待压上十多秒之后,观察一下转印纸与覆铜板是否严密的粘在一起,如果已经严密的粘在一起了,就不要在压了,如果没有,需要继续压,直至严密的粘在铜面上。待自然冷却后就可以揭下转印纸了,见图十四。
电子爱好者业余制作——呼吸灯
图十四

7、观察一下转印后的覆铜板,看看有没有漏的地方,如果有,用防水记号笔补画一下,见图十五。
电子爱好者业余制作——呼吸灯
图十五

8、确认没有漏印的地方后,放入三氯化铁,加入温水,将印好的板子放入,三氯化铁溶液中扣板,见图十六。
电子爱好者业余制作——呼吸灯
图十六

9、待溶液将不需要的铜皮‘吃掉’后,用清水洗净板子,将不要的地方裁切一下,见图十七。
电子爱好者业余制作——呼吸灯
图十七

10、给板子打好眼,见图十八。
电子爱好者业余制作——呼吸灯
图十八

11、打好眼的板子,迎光严查一下,见图十九。
电子爱好者业余制作——呼吸灯
图十九

12、将板子上的碳粉用刷碗的钢丝球擦去,板子就算基本完成,见二十。
电子爱好者业余制作——呼吸灯
图二十

13、补充,如果追求完美,还需要将丝印也转印上去,背面要用感光绿油做阻焊,这里我没有做。
六、安装元器件
元器件的安装按照以下顺序进行
1、  将所用到的元件先简单的测量一边,见图二十一。
电子爱好者业余制作——呼吸灯
图二十一

2、  按照先小后大、先上电阻再上电容最后上IC、三极管和发光二极管的顺序安装元件,焊盘要控制好锡量,不能过多也不能过少,最后安装完毕见图二十二。
电子爱好者业余制作——呼吸灯
图二十二

七、实测和改动
焊接完毕后,我接上维修电源测试发现,电压在5V,选用22UF电容,发光管常亮,没有‘呼吸’,高于5.5V则开始‘呼吸’,如果将R1电阻直接短接,在4.5V也能呼吸,因此建议大家如果使用5V做电源的话,可以不用安装R1。

又发现如果在5V时用22UF电容则显得‘呼吸的比较急促’,选47UF的电容则比较像‘呼吸’,因此我建议大家在使用5V的情况下选用47UF的电容。
八、作品展示
做这个灯打算用来装饰鼠标,如图:二十三。
电子爱好者业余制作——呼吸灯

我的PCB是按照原理图的图三做的,当然,设计PCB的时候我是按照我自己的思路进行排版的,没有严格遵照图纸设计,因为那样排版不好跨线,集成电路IC的4脚为地,8脚为VCC,我是以电源最短这个思路进行PCB设计的,按照下图是不是好理解呢?呵呵,其实是一样的。
电子爱好者业余制作——呼吸灯
如果使用5V做电源,请将R1直接短接,电容选47UF的,还有LED最好选用普通红色光的,效果非常好。
(责任编辑:admin)
织梦二维码生成器
顶一下
(0)
0%
踩一下
(0)
0%
------分隔线----------------------------
发表评论
请自觉遵守互联网相关的政策法规,严禁发布色情、暴力、反动的言论。
评价:
表情:
用户名: 验证码:点击我更换图片
栏目列表
广告位API接口通信错误,查看德得广告获取帮助
推荐内容
广告位API接口通信错误,查看德得广告获取帮助