欢迎光临haoDIY - DIY制作从这里开始!

haoDIY创好电子音响电脑科技DIY小制作发明

  • diy小手电改装为LED手电 [led灯光手电] diy小手电改装为LED手电 日期:2013-01-21 12:36:11 点击:367 好评:0

    下图中的这把小手电,是两节5号电池供电的。原来安装的是普通的2.5V的聚光灯泡,相当费电。。。。 决定改为LED发光。 由于原手电用的是聚光灯泡,所以没有反光碗...

  • 自制用0.3V废旧电池驱动LED [led灯光手电] 自制用0.3V废旧电池驱动LED 日期:2013-01-21 12:25:18 点击:390 好评:-2

    利用一个0.3V左右的废旧电池,来驱动LED灯 ,40KHZ的脉冲。成本不超过1元!先将制作方法和电路图,再秀成果~ 步骤如下:1.准备一个磁环,电子市场多得是,很便宜...

  • 制作1.5V升压拉个LED [led灯光手电] 制作1.5V升压拉个LED 日期:2013-01-21 12:25:00 点击:177 好评:0

    准备的东西有:一个绕好的电感(PS:我的绕了30圈)、一个9014三极管、200欧左右的电阻、几个LED、一节5号电池三极管的EBC是这样子区分滴哇咔咔 看我的超级盗版...

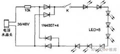
  • diy自制LED电话灯 [led灯光手电] diy自制LED电话灯 日期:2013-01-21 12:11:51 点击:85 好评:0

    我用的是11个白色高亮LED,一根旧的插头电话线,细电线,小开关. 旧网线皮,灯罩,一段铜线(是做灯竿,串到网线皮内,电源线也在网线皮内). 随自己的喜好焊接成喜欢的形...

  • 自制自制led强光手电聚焦透镜 [led灯光手电] 自制自制led强光手电聚焦透镜 日期:2013-01-21 12:03:18 点击:269 好评:0

    其实也不是什么自制朋友送的强光手电前面的聚光透镜没有了就里面的LED发光 光是散的买一个聚光透镜吧 觉得不划算搜肠刮肚 想不出办法直到有一天看到了这个——儿...

  • diy自制简易LED小台灯 [led灯光手电] diy自制简易LED小台灯 日期:2013-01-21 12:00:03 点击:260 好评:0

    所需材料;一小节铜线、一个或一些LED灯、一个开关、一块木板、烙铁、胶枪、两节电池盒、 先将一个或一些LED灯焊接在电路板上 然后再在后面焊接上两根铜线 然后...

  • diy自制激光投影钟表 [led灯光手电] diy自制激光投影钟表 日期:2013-01-19 10:38:07 点击:534 好评:2

    在家里翻出一个屏幕透明的电子钟 于是就做了一个这个材料;激光管是去了调焦加了散热的把透明的电子钟粘到铁架子上把激光管安到铁条上 然后把铁条弄弯用螺丝把铁...

  • 自制打造低成本的激光监听器(参赛) [led灯光手电] 自制打造低成本的激光监听器(参赛) 日期:2013-01-19 09:58:57 点击:3272 好评:-2

    我为大家打造一个低成本的激光窃听器所需的材料有﹕太阳能电池板 功放小音箱 激光笔 导线 (很少吧)不过在制作前我也说说激光窃听器的原理﹕当房间里有人谈话的...

  • 自制改3节AAA电池led手电为18650供电 [led灯光手电] 自制改3节AAA电池led手电为18650供电 日期:2013-01-19 09:47:35 点击:339 好评:0

    市面上便宜的LED手电大多用三节AAA可充镍氢电池供电,电压3.6V,容量只有700~900mAH,隔不了几天就要把电池取出来充电,很麻烦。手头有拆机的18650电池,容量高...

  • diy激光头安个家之激光手电 [led灯光手电] diy激光头安个家之激光手电 日期:2013-01-19 09:39:47 点击:304 好评:0

    激光头 手电 自制...

栏目列表
推荐内容
织梦二维码生成器
广告位API接口通信错误,查看德得广告获取帮助
广告位API接口通信错误,查看德得广告获取帮助