|
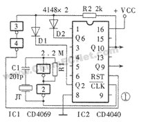
60Hz脉冲信号是时钟电路常用到的信号。本文先容一种60Hz脉冲信号产生电路,说明其存在的偏差,并给出镌汰偏差的改造电路。 电路构成 图1示出的60Hz脉冲信号产生电路,由石英晶体多谐振荡器和分频器两部门电路构成,个中IC1为“非”门电路CD4069,IC2为分频集成电路CD4040,JT为32768Hz石英晶体。 石英晶体、“非”门1和“非”门2构成石英晶体多谐振荡器,晶体JT和电容C1在电路中形成正反馈。晶体在它的固有串联谐振频率点f0的等效阻抗最小,以是电路的振荡频率就取决于晶体的固有串联谐振频率,与外接电阻R1、电容C1的参数无关。因为石英晶体的频率不变度可达10-10~10-11,以是可得到频率很是不变的振荡信号。IC2、“非”门3、“非”门4和D1、D2组因素频电路,它对石英晶体振荡器所发生的32768Hz的脉冲信号举办分频,在输出端Q10或Q9可获取60Hz的脉冲信号。
Q10端输出的信号是振荡频率的210分频,该信号的一个周期为振荡脉冲信号的1024个周期时刻,低电和善高电平常间各为振荡脉冲的512个周期时刻。同理,Q6端输出信号一个周期的高、低电平各为振荡脉冲的32个周期时刻,Q2端输出信号一个周期的高、低电平常间各为振荡脉冲的2个周期时刻。它们在Q10上升沿处的波形如图2所示。因为CD4040是降落沿触发,以是在Q10的上升沿处对应着Q6的降落沿。从图1可见,CD4040在Q10、Q6和Q2均为高电平(即Q10.Q6.Q1=1)时复位。从图2可以看出,电路复位呈此刻Q10高电平,Q6也高电平之后,Q2输出第一个高电平的时候。电路复位时Q10、Q6、Q2均回到低电平,Q10以及Q9输出脉冲竣事一个周期,开始新的周期。
减小偏差的电路 为了减小输出脉冲信号的频率偏差,可以恰当批改振荡脉冲信号的频率,详细做法是在电路上把图1的石英器件多谐振荡电路改为图3所示的可微调频率的石英晶体多谐振荡电路。石英晶体JT仍作为反馈元件,“非”门电路事变在线性放大状态,R1为其提供偏置。当振荡频率靠近晶体的固有串联谐振频率时,电路满意振荡前提。该电路仍具有异常不变的振荡频率。图3中C1、C2和石英晶体JT构成π形反馈收集,调解C1或C2的值,可以微调电路的振荡频率。 该电路的输出端接到图1中CD4040的端,输出的脉冲信号作为CD4040的计数脉冲。要使图1中CD4040的Q9和Q10输出60Hz的脉冲信号,计数脉冲的频率应为:f0=60×546=32760Hz。这一振荡频率在图3所示的电路中可通过调解C1或C2的数值来实现。
|



















