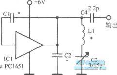
| 用 μPC1651制作的超高泼魅振荡器 
 | 
| 用 μPC1651制作的超高泼魅振荡器 
 | 
烙铁架虽然不不贵,但是对于极客来说,完全可以自己动手定做一个,而且自己做出来的肯...
以往切割压克力用锯子,但由于压克力受热会变粘通常很难切割,用电磨切也很危险,不小...
很多笔记本电源和手机等电源都采用超声波焊接,无螺丝结构,很多人为无损打开电源外壳...
7合1多功能剥线钳 剥线剪 线压钳剥皮电工钳子 5.00...
DSH-ZⅡ热风枪 (35元),做工虽然粗糙了一些,但售价相当的实惠!既可以加工塑料,也...
都是捡的公司里的废料,没事的时候自己加工的 。底座是一整块实心的,上面铣了海绵沉...
 烙铁架加工回来了,上图大家评审
							更新:2017-07-09
							烙铁架加工回来了,上图大家评审
							更新:2017-07-09
						 历时5个月 DIY JBC-245焊台
							更新:2017-08-03
							历时5个月 DIY JBC-245焊台
							更新:2017-08-03
						 再diy 白光数显电烙铁,这个电源
							更新:2017-06-24
							再diy 白光数显电烙铁,这个电源
							更新:2017-06-24
						 试做变压器式快速 电烙铁
							更新:2013-02-12
							试做变压器式快速 电烙铁
							更新:2013-02-12