|
在互联网遍布各个脚落的地球村期间,收集改变了人们传统的糊口方法。此刻计较机技能突飞猛进,宽带已走进千家万户,收集接入可以采纳多种方法,如单元局域网、AD-SL、ISDN、MODEN、电力载波宽带等等。最常用的毗连前言照旧五种双绞线,现已被收集工程广泛回收。我们组建收集时常要用到RJ45讨论,用压线钳作各类规格的接口,如图1所示。接口的优劣很重要,它影响收集毗连乐成与否。网线作好后,常用网线测试仪举办测试。这里先容一种简朴的网线测试器的事变道理,各人可以DIY。
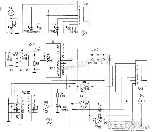
该网线测试器分两单位:一部门是发送单位,回收一块9V叠层电池举办供电,并有电源开关和绿色的电源指示灯。另一部门是吸取单位,有5个发光二极管指示网线毗连状态。
1.发送单位
电路道理如图2所示,回收3片集成电路和少量外围元件构成。CD4069是六反相器,构成多谐振荡器和LED驱动电路,CD4017是十进制计数器脉冲分派器。分派给网线吻合的测试脉冲,74LS367是六总线驱动器,帮忙发生网线测试脉冲。
2.事变道理
在图2中,CD4069内部的两个反相器N1、N2和R1、C1、R2组成正反馈收集,构成多谐振荡器,发生矩形脉冲。脉冲信号加到十进制计数器/脉冲分派器CD4017的⒁脚(CLK端),CD4017的⒂脚(RST端)加电时复位,⒀脚(CKINF1端)接地,对输入的脉冲记数。从Q1、Q3、Q5、Q7、Q9及CO输出脉冲信号,QI输出的脉冲加到D2正极,使D2导通。Q1的脉冲信号同时加到CD4069(U1A)的①脚,使它的输出端②脚酿成低电平,电流经D2、发送单位接口RJ45的①脚、被测网线、吸取单位接口RJ45的①脚、D11、吸取单位RJ45的②脚回到发送单位。假如D1 1点亮,表白①脚和②脚的网线是通的。Q3输出的脉冲加到D4正极,同时加到六总线驱动器74L-S367的⒂脚(E2端)和D4端,信号经74L-S367从Q4输出高电平,经4069的U1D倒相使发送单位的RJ45的⑥脚酿成低电平,电流经发送单位③脚、被测网线,输出到吸取单位,颠末D13,吸取单位⑥脚,对网线的③和⑥脚举办测试。同样原理,从Q5脚输出的脉冲加到D1正极和CD4069(U1B)的③脚,CD4069(U1B)的④脚输出低电平加到RJ45的④脚,完成对④脚和⑤脚网线的测试。Q7输出的脉>中加到D3正极和CD4069(U1C)的⑤脚,完成对⑦脚和⑧脚网线的测试。
假如网线毗连错误,流过的回路产生变革,发光二极管点亮状态产生变革,因此可确定毗连模式正确与否。假如测试的是BNC接口,Q9输出的脉冲加到D5正极和74LS367的D5和E1端,Q5输出高电平,经4069(U1D)倒相加到BNC的另一端,对BNC接口举办测试。4017的CO端同样会输出脉冲经R4加到DIO,电源指示灯闪烁。
3.测试功效
D11暗示RJ45的①和②脚的状态,D12暗示RJ45的④和⑤脚的状态,D13暗示RJ45的3和⑥脚的状态,D14暗示RJ45.的⑦和⑧脚的状态,D15暗示BNC
的状态。
网线正常时,LED为绿色;开路时,LED灭,按照LED点亮时序可以确定网线毗连状况。


(责任编辑:admin) |