|
对付一个常常修车的人来说,必然碰着过动员机节制用的磁脉冲式曲轴位置传感器,凸轮轴位置传感器,自动变速节制用的车速传感器破坏的环境吧?这种传感器的布局首要是一组用直径0.05毫米阁下漆包线绕制的线圈,这组线骗局在磁铁棒上然后塑封。线圈的阻值一样平常在400欧至1500欧阁下,破坏的特性大多是阻值无限大,线圈内部断路,短路的环境较少,破坏后都要买新的。由于塑封为一体,加上线径很细,不行能把它锯开,再找到断路的处所接上。买一个新的要几百元乃至上千元。那末毕竟能不能修复呢?我说,在什麽都不粉碎的环境下完万能修复。我们知道电源电压与回路之间留有必然的间隙时,当这个电压高出间隙中的绝缘电压,在这个间隙中就会放电发生火花。(和火花塞焚烧道理近似)正是操作这一道理,我搭一个很简朴的电路,可以或许发生2000V阁下的高压,把这个高压刹时接到坏的磁脉冲传感器上,在传感器线圈断路的处所放电发生火花和高温,断路点就会烧结。一样平常线圈断路点的间隙都很是小再加上在真空状态,烧结乐成的占大大都,很少有因没有烧结使断路点间隙加大的征象。另一个烧结乐成的首要缘故起因是,当传感器线圈烧结乐成后,线圈的直流电阻加在了高压的回路中,这个阻值对高压来说可以以为短路,造成振荡器负荷增进停振,接着按钮松开断电,以是传感器就保持在烧结乐成状态。
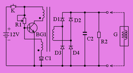
参看上图,电路道理是由晶体管BG1,升压变压器,电容C1,电位器R1,组成简朴的单管振荡器,将12V直流电压调动成2000V阁下的高频脉冲电压,经D1-D4构成的桥式整流器整流,通过C2举办滤波后可获得2000V以上的高压,R2的浸染是在回路中加一个负载电阻,停止高压处于开路状态。本线路元件的选用要求不高,BG1用2SC1512大功率NPN型三极管,R1线性电位器2K,R2-2M欧,C1-25V2.2uF电解电容,泄电要小,C2-0.22uF3000V高压电容,D1-D4用耐压大于3000V的二极管,K是平凡的按钮开关,G是待修复的磁脉冲式传感器。振荡变压器的制作要当真,过细,回收E12铁氧体磁心或罐形磁心,集电极振荡线圈用直径0.51毫米高强度漆包线绕40圈,基极反馈线圈用0.2毫米的漆包线绕20圈,次级高压线圈用0.09毫米漆包线绕1200圈,线绕集电极线圈,再绕基极反馈线圈,记着这两个线圈的同名端,最后绕次级高压线圈,因为次级电压很高,线层之间应加聚酯薄膜绝缘,尤其是高压线圈,绕一层线圈加一层绝缘,引出线套上绝缘套管,以免跳火。全部元件可以安装在全能线路板上,搜查无误后就可通电测试,通电后振荡变压器处能听到“吱吱”的高频啼声,表白电路已起振,调解R1,用万用表监测次级直流高压到2000V阁下,如电压不足可以减小R1阻值或调解C1巨细,使之到达2000V,整个电路就调好完成了。行使时,只要把坏的磁脉冲传感器接到高压输出端上,按动电源开关按钮,当顿时听到高泼魅振荡啼声紧接着声调变了或没声了,表白传感器已修复,如振荡声稳固革,声名没修睦,可以重复按按钮屡次,照旧没有乐成,可以调解减小R1阻值(在R1与电源之间最好串入一个470欧牢靠电阻,防备烧坏晶体管BG1),增高次级高压再试。 (责任编辑:admin) |
















