|
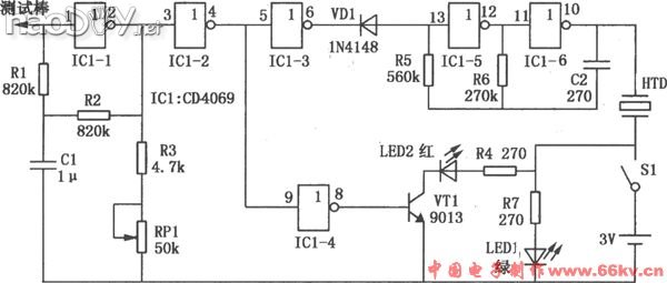
感到测电笔电路图如下
其迅速度比平凡测电笔高,且能悬空丈量导线是否带电,这是平凡测电笔所不能做到的。 ICl为六反相器集成电路CD4069,其反相器IC1-1及周围元件构成一个高输入阻抗、高增益的电压放大器。探针吸取到薄弱电场信号后,经该放大器放大输出,并通过反相器ICl-2整形去节制后级电路。反相器ICl-5、IC1-6和电阻R5、R5及电容C2构成多谐振荡器,其事变受控于反相器ICl-3的事变状态。探针检测到信号时,ICl-3输出高电平,二极管VDl截至,振荡器事变,敦促压电陶瓷片HTD发声。同时反相器ICl-4输出高电平,三极管VTl导通,赤色发光二极管LED2点亮,暗示被测导线带电。声鲜明示的迅速度可通过调解电位器RPl使之吻合,调理电容C2、电阻R5可以得到满足的音调。本电路耗电甚微,可用两节纽扣电池供电。 (责任编辑:admin) |

















