|
一直缺个可调电源,终于有机会做了一个。 之前不少坛友自制的数控电源,用的是风靡一时的3R33,但是现在3R33价格被炒作的太高了,玩起来不划算,于是我找了另外一款性能更好、性价比也更高的拆机模块,模块买来了小半年了,最近才有空玩起来。 先上成果图 (还没焊输出口的座子,不过不影响功能,还在纠结是用香蕉头还是dc座呢)
正面
背面
显示界面
参数 输入最大24V 24V是输出最大20V多点 电流6A没问题 电压电流数控调整步进0.001V 0.001A 电压电流取样分辨率0.001V 0.001A 用的单片机STM32F103RC 输出效果 精度自己感觉是可以接受了,不过再校调下应该还能有改善 恒压
20V的时候其实设定值是19.957,走了8个字,adc走的倒是有点多,加个校准点效果应该会有改善
恒流
主输出路恒压输出波纹
恒流
USB——5V输出路
大家回复帖子我都会给加分,欢迎回复讨论
[ 此帖被2545889167在2017-05-05 10:21重新编辑 ]
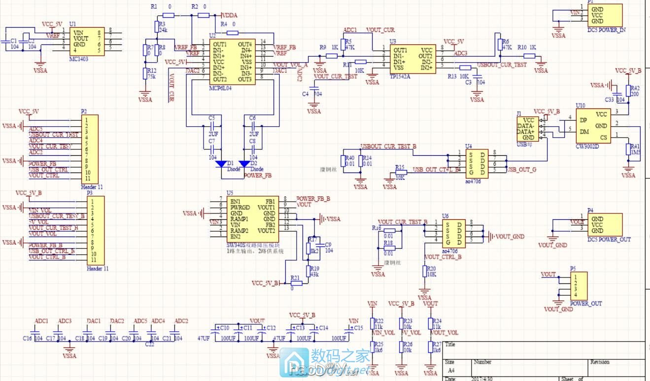
图上都是中文,就不打字说明了这次使用的降压模块是某岛国的拆解模块 名字叫SW 340 正面 ![]() 背面 ![]() 拆开 ![]() 使用的芯片是仙童家的FAN21SV06 24V6A降压芯片,双路 ![]() 芯片引脚非常奇葩 没有风枪最好就不要拆下来玩了 ![]() 典型应用图 ![]() 效率(仅供参考) ![]() 19.5V输入是能调整到的最高输出 ![]() 带载测试,在19.5V输入下测试 输出5V时 空载 ![]() 带载3A(测量了100毫欧取样电阻上的电压) ![]() ![]() 7.2V输出 空载 ![]() 3A带载 ![]() 5A带载 电压基本面不改色 ![]() 9V ![]() 6A 电压依然面不改色 ![]() 还有11V7A输出的,没拍到图片,因为刚刚接上,简易电子负载的取样电阻(100m欧)瞬间冒烟爆炸(功率4.9W,小贴片实在是耐不住,细点的康铜丝都有点悬),也是醉了。 给大家解释下,为毛测的电压越高,电流反而越测越大 这是mos管的输出特写曲线图 ![]() 简易电子负载的供电取自被测源,所以,当被测电压较低时,VGS电压不够大(比如5V输入,扣除线阻,取样电阻压降 VGS可能才4V),当VDS到一定的时候,管子饱和到恒流取,达到负载的极限,所以5V时只能测到3A,9V的时候,就能测到6A,原理就是这样 制作过程 当时写界面程序的时候留的两张半成品图 ![]() ![]() ---------------------------------------分割线----------------------------- 硬件制作过程 先准备好PCB(因为是拼板的,所以要自己切开,略费劲) 正面背面三围 #p#分页标题#e# ![]() ![]() 先焊上层板 先焊mc1403基准 4运放6L04(拆自一元pos机)和1117 ![]() 调整基准放大输出为准确的3.3V ![]() 接着焊MCU stm32f103(还是拆自一元pos机)强烈建议不要用GD32f103.虽然程序,引脚兼容,但是ADC太烂了,效果蛋疼 ![]() 焊接最小系统外围的元件。检查没问题以后下载固件 ![]() 焊屏幕 ![]() 接电屏幕显示正常 ![]() 焊调整电压电流用的大波轮开关 ![]() 完成上侧板除电流放大运放外的其他东西和排针 ![]() 接下来制作下层板 先焊模块 ![]() 背面焊好电容 此处上电,模块应该有1V输出和3.3V输出 ![]() 改5V路输出 拆掉1.5UH电感和一大堆元件 ![]() 换上10uh电感(不换也行,效率低,发热大点)焊上390K欧的RAMP电阻 ![]() 调整背面的取样电阻,使5V路输出5.1V左右 改主输出路 拆掉2.2UH电感和tvs ![]() 换10uh ![]() 拆RAMP电阻和取样电阻 ![]() 装上2M欧的RAMP电阻 ![]() 焊接输出mos管,座子等 上层板装上电流取样运放 两版插接,正常输出校准用的是分段校准,但是感觉现在分的段还是有点少,段中点偏差不小。后续再改改 长按下键进入校准界面 ![]() ![]() ![]() ![]() ![]() ![]() ![]() ![]() ![]() ![]() ![]() ![]() ![]() 电流有180mA 500mA 1A 2A 3A ![]() usb路电流 500mA 1A 2A ![]() ![]() boom惨案现场 调电源总少不了boom,电光火花黑烟,嘿嘿嘿 失控冒烟的模块 ![]() 简直叫火光四溅(还好没有正对这脸) ![]() 而且还拔错了电源,冒烟瞬间一把拉了烙铁的电源(拉错了),结果发现火花继续,痴呆了10秒才发现拉错电源了,应该是拉隔壁插孔,哎 ![]() pcb都炸没了一部分 ![]() 房间里味道一整天没散 ![]() 还有炸了的单片机和运放 注意,炸了的三样东西,还不是在一次事故里面一起炸的,是分别炸的 ![]() ![]() 还好单片机和运放都是来自一元pos机,重新再杀个机,损失没那么惨重 ![]() 这是自激的时候的输出波形 ![]() ![]() 后期改进: 首先是大家也看到了,我现在用的电容很烂,甚至那几个电解连耐压都不够 一个字,换。已经剁手了一些钽电容,还有一堆mlcc没上镜 ![]() 计划: 输入用一颗50V10uf黄豆 4-5颗50V15uf mlcc X7R 主输出 一颗35V100uf黄豆 2颗35V10uf黄豆 2-3颗50V15uf mlcc X7R 5V输出 一颗16V330uf黄豆 一颗16V100uf黄豆 2-3颗25V22uf mlcc 电容差不多15元左右,可以接受(虽然比降压模块+mcu+运放还贵) 全黄豆板厚度预计能缩减8mm左右,成这样厚 ![]() 然后程序方面 再优化校准 搞个快速调处电压界面,放常用电压 搞个锂电充电流程 输出保护(过压过流等等)(现在的mos只有开机避免尖峰的作用) 等等等 关于输出保护 之前测试了一下反馈速度 确实有振铃现象(开关电源都有的通病) ![]() 而且还蛮严重的 设置5V输出,500mA恒流 示波器开单次捕获 用镊子短接输出再松开,可以得到图像(也就是恒流到恒压切换时) 实际上最高震到了大约12.2V的样子,有烧东西的可能 ![]() 所以后面看看,能不能做到在恒流到恒压的瞬间,吧mos拉断等到电压稳定再导通。起保护作用。不知道速度能不能达到。 最后,就是外壳 目前能装进pos机盒子里 ![]() 专口袋里面就能走,到哪儿借个笔记本电源就能用 但是似乎不太好看啊,散热也不怎么好,等我再想想咋整个外壳呢 程序源代码 固件 原理图等等 ![]() #p#分页标题#e# ![]() ![]() ![]() ![]() 最后鸣谢坛友shi988(也叫雨中风) 数控源码 固件 原理图.zip (501 K) 下载次数:86 为自己打广告 diy锂电池暴力充电小板,3a充电无压力!!!(已更新4A无压力)|http://bbs.mydigit.cn/read.php?tid=2037194 GD32也疯狂!超频上avi视频解码播放 240*320 10fps|http://bbs.mydigit.cn/read.php?tid=2050795 做个超低成本简易任意波信号发生器 10hz-200khz http://bbs.mydigit.cn/read.php?tid=2019668 魔改UT33D万用表--锂电供电+自动休眠+摇晃唤醒+背光控制http://bbs.mydigit.cn/read.php?tid=1952403 用STM32F103做个简易无损音乐播放器,软解FLAC/MP3/WAV|http://bbs.mydigit.cn/read.php?tid=1925663 (责任编辑:admin) |




























































































数控源码 固件 原理图.zip (501 K) 下载次数:86 













