最好的电子音响科技diy制作网站

haoDIY_音响电子电脑科技DIY小制作发明

当前位置: 主页 > 电子DIY > 工具仪表 > 仪器仪表 >

【参赛】学做GS-300A型电子管测试仪

时间:2017-08-07 13:54来源:www.crystalradio.cn 作者:apple199 点击:
【参赛】学做GS-300A型电子管测试仪 ,矿石收音机论坛
学做GS-300A型电子管测试仪(上)

电子管爱好者几乎每天都要与电子管接触,修理或者装新机时特别想知道新换上的电子管性能好坏,灵敏度高低等指标,通常的办法是找一台正常工作的机子插上被测管来测试管子的好坏,因为没有数据指标,感觉很不方便。玩电子管时间久了,手中的旧电子管很多,很想根据性能好坏分拣一下,没有一个准确、易用的测试仪可怎么办呢?

过去的GS-5A型测试仪不单数量稀少价格昂贵而且没有测试卡就不能使用。其他型号的的电子管测试仪更是古董,淘来不易。旧机即使淘来,维修使用也是难题。在网上也发现有爱好者自制的一些简易测试仪,但是往往通用性不高,或者外观粗糙、标志不全,或者开关选项太多、容易拨错,损坏器材。

经过搜索相关网站资料后,仍然觉得没有更简易、通用的电子管测试仪,因此决定自己设计一台通用的电子管测试仪。在玩电子管方面,矿坛坛友水平是最高的,最好的自制测试仪自然也出现在这里。本人制作时学习了坛友“linpei”的《Diy收音机和功放常用电子管测试仪》,也学习了“geyun1234567”的《简易电子管测试仪》,特此致谢。

先上完成后的实物图供欣赏,在下篇中再详细介绍制作方法。
图9-1:面板及旋钮,图9-2:面板及旋钮,图9-3:完整面板图,图10-:6N2管测试图.
【参赛】学做GS-300A型电子管测试仪【参赛】学做GS-300A型电子管测试仪

图9-2:面板及旋钮.JPG (58.69 KB, 下载次数: 32)

下载附件

面板旋钮

2014-9-29 14:04 上传

 
【参赛】学做GS-300A型电子管测试仪【参赛】学做GS-300A型电子管测试仪 


学做GS-300A型电子管测试仪(下)

续上篇:制作电子管测试仪需要先拟订实施方案,重点考虑的问题是:通用性、易用性、造价和体积。在满足指标的前提下,还要做到紧凑,直读易用,结构牢靠,稳定可靠,这几个指标要靠电路设计的合理和外壳及内部结构来保证。在综合考虑多种指标和方案后,最终确定了双表显示屏流和跨导,数字辅助显示各电极电压的方案。

电子管种类繁多,从产地说有前苏联、欧洲产和中国标准型号三大类。从用途说有发射电子管(大功率)和小信号电子管,还分为高频管和音频管,要想使一台测试仪适应全部电子管是不可能的,我这次就划定本测试仪基本适用于常见的收音机电子管和音响小功率管,可以测试常见的前苏联和欧洲小功率管。这样划定测试范围,可以使得本测试仪变得简单,体积和造价可以接受,也不至于因为体积和耗电太大造成平时使用不方便。

过去的经典测试仪GS-5A由于使用了测试卡片,获得了最大范围的通用性。但是也因此造成每种型号的电子管都需要单独制作一个测试卡片,否则就不能开展测试。为了直观和通用,本次确定了用多挡开关直选管脚的方案,测试时只要对照电子管引脚图调整对应管脚的位置和电压就可以直接测试,使用非常简单!为了降低仪器的复杂性,不再测试内部电极短路和断路,这样简单的问题,坛友一看就知,何必用仪器测试呢。本仪器只测试屏流和跨导,都是直接读数,不需要变换和计算。至于屏压和栅压,是大范围可调的,而且怎么调也调不坏仪器和管子,非常安全。

在设备的复杂性和性能之间取得平衡是聪明的选择。任何一个工程设计都是这样权衡的产物,本测试仪就是按照这个思路来设计的。在这里我们不测超过300V以上的屏压下的参数,300V及以下的数据就足够用的了。另外也不测100mA以上的屏流,非要测的话,电源变压器就太大了,所以也不测。经过这样的均衡,本仪器体积比较小。
在测量范围、适用性、造价和体积已经均衡考虑以后,剩下的问题就是测量指标的准确性和仪器适用的方便性、可靠性等问题了。
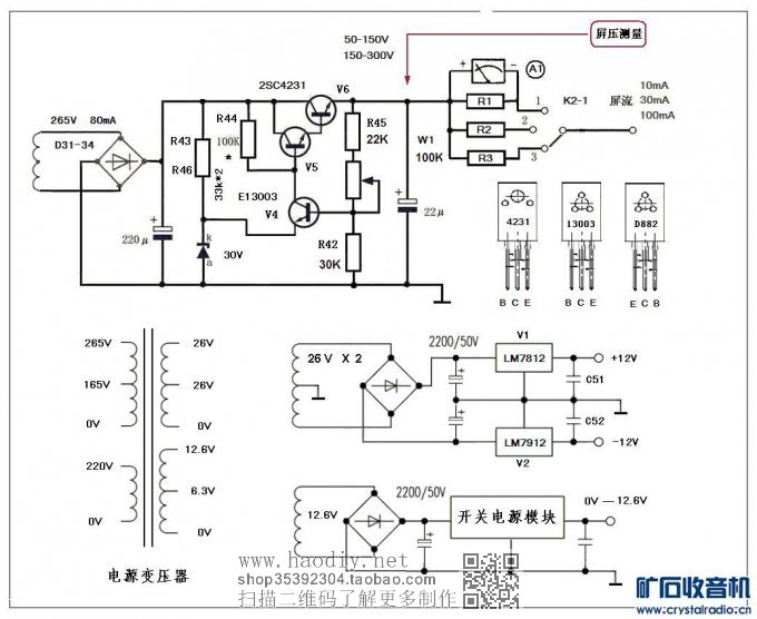
首先说指标,屏流采用了直读式显示,量程分为0-10mA、0-30mA、0-100mA三档。表头加了过流保护,过电流不会烧毁uA表头,高压电源部分加了限流措施,也不会出现大电流烧坏变压器或电子管的情况。为了节省旋转开关个数,节省面板空间,屏流量程转换和屏压转换放在一个波段开关上。
为了测试安全,也是方便测量直流管,屏压分了两档,分为0-150V和0-300V两档可调。这样可以避免低压直流管误上高压。

跨导测量采用交流信号,比起直流信号测量要准确的多。经典的GS-5A采用50Hz交流电做测试信号,由于交流电源自身电压不稳并且存在50Hz干扰,测量准确度不高,特别是小信号更差。本仪器在设计时在板上自建了1Khz信号源,实测效果很好,小信号时读数很稳定。跨导量程分了三档。0-3mA/V、0-10mA/V和0-30mA/V。当屏流大时,关联降低屏极负载电阻,跨导测量准确度就更准确了!第一版就是采用了这个方案,但是调试中发现非常麻烦,在第二版中去掉了。优化后的第二版电路更稳定可靠,安装完元件后只要无误不用调试就可以使用。在板上有跨导校准开关,焊接完成后在板上调教一次满刻度以后,跨导就校准完成了,非常简单。

栅压采用了外加可调栅压和阴极自偏压两种方式,可以测量对应栅压时的跨导,栅压数显误差小于0.1V。为了节省开关个数,栅压方式选择和跨导量程转换我就放在一个波段开关上了!

指标的通用性就是指的屏压范围,栅压范围,还有灯丝电压范围。屏压就是300V,屏流100mA,栅压0-20V可调,灯丝电压0—12.6V共四档,其中0-5V可调,如果灯丝变压器电压允许的话,也可以增加22V灯丝电压档。本人制做时使用了一个50W的电子管机器拆下的变压器,有两组6.3V  1.2A灯丝绕组,串联使用,整流后的直流电压15-16V,很合适。
6.3V及以下最大灯丝电流2A,12.6V电压时最大电流1.2A。为了降低电源制作的难度,减小整机耗电,灯丝电压部分采用了开关电源模块。因为采用开关电源技术,灯丝电压调节不需要切换大电流,提高了可靠性,故障率会明显降低。注意,灯丝引脚位置的调节,仍然需要波段开关承受较大的电流,所以仍然需要采用较大触点的转换开关。
栅压部分耗电很少,如果电源变压器合适的话,也可以加到0-35V,栅压运放是高压的,耐压是90V,不会超压损坏。
高压部分分为两挡,50-150V和100-300V,通过继电器自动切换,变压器建议用两组电压,0-160V-260V,低压时用165V抽头可以降低整机功耗,线路板上发热也低一些。经过试验,采用240V的电压可以达到直流300V,稳定性也还是可以使用的,没有中间抽头也没有关系,一样可以调节到最低50V。因为高耐压晶体管放大倍数小,担心稳定性不好,采用功率场效应管做过实验,发现最高电压调不上去,最终确定还是采用晶体管的高压电源最好。

为了避免误操作造成损失和损坏,整机考虑了一些安全措施。在高压部分除了电压分高低压两档外,还有限制电流部分,当电流大于120mA时,开始限流,可以避免乱脚短路等误操作。灯丝部分采用了开关电源,一方面降低了灯丝电压调整的难度,同时也降低了功耗,小电流灯丝绕组也可以产生较大的输出电流,还有附带的好处就是具有短路保护,短时间的短路自动保护了,不会烧坏什么东西,安全性较好。

引脚和管座型式最费劲了。为了找到最少的管座个数适应最多的型号,把电子管手册翻了一个遍。最后确定只排布小7脚,小8脚,小9脚,还有一种锁扣式小9脚,然后三种大8脚,这样就可以适应差不多全部的前苏联、欧洲和国标管了。具体各种管座型号和尺寸如图1所示。 图1:管脚图
【参赛】学做GS-300A型电子管测试仪【参赛】学做GS-300A型电子管测试仪【参赛】学做GS-300A型电子管测试仪 
 

图1-3:小9脚.JPG (67.37 KB, 下载次数: 32)

 

【参赛】学做GS-300A型电子管测试仪
占用二层吧,图多不好发【参赛】学做GS-300A型电子管测试仪 


再说说灯丝引脚吧,灯丝引脚其实很重要,插上待测管子以后,高压是不加的,先加上灯丝电压预热。测试是瞬间就可以完成的。由于灯丝引脚没有标准,任何一个引脚都有可能是灯丝脚,真让人犯了难!怎么办?用两个波段开关来回拨吗?我可没有这么笨,很容易出错,而且面板寸地寸金,可没有这么多空间浪费!相信要是那样搞了,坛友也不会愿意的!经过反复总结,感觉到灯丝引脚还是有一点规律可循的!在7-9脚的常见管子中,3-4、4-5是最常见的引脚位置,大八角管子,2-7、1-8是最常用的灯丝位置,其余嘛,7-8、1-9、3-7也是可以找到的灯丝引脚,这7种引脚大概可以适应95%常见的电子管型号,这样也就够用了!如果还有特殊引脚,那就用个管脚转换器吧。 图2:灯丝选择

图2:灯丝选择
【参赛】学做GS-300A型电子管测试仪 


为了读数方便,面板上加了0.36吋的数显电压表,数字很小,不破坏面板美观,能实时指示屏压、栅压啥的,很好很实用!

其他功能我就不多说了,为了保证面板整洁,功能直观,在面板开关排布上面可是下了大功夫的!足足搞了两三个月的时间。以下是定型后的面板牌布图,是不是很简洁很美观呢!

无用的开关一概去掉,简单的档位开关全部复用。让面板清晰直观!当然了,不用开关选择的方式也考虑过,引进单片机技术,输入电子管型号靠逻辑选择引脚位置等等,后来这样的方案让我给否决了!主要不是因为电路实现的复杂性,而是因为没有预先编程的型号就没法测试!这样的机器搞出来后,多数坛友是无法添加电子管型号的,况且也不能把所有的调节旋钮都数字化!省不了几个旋钮,徒增复杂性没意思!本仪器为了降低波段开关的的刀位数和层数,加了一点简单的逻辑电路,电路板复杂了一点点,(只要按照元见图焊上就行)但是波段开关变成一层的了,引线变少,可靠性提高了,同时波段开关的手感变轻松了。

表头改制:表头是1.0mA动圈表,经测试准确度很高,但是原刻度和量程不一致,需要改装,经实际测量,改装后的刻度是线性的,本仪器检波采用了直线检波器,刻度和实际结果符合。

以下是各个制作过程及整机照片。

 
继续占层    接上:以下是各个制作过程及整机照片。

图1-1管脚
图1-2 大8脚
图1-3 小9脚
图1-4 大9脚和小8脚
图2 灯丝选择
图3-1初始设计图1
图3-2初始设计图2
图4-开孔
图5-1 喷漆1
图5-2 喷漆2
图6-1 印字1
图6-2 印字2
图7-1 表头改制1
图7-2 表头改制2
图7-3 表头改制3
图8-1 表头安装1
图8-2 表头安装2
图9-1 面板及旋钮
图10-测试图
图11-1 第1版电路板
图11-2 第2版电路板
图12-1原理图-电源部分
图12-2原理图-测量部分
【参赛】学做GS-300A型电子管测试仪【参赛】学做GS-300A型电子管测试仪【参赛】学做GS-300A型电子管测试仪【参赛】学做GS-300A型电子管测试仪【参赛】学做GS-300A型电子管测试仪【参赛】学做GS-300A型电子管测试仪【参赛】学做GS-300A型电子管测试仪【参赛】学做GS-300A型电子管测试仪【参赛】学做GS-300A型电子管测试仪【参赛】学做GS-300A型电子管测试仪【参赛】学做GS-300A型电子管测试仪【参赛】学做GS-300A型电子管测试仪【参赛】学做GS-300A型电子管测试仪

原理图--测量部分.JPG (104.55 KB, 下载次数: 39)

下载附件

图12-2原理图-测量

2014-9-29 14:38 上传

 
 

图7-3:表头改制1.JPG (45 KB, 下载次数: 33)

 

图7-1表头改制1

【参赛】学做GS-300A型电子管测试仪

丢了测量6N2的图:【参赛】学做GS-300A型电子管测试仪

又改进了外壳和接线,上整机三视图.【参赛】学做GS-300A型电子管测试仪【参赛】学做GS-300A型电子管测试仪【参赛】学做GS-300A型电子管测试仪

(责任编辑:admin)
织梦二维码生成器
顶一下
(0)
0%
踩一下
(0)
0%
------分隔线----------------------------
发表评论
请自觉遵守互联网相关的政策法规,严禁发布色情、暴力、反动的言论。
评价:
表情:
用户名: 验证码:点击我更换图片
栏目列表
推荐内容