|
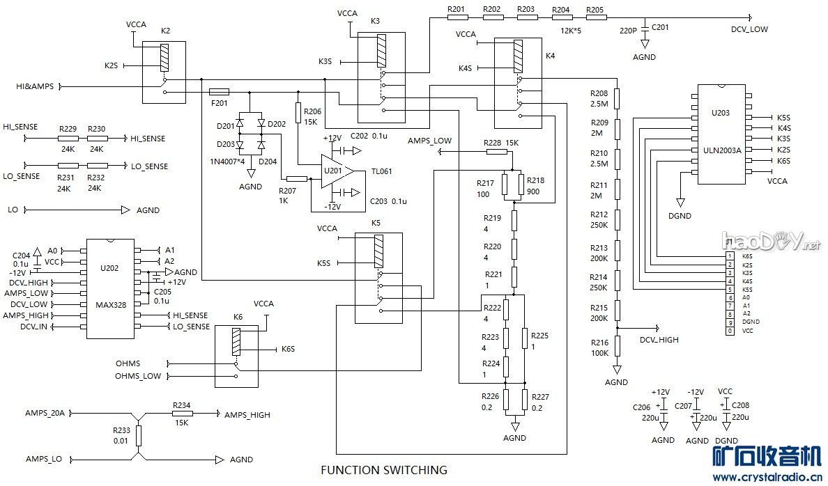
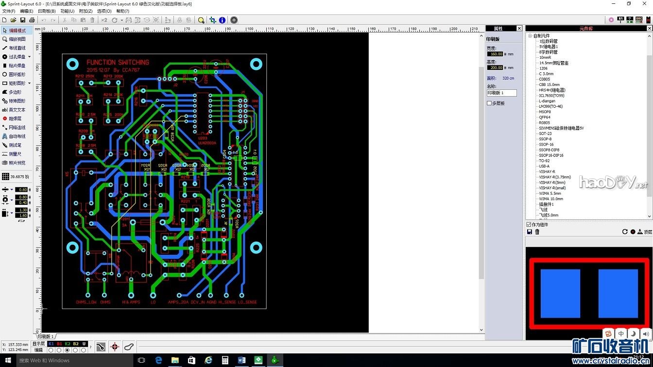
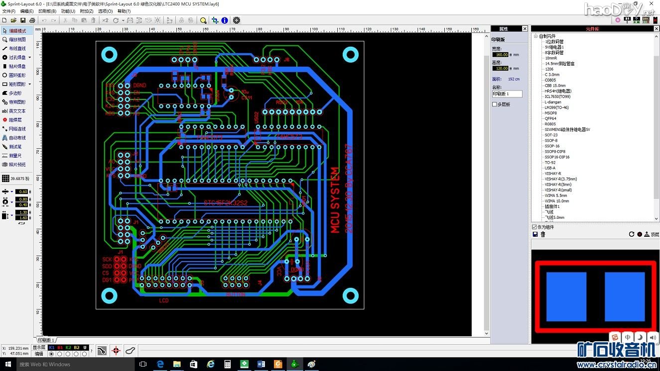
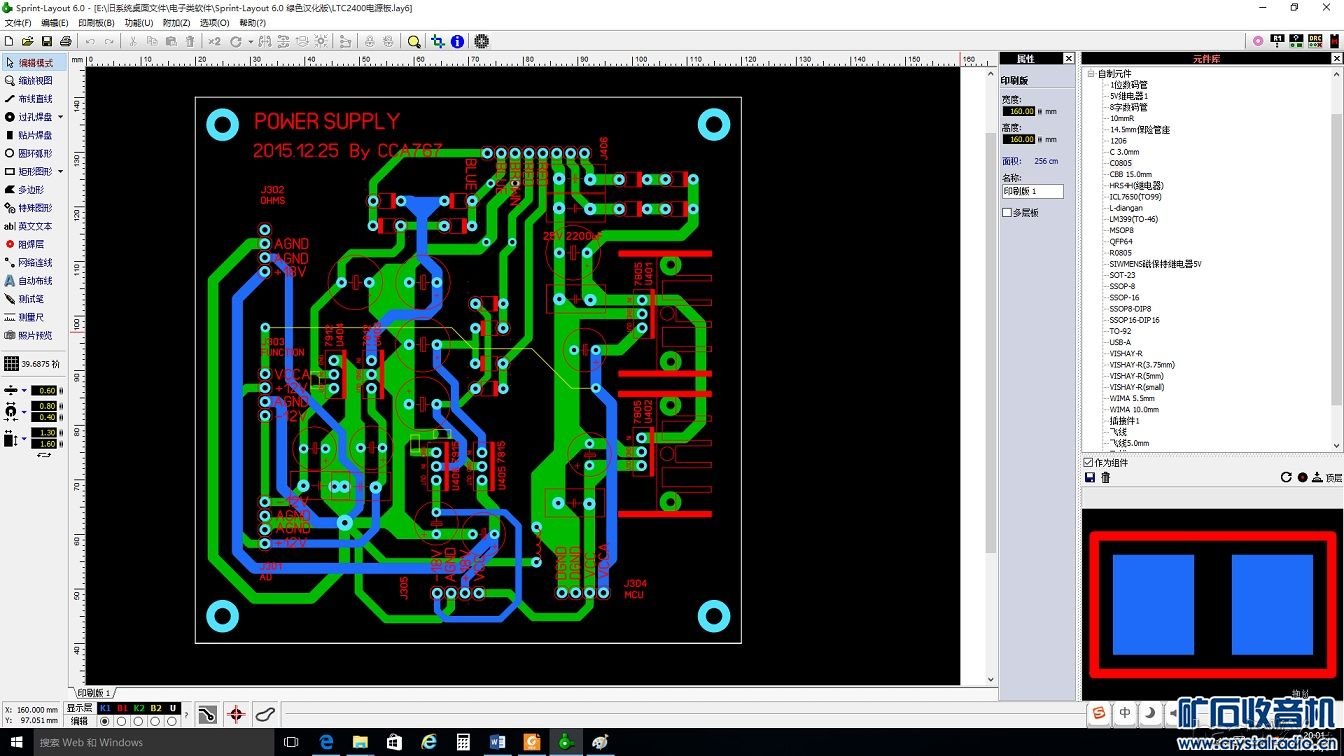
起初有做个高位万用表的想法是在隔壁论坛看到的一个“手持六位半万用表DIY”的帖子,看他的制作效果还不错,就打算仿制一个,单手持的仿制难度有点大,对制作工艺要求比较高,于是决定做个台式的,台式的空间大,电路及元件可选方案多,易于完成。本人自知不是专业人士,水平有限,虽然已把手持机的改成台式机,但六位半的指标还是太高了,所以再降低要求,最后能勉强达到五位半指标就算成功。其实大家大可不必对这台东西有太高的期望,我也完全是做着玩,丰富业余生活的。 言归正传,来说说这台机器的功能和参数(注意这里我只谈功能不谈性能,因为纯业余制作,性能没有保证): 直流电压测量:250mV, 2.5V, 25V, 250V 四个档位,分辨率(读数) +-250000 其中250mV和2.5V档有>10G的高阻输入,其余档位为10M低阻输入。 直流电流测量:2.5mA, 25mA, 250mA, 2.5A, 25A 五个档位,分辨率也是+-250000 各档的压降为<0.25V, 其中25A档为单独接线柱,其余档位与电压测量共用接线柱,测量功能选择由内部继电器选择,此种设计主要是我不习惯一般万用表的设计每次电流测量都要插拔表笔更换插孔,为使用带来很多不便,当然我现在这种电压电流共用接线柱的做法是有安全风险的,如果忘记切换档位直接在电流档测电压有可能造成电器短路等风险,我的解决方案计划是加入一个电流档特殊指示,在测量时能很明显能识别出是否在电流档位。 电阻测量:500R,5K,50K,500K,5M 五个档位,采用恒流方式,支持4线测量。 特别之处是电路有10mA档,测量小电阻能更稳定些。 电路支持自动手动量程切换,0位补偿,数字滤波。 由于交流档位制作难度较大所以制作没有加入交流测量功能,最初的设计是先把三个基本功能做好,后面还计划加入稳压管测量以及微弱电流测量功能。 整个万用表我是分模块制作的,这样一来可以降低制作难度,二来某个功能设计有问题,修改起来也方便些,不至于造成全盘否定的局面,三来为今后系统的改进升级带来方便。系统共分成,ADC及程控放大,输入功能选择,欧姆电流源及Vref ,MCU系统,电源系统,显示板系统,等6个功能部分,每个系统分开设计分开制作,最后拼接成整个系统,如果今后哪部分需要升级换代什么的,直接替换就成。 由于所有的制作都是利用工作之余的空闲时间来完成的,所以是一边做一边构思,想到哪就做到哪,所以最后的成品与最初设计有不少改动,比如最初的设计是Vref电路是放在ADC及程控放大板上的,开始采用的MAX6350为电压基准,后来为改善基准性能,又在欧姆电流源板子上加入了LM399电路换掉原来的电压基准。
|

























































![[视频] 音乐虫子胆机电子管](/uploads/allimg/120908/1-120ZR139550-L.jpg)





