|
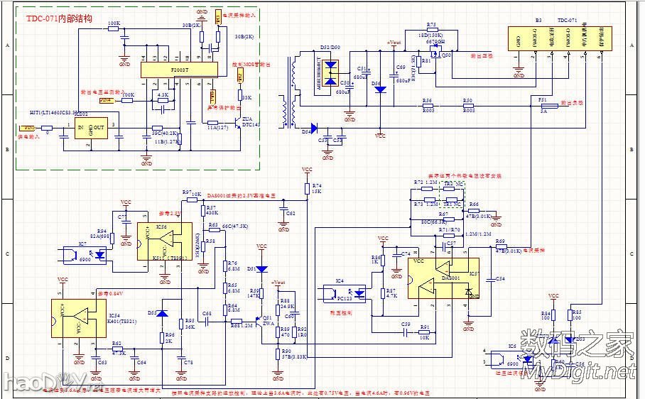
以前2元一个入的4个电源,卖家发现电压是6.8V,说是坏的,但网上说没有负载时,就是6.8V,哈哈,看来赚了,但是不利用起来实在可惜。网上有说在输出正负极之间加20~100K识别电阻的(这样就可以输出16.5V),但是这样的方法有时电源不能启动,不是太好用。研究了好一阵子,网上这方面的资料也少,无奈自己把次级图画了一下,自己分析吧,各种艰辛啊。但是最近由于工作太忙,实在没时间折腾了,就把之前的成果跟大家分享一下吧,现在成果是能保证18.5V输出,不存在启动困难的为问题。 但过流保护不是太好调整,这几天有空又折腾了一下,这次过流保护更加合理一些,改造也更简单了点,最新改造请移步新帖:继续折腾台达版85W苹果电源,改造电压和过流保护 http://bbs.mydigit.cn/read.php?tid=1223524&ds=1#tpc
![]() ![]() ![]() ![]() ![]() ![]() ![]() ![]() ![]() ![]() ![]() ![]() ![]() ![]() ![]() ![]() ![]() ![]() ![]() ![]() ![]() ![]() ![]() ![]() ![]() ![]() ![]() ![]() ![]() 这里是电路分析,感兴趣的就看看吧,普通话不好,逻辑性不强,难为大家了。第一次整视频,哈哈,不太会。 ![]() ![]() ![]() ![]() ![]() 下面是整了一段视频 ,视频为何无显示呢,地址是http://v.youku.com/v_show/id_XOTI3NjQ2NDU2.html
在网上找的,苹果电脑 MagSafe 电源接口的结构,还有指示灯变颜色的原理 苹果电脑的 MagSafe 电源接口挺有意思的,一方面它靠磁力吸在笔记本机身上,插拔方便而且有人踢到电源线时自动断开,不会像传统 PC 电源那样把笔记本从桌子上拉的掉下来;另一方面有个小 LED 灯能显示充电状态。下面说说苹果电脑 MagSafe 电源接口的内部结构和工作原理:几个触点都是干什么的?充电的过程和指示灯变色的原理是什么?苹果电脑是怎么读出 MagSafe 电源的型号和序列号的? ![]() 苹果电脑 MagSafe 电源接口有 5 个触点,最外侧的两个用于接地,靠近中间的两个触点用于传输电力,最中间那个用于电脑和充电器的芯片之间传输信号。 触点是对称的,所以插反了也没问题。另外老款 MagSafe 电源的中间那个触点明显比另外四个细的多。触点外面那一圈金属用于吸附苹果笔记本的电源口,但没有磁力,Mac 主机的电源口有磁力(你拿钥匙什么的伸过去也能被吸住)。 ![]() 你可以在下图中看到MagSafe连接器的内部电路板非常小,在中间有两个LED,桔黄色/红色和绿色,左边是一个微小的芯片DS2413 1-Wire双通道可寻址开关 。 该芯片有两个功能:控制开关上的状态LED(即“双通道开关”部分),另外它也记录提供充电器的规格和序列号的ID值。 ![]() 该芯片采用1-Wire协议 ,这是一个聪明的系统,可以通过一条线连接低速设备(加上接地)。 1-Wire系统很方便,在这里,Mac可以通过一个适配器检测引脚与MagSafe通信。了解充电器的ID代码 您可以在Mac上轻松找到充电器信息(打开“关于本机”,“更多信息”,“系统报告”,“电源”),里边的瓦数和序列号很好理解,但ID、Revision和Family是哪来的? 事实证明,这些都是用于芯片内部连接器1-Wire协议的一部分。 ![]() 1-Wire家族中的每一个芯片都有一个唯一的64位ID(如图可以看到为16进制,每4位可以表示一个数字)。 在1-Wire 标准中,64位ID由8位家族码识别1-Wire器件的类型,一个48位的唯一序列号,以及一个8位非加密的CRC校验用以验证ID是否正确。 这些公司(比如苹果)可以自定义ID号:顶端12位的序列号被用作一个客户ID,接下来的12位数据由客户指定的,而其余的24位为序列号。 有了这些信息,现在Mac的AC充电器信息来源可依了,下面的图显示了如何用64位ID映射充电器的信息。 ID字段100表明苹果的客户ID,在12位客户的数据(十六进制3C是十进制的60,表明60瓦)的功率和修订,家庭代码BA是1-Wire家族代码为DS2413的芯片。 因此,AC充电器信息实际上是1-Wire芯片的底层信息。 ![]() 有些充电器信息可能是下图的样子,因为一些原因后来的充电器使用家族码为85,这并不代表这是一个85瓦的充电器。以MacSafe2为例,在客户ID中使用7A1表示45瓦,921表示60瓦,AA1表示85瓦。令人奇怪的是,这个85瓦充电器仍然包含60瓦的信息(16进制的3C)。
(责任编辑:admin) |























































(责任编辑:admin)






















