|
这电源断断续续搞了好几天,一直没时间发贴,今天下午开会、明天上午学习 各位还要回帖,可以加M。有空我会发完…… 已经有朋友抢楼了,只好做传送门了 一、拆机 二、做电压欺骗 在7楼 http://bbs.mydigit.cn/read.php?tid=1392222&ds=1#42406413 三、改17脚调压 在8楼 http://bbs.mydigit.cn/read.php?tid=1392222&ds=1#42412595 四、改18脚高压 在9楼 http://bbs.mydigit.cn/read.php?tid=1392222&ds=1#42412923 一、拆机
金河田ATX-300WB劲霸传奇静音版(300W)
PFC是真的
很多灰
版号
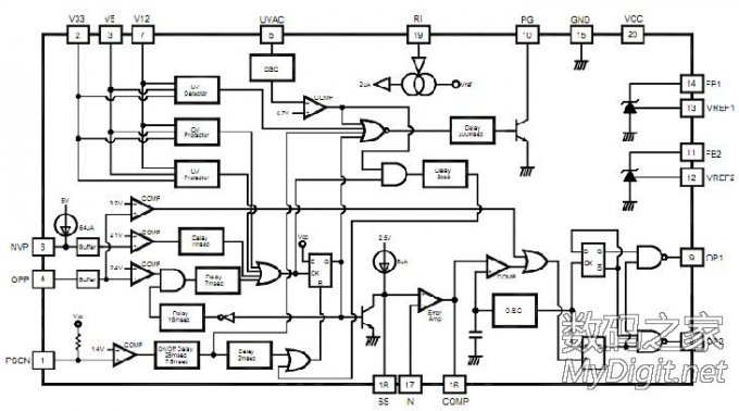
主控
EMI
主滤波电容470U
低压输出
整体布局、
拆下大功率部件
D304X够大吧
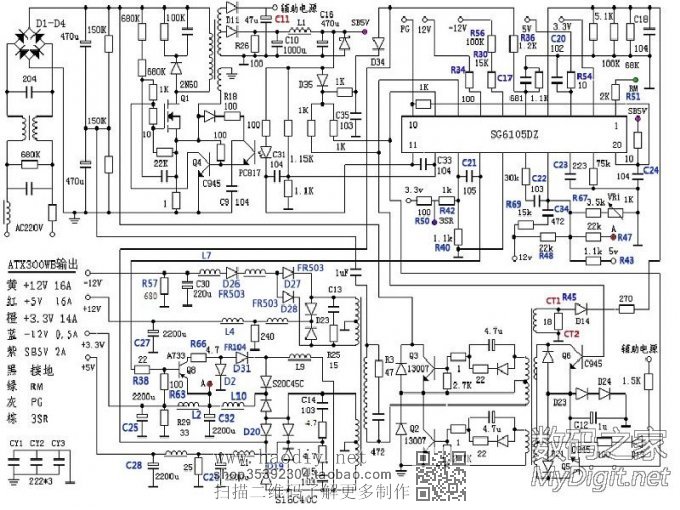
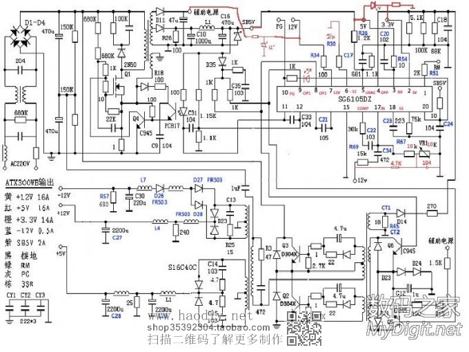
找到电路图、带小辫子的 ![]()
|












































































