最好的电子音响科技diy制作网站

haoDIY_音响电子电脑科技DIY小制作发明

当前位置: 主页 > 最新DIY >

DIY一款USB接口手机SIM卡读写卡器,

时间:2017-06-23 20:16来源:数码之家 作者:萍聚 点击:
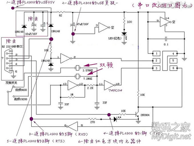
DIY的SIM卡读写卡器,已经破解复制了三张联通和移动的SIM卡。下面介绍DIY过程与破解SIM卡的详细过程...最后附件有:PL2303驱动(For Win7)SIM卡破解软件(破解速度快)两款写卡软件 因为数量限制,附件在楼下:|数码之家

DIY的SIM卡读写卡器,已经破解复制了三张联通和移动的SIM卡。
下面介绍DIY过程与破解SIM卡的详细过程...

最后附件有:
PL2303驱动(For Win7)
SIM卡破解软件(破解速度快)
两款写卡软件

DIY一款USB接口手机SIM卡读写卡器,
DIY一款USB接口手机SIM卡读写卡器,
DIY一款USB接口手机SIM卡读写卡器,
DIY一款USB接口手机SIM卡读写卡器,
DIY一款USB接口手机SIM卡读写卡器,
DIY一款USB接口手机SIM卡读写卡器,
DIY一款USB接口手机SIM卡读写卡器,
DIY一款USB接口手机SIM卡读写卡器,
DIY一款USB接口手机SIM卡读写卡器,
DIY一款USB接口手机SIM卡读写卡器,
DIY一款USB接口手机SIM卡读写卡器,
DIY一款USB接口手机SIM卡读写卡器,
DIY一款USB接口手机SIM卡读写卡器,
DIY一款USB接口手机SIM卡读写卡器,
DIY一款USB接口手机SIM卡读写卡器,

因为数量限制,附件在楼下:

(责任编辑:admin)
织梦二维码生成器
顶一下
(0)
0%
踩一下
(0)
0%
相关文章
------分隔线----------------------------
发表评论
请自觉遵守互联网相关的政策法规,严禁发布色情、暴力、反动的言论。
评价:
表情:
用户名: 验证码:点击我更换图片
栏目列表
推荐内容