|
自己DIY,需要12V小电源,能带动继电器即可,变压器的体积大,不方便,又没有合适的12V电源适配器,看到坛子里有用节能灯电路板改成12V开关电源的,找两个试试,一次成功。 这是随便找来的5-9W节能灯电电路板,灯管发黑报废了。拆掉一个小电容和电感后的电路板。
小心拆掉这个电感,先焊开背面的两个接线头,再用小刀把固定电感的塑料柱的边缘割掉(不要割短,还要固定呢),就慢慢拿下来了。揭开E型磁芯的固定胶带,空隙比较大,用手头现有的0.4的纱包线绕20圈。再将磁芯装回,并用胶带固定,垫纸片,留磁隙。
再把绕好的变压器放在原位置。初级线接入原位置,在拆掉电容的位置安装一个高频电解电容(16V470u),次级接头一端焊到电容负极,另一端先焊到肖特基二极管的负极,肖特基二极管正极跟电容正极焊在一起(没有空间,直接将二极管插到电路板上了,利用的是原焊接电容的两个焊盘就是拆掉电容的位置)。 这是改造好的成品,次级电压11.6V(整流滤波后)。
反面。跳线是将原灯管的另外两个接头短接(后面根据电路图再详细说)
另一个的背面。二极管的管脚在电容下边,只好再划开一块焊盘了。
焊好整流二极管和滤波电容。
另一个也是如此。线飞的有点高。
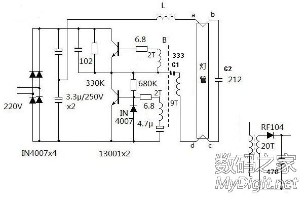
这个节能灯的电路图。
L是要改造的变压器,C2是拆除的电容,a、d两个接点飞线短接右下角的小电路图是要加的肖特基二极管和滤波电容。其它什么都不用动。 谢谢! (责任编辑:admin) |































