最好的电子音响科技diy制作网站

haoDIY_音响电子电脑科技DIY小制作发明

当前位置: 主页 > 最新DIY >

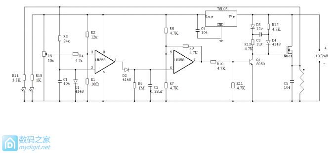
再做最后一个nmos白菜白光,真不能再做了不光你们看烦了!我也做

时间:2017-07-31 21:54来源:数码之家 作者:壹切皆有可能 点击:
数码之家
再做最后一个nmos白菜白光,真不能再做了不光你们看烦了!我也做 再做最后一个nmos白菜白光,真不能再做了不光你们看烦了!我也做 再做最后一个nmos白菜白光,真不能再做了不光你们看烦了!我也做 再做最后一个nmos白菜白光,真不能再做了不光你们看烦了!我也做 再做最后一个nmos白菜白光,真不能再做了不光你们看烦了!我也做 再做最后一个nmos白菜白光,真不能再做了不光你们看烦了!我也做 再做最后一个nmos白菜白光,真不能再做了不光你们看烦了!我也做
(责任编辑:admin)
织梦二维码生成器
顶一下
(1)
100%
踩一下
(0)
0%
相关文章
------分隔线----------------------------
发表评论
请自觉遵守互联网相关的政策法规,严禁发布色情、暴力、反动的言论。
评价:
表情:
用户名: 验证码:点击我更换图片
栏目列表
推荐内容