|
这个手电筒是做个老爸用的,因为家里人不懂这些东西,买的地摊那种十几元的,用不久就坏了。 论坛里兑换的c8,虽然亮度够大,但是缺点就是只有一个大光斑,毕竟家里用就是晚上出门照照路或者仓库什么的,不需要远射,所以尽量散射面积要大一些的,光要均匀一些,(楼主农村的),而且电池没保护板我爸妈不懂电池过放,就不知道什么时候充电(毕竟论坛的魅色c8手电低压时也比地摊货亮)。 因此,制作了这个手电。 优点: 1、超大容量,1年只需充电一次; 2、光斑均匀且散射面积大; 3、电池带保护板,不怕过放; 4、黄光LED,不刺眼。 好了,上图及过程哈。 材料篇 顾名思义,pvc手电当然是首先要有pvc管,直径大约5cm,长度20cm, pvc管盖子一个,连接管一个 淘宝10元包邮的led射灯一个(黄光) 三洋18650黄头6节 12v保护板一个 555芯片,mos管,电阻等
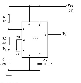
楼下继续 这个电筒的电源采用6节三洋18650黄头电池,拆机的,测试容量全部是1900多一点 6节电池分别充电到3.800v,采用2并3串焊接方式加工。 加工成三棱柱形状,这样就放在pvc里面了。 加工ok后加上12.6的保护板。。 ![]() ![]() ![]() ![]() ![]() ![]() 这个电路仍旧是经典的555调节占空比,原理请见:http://bbs.mydigit.cn/read.php?tid=627095 上图 ![]() ![]() 这里我将三极管换成了电源mos,因为手里没三极管,mos到时一大把,收拾做电动车电池保护板上的mos 电路焊接ok后,调节电位器,万用表测试电流,当电流时200ma时,ok 取下电位器,焊接相同的电阻,焊在led射灯上 ![]() ![]() ![]() ![]() 在合适位置裁断pvc连接管,取一个透明盖子,大小符合pvc连接管,将盖子放在pvc连接管里,用电摩开三个大小和、合适的孔 然后在盖子上固定三个螺丝扣,将盖子放在pvc连接管里后在pvc连接管外用螺丝固定。 之所以这么做事因为当灯珠坏了时可以随时更换(毕竟10元包邮的质量不算好) ![]() ![]() ![]() ![]() ![]() ![]() ![]() ![]() ![]() ![]() ![]() ![]() ![]() ![]() ![]() ![]() ![]() 对于在夜晚的照片我就没拍了,因为我照不出那种水平 亮度非常不错,因为我爸年纪大了,白光太刺眼睛,所以选择黄光 我这个走廊是大约10米左右,宽是1.5米左右,站在一头开这个手电整个走廊都是亮的,效果非常好。 嘿嘿,结束。。。。 写在最后: 看别人的帖子,目的是学习别人的制作经验,启发自己的灵感,创作出更好的作品。而不是与别人去较真一个概念问题,特别是一些所谓高手,都已经是数码XX了,没一个拿的出手的帖子,却在不停地跟帖强掉概念显摆自己的学识。。。这么没意义。有那时间,多做一些好帖子,像村长那样,他从F小白已经变成高手了,而且是乐意助人的高手,而有些所谓高手。。。。。算了,另外,这组电池虽然是拆机的,但不会用一年就坏,之所以这么说,拆机电池与新电池的不同点就是内阻与容量,说的深一点就是极片面密度,电解液饱和与析锂的问题。这里极少数坛友是做电池的,所以不用讲那么多。 这组电池全是配对电池,充放电循环仪器是化成柜(几百万一台),测试仪器是 泰斯电池综合测试仪(淘宝无售)。。楼主是做电池开发的,所以我不会与某些高手强调概念问题,但是我感谢你们的顶贴。。。。谢谢! (责任编辑:admin) |


























































