|
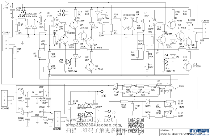
98Â¥¼ÌÐøÖÆ×÷¼ÐÌú¡¢×°ÅäµçÔ´±äѹÆ÷£»102Â¥ÖÆ×÷ľ¿ò¡¢×Ü×°£»×¢Òâ¶¼ÊDZ±¾©Ê±¼ä14ÈÕ֮ǰ·¢µÄÌùѽ ²¹³äÄÚÈÝ (2014-2-16 22:51): ³ÉƷչʾÕÕÆ¬£º http://www.crystalradio.cn/thread-508847-1-2.html ÕâÊÇÎÒ±¾µØÊ±¼ä14ÈÕ11·Ö57Ãë·¢µÄÌù£¬±È±±¾©Ê±¼äÍí13¸öСʱ¡£ºÍ102Â¥±È£¬À©´óÁËÒ»µãÊä³ö¹ÜµÄʯ¶´ËùÒÔÄܰ²µ½µ×£¬Ò²ÂòÁËÂÝË¿ËùÒÔ±äѹÆ÷ÄÜÉϽô¡£ µÚ¶þ²¿·Ö£¬´´ÐÂÖ®Ò»£¬µÆË¿½»Á÷Éù¶ÔÏûµç· ´ó¼Ò¶¼Ëµ300BµÄ¹¦·ÅÈç¹ûÓý»Á÷Çý¶¯µÆË¿ÔòÉùÒôºÜ»îÆÃ£¬Èç¹ûÓÃÖ±Á÷Çý¶¯µÆË¿ÔòÉùÒôËÀ¡£ÎÒ×Ô¼ºÃ»ÓÐ×öʵÑ飬µ«ÊÇÒòΪ´ó¼ÒÖÚ¿ÚÒ»´ÇÕâô˵£¬ÄÇôÎÒ¹ÃÇÒÏàÐÅÊÇÕæ¡£ÄÇôµ½µ×ÊÇʲô¶«Î÷Ôì³ÉÁËÕâ¸ö»îÆÃÐÔÄØ£¿ÎÒ¾õµÃÓÐÁ½¸ö¿ÉÄÜ£¬Ò»¸ö¿ÉÄÜÊǵÆË¿½»Á÷Éù±¾ÉíÔì³É£¬µÚ¶þ¸ö¿ÉÄÜÊǵÆË¿½»Á÷ÉùÖ®ÍâµÄ¶«Î÷Ôì³É¡£ÄÇôÈç¹ûÎÒÃǰѵÆË¿½»Á÷ÉùÏû³ý£¬È»ºó²é¿´ÊDz»Êǹ¦·ÅµÄÉùÒô»¹ÓлîÆÃÐÔ£¬¾Í¿ÉÒÔ¸ãÇå³þµ½µ×ÊÇÕâÁ½¸ö¿ÉÄÜÐÔÖеÄÄÄÒ»¸öÊÇÕæ¡£ µÆË¿´øÀ´µÄ½»Á÷ÉùÊÇ¿ÉÒÔ½¨Ä£À´¼ÆËãµÄ£¬Õâ¸ö100Äêǰ¾ÍÓÐÈË×öÁË£¬»ù±¾ÉÏÊǹ¤ÆµµÄ¶þ´Î·½¡£ÔÚÄǸöʱºòµÄÄ£ÐÍÀïÃæÈý¼«¹ÜµçÁ÷²ÉÓÃÁË3/2´Î·½Ä£ÐÍ¡£Õâ¸öÄ£Ð͵óöµÄ½á¹ûºÍʵ¼Ê²âÁ¿Öµ³É±ÈÀý£¬µ«ÊÇÕâ¸ö±ÈÀý²»ÎªÒ»¡£ÎÒÔÚǰÈ˵Ļù´¡ÉÏ£¬²ÉÓÃÁËKorenÄ£ÐÍ£¬µÃµ½µÄ½á¹ûºÍʵ¼Ê²âÁ¿»ù±¾ÉÏÒ»Ö¡£ È»ºóÎÒÓÃÁËÒ»¸ö¼òµ¥µÄµç·£¬Óöþ¼«¹ÜµÄÖ¸ÊýÌØÐÔÔÚСÊäÈëµÄʱºòÀ´Ä£ÄâÕâ¸ö¶þ´Î·½£¬²úÉúµÄ½á¹ûºÜÎǺϡ£ÎÒ½«Òª°ÑÕâ¸ö¼òµ¥µÄµç·²úÉúµÄÐźÅÒýÈëÈý¼«¹ÜÕ¤¼«À´¶ÔÏûµÆË¿½»Á÷Éù¡£µç·Éè¼ÆºÃÁË£¬»¹Ã»ÓнøÐÐʵ¼Ê²âÊÔ¡£ µÚ°ËÕÅ£ºÈý¼«¹ÜµÆË¿½»Á÷Éù½¨Ä£ µÚ¾ÅÕÅ£ºµÆË¿½»Á÷Éùʵ²â²¨ÐΣ¨ºÍ¹¤Æµ¶Ô±È£© ![]() µÚÊ®ÕÅ£º´Óʾ²¨Æ÷ÏÔʾץ³öÀ´µÄµÆË¿½»Á÷Éùʵ²â²¨ÐΣ¬¼ÓÁ˱ê×¢ µÚʮһÕÅ£ºÊ¾²¨Æ÷A-BģʽÏÔʾµÄ²¨ÐΣ¬ºáÖá½»Á÷Éù£¬×ÝÖáÊǹ¤Æµ¡£Ã÷ÏԵĶþ´ÎÇúÏß ![]() µÚÊ®¶þÕÅ£º´Óʾ²¨Æ÷ÏÔʾץ³öÀ´µÄµÆË¿½»Á÷ÉùÇúÏߣ¬ÐýתÁË90¶È£¬¼ÓÁ˱ê×¢ µÚÊ®ÈýÕÅ£ºÀíÂÛ£¨ÊµÏߣ©¡¢Êµ²â£¨+)¡¢¶þ´ÎÇúÏߣ¨x)µÄ¶Ô±È£¬·Ç³£ÎÇºÏ µÚÊ®ËÄÕÅ£ºÒ»¸öÓÃÖ¸ÊýÇúÏßÀ´²úÉú¶þ´ÎÇúÏߵļòµ¥µç· µÚÊ®ÎåÕÅ£ºÕâ¸öµç·µÄÇúÏߺͶþ´ÎÇúÏ߶Աȣ¬Ö»Óп¿½ü0µÄµØ·½ÓÐ΢Сƫ²î µÚÊ®ÁùÕÅ£ºÎª´ËдÁËÆª12Ò³µÄ¶ÌÎÄ£¬»¹Ã»Ð´ºÃ£¬ÏÈ×¥ÆÁÁôÄî ![]() ²¹³äÄÚÈÝ (2013-11-15 23:45): 7Â¥£¬µÚÈý²¿·Ö£¬´´ÐÂÖ®¶þ£¬ÓÐÕýÏòÕ¤Á÷¹¦ÂÊÇý¶¯ÄÜÁ¦µÄ´ó°Ú·ùÏßÐÔÇý¶¯µç· ²¹³äÄÚÈÝ (2013-11-23 22:10): ²¹³ä˵Ã÷ϵÚÊ®ËÄÕÅͼΪʲôÄܲúÉú¶þ´Îº¯Êý¡£ÕâÊǸöÖ¸Êýº¯Êýµç·£¬µ«ÊÇÖ¸Êýº¯ÊýÓÃÌ©ÀÕÕ¹¿ªºó£¬ÎÒÃÇ¿ÉÒÔ·¢ÏÖÔÚÊäÈëºÜСµÄÇé¿öÏ£¬¸÷¸ß´ÎÊä³ö·Ç³£Ð¡£¬¾ÍÊ£ÏÂÖ±Á÷ºÍ¶þ´Îº¯ÊýÊä³öÁË¡£ µÚÈý²¿·Ö£¬´´ÐÂÖ®¶þ£¬ÓÐÕýÏòÕ¤Á÷¹¦ÂÊÇý¶¯ÄÜÁ¦µÄ´ó°Ú·ùÏßÐÔÇý¶¯µç· ÕâÀïÎÒÒªÏÈΪ×Ô¼º±ç»¤Ò»Ï¡£ÎÒ²ÉÓÃÁ˼¯³Éµç·ºÍ¾§Ìå¹Ü×öÇý¶¯µç·£¬ÀíÓɰÚÔÚÏÂÃæ¡£ µÚÒ»£¬µç×ӹܵÄÇý¶¯µç·ÓзÇÏßÐÔ£¬Õâ¸ö·ÇÏßÐÔ¶ÔÀ®°ÈÊä³öµÄÉùÒô¿Ï¶¨ÊÇÓÐÓ°Ï죨²»ÊDZáÒ壩£¬µ«ÊÇÕâЩµç×Ó¹ÜÇý¶¯µç·µÄ·ÇÏßÐÔÊÇûÓмÇÒäµÄ£¬¾ÍÊÇ˵£¬Êä³öÊäÈëÌØÐÔÊÇ˲ʱµÄ£¬y=f(x)£¬ºÍʱ¼äÎ޹ء£ËùÒÔ£¬Èç¹ûÄã°ÑÕâ¸öÇý¶¯¼¶µç×Ó¹ÜÒÆ¶¯µ½Ç°¼¶ÀïÃæ£¬¶øÇý¶¯¼¶±¾Éí²ÉÓÃÏßÐÔÇý¶¯µç·£¬ÄÇô¸Ä¶¯ºóµÄ¹¦·ÅºÍ¸Ä¶¯Ç°µÄ¹¦·Å£¬ÆäÊä³öûÓÐÈκÎÇø±ð¡£ËùÒÔÈç¹ûÄãʹÓÃÎÒµÄÇý¶¯µç·£¬ÓÖÏë³¢ÊÔÇý¶¯¼¶µç×ӹܵķÇÏßÐÔÉùÒô£¬ÄÇôÄã¿ÉÒÔ°ÑÄãµÄµç×Ó¹Ü×ö½øÇ°¼¶ÀïÃæ£¬È»ºó½Ó½øÎÒÕâ¸öÏßÐÔÇý¶¯µç·¡£ µÚ¶þ£¬¶Ô¼¯³Éµç·ºÍ¾§Ìå¹Ü²»ÒªÓÐÆ«¼û¡£ÄãµÄCD»ú¡¢DAC»úÀïÃæ¶¼ÓÃÁËÎÞÊýµÄÔË·Å£¬ÄãµÄÒôƵÎļþÖÆ×÷֮ǰÄÇЩÉùÒô¶¼±»ÔË·Å´¦Àí¹ýÎÞÊý±éÁË¡£Ö»ÒªÑ¡ÓúõÄÔË·Å£¬±ÜÃâÏ÷²¨¡¢±ÜÃâ˲̬ÏìÓ¦ÂýµÄÔË·Å¡¢±ÜÃâ·ÇÏßÐÔÊ§Õæ£¬×öµ½Êä³öºÍÊäÈ벨ÐÎÍêȫһÑù£¨Ó¦¸ÃÖ±½Ó²âÒôƵÐźţ¬½öÓÃÕýÏÒ²¨²»ÊǺÜ˵Ã÷ÎÊÌ⣩£¬ÄÇôÔË·Å´¦Àí¶àÉٱ鶼û¹ØÏµ£¬Ò²²»ÔÚºõÎÒÕâÇý¶¯µç·ÀïÃæÓÃÔË·Å´¦ÀíÒ»±é¡£ µÚÈý£¬ÎÒÌá³öÊä³ö±äѹÆ÷ÌØÐÔÄËÊǵ¨ÉùÖØÒªÀ´Ô´£¬ËüºÍÊä³ö¹¦ÂʹܵķÇÏßÐÔÒ»ÆðÔì¾Íµ¨Éù¡£ÕâЩÎÒ¶¼Ã»¶¯ËüÃÇ£¬ÄãµÄµ¨»ú»¹ÊÇÕý×Úµ¨ÉùµÄµ¨»ú¡£ µÚËÄ£¬ÎÒµÄÇý¶¯µç·ÓÐÕýÏòÕ¤Á÷ÄÜÁ¦£¬ÄÜÌṩÕýÏò¹¦ÂÊÇý¶¯¡£ µÚÎ壬ÏÖÔÚÊг¡ÉÏÓи߰ڷùµÄÔË·Å£¬¿ÉÊǺÍÎҵĵç·±ÈÕâЩÔË·ÅÓÐÏÂÁÐȱµã£ºÒ»£¬·Ç³£¹ó£»¶þ£¬²»Ò×ÅäÆäÐèÒªµÄµçÔ´µçѹ£»Èý£¬ÓÃÔÚµ¨»úÉÏûÓÐʵս¼ìÑ飬ËÄ£¨²»ÊǺÜÈ·¶¨£©ÎÒÕâµç·°Ú·ù¸ü´ó£¬Çý¶¯300B£¬845È«²¿¿ÉÄܵİڷùÎÞѹÁ¦¡£ ±ç»¤ÍêÁË£¬ÏÂÃæ¿ªÊ¼Ìù¡£ µÚÊ®ÆßÕÅ£¬µç·ͼ¡£×¢ÒâÀïÃæ°üÀ¨Á˵ÆË¿½»Á÷Éù¶ÔÏûµç·¡£Õⲿ·Öδ¾²âÊÔ¡£µç·¿´ÆðÀ´¸´ÔÓ£¬µ«ÊÇÈ¥µôµçÔ´¡¢Öظ´µÄͨµÀÖ®ºó£¬¾ÍÊ£ÏÂÔ˷źÍËüµÄÊä³öÀ©Ñ¹²¿·Ö¡£¸ºÑ¹Ö±½ÓÈ¡×Ô±äѹÆ÷¸ßÑ¹ÈÆ×飬²»ÐèÒª¸ü¶àÈÆ×飻Õýѹȡ×ÔÆ«Ñ¹³éÍ·£¨ÏÖÔÚ±äѹÆ÷³£ÓÐÕâ¸ö£©¡£ÔË·ÅÕý¸ºµçѹȡ×Ô6.3VÈÆ×飬ҲÊDZäѹÆ÷³£Óеġ£½»Á÷Éù¶ÔÏûʹÓõĽ»Á÷µçÒ²À´×ÔÕâ¸ö6.3VÈÆ×飬ËùÒÔÕâ¸öÉè¼Æ²¢Ã»ÓжԱäѹÆ÷Ìá³ö¸ü¶àµÄÒªÇó¡£×Ô¼ºÊµÑéÐèҪעÒâµçÈÝÄÍѹ£¬Èç¹û¸ßѹʹÓÃ450VµÄµçÈÝ£¬ÔòÄãµÄ±äѹÆ÷´Î¼¶¸ßѹ²»µÃ³¬¹ý½»Á÷320V¡£ ![]() µÚÊ®°ËÕÅ£¬PCBµç·°å¡£»µÄÊÇË«Ãæ°å£¬µ«ÊÇΪÁË·½±ã°®ºÃÕß·ÂÖÆ£¬µ¥ÃæÒà¿É£¬Ö»ÊÇÐèÒª¼¸¸ùÌøÏß¡£°åÉÏ»ÓÐÀ°Ã·µç×ÓµÄÉ̱꣨WEÄǸö£¬ÔçÆÚµÄ£¬ÐµÄÓи͝£©£¬µ«ÊÇÕâ¸öµç·ºÍµç·°å¿ª·ÅËæ±ãʹÓ㬲»ÐèÒª¸øÎÒÈκηÑÓã¬Ö»ÐèÒª³ÐÈÏÊÇÎÒÉè¼ÆµÄ¼´¿É£¬ÈôÄã²»Ó¡×Ô¼ºÉ̱꣬¿É²»±£ÁôÎÒµÄÉ̱ꣻÈç¹ûÄãÓ¡ÉÏ×Ô¼ºÉ̱êÔòÒ²Çë±£ÁôÎÒµÄÉ̱ꡣעÒâÕâ¸ö°å×Ó»¹Ã»Óо¹ý²âÊÔ£¬ÄãÈç¹ûÓÐÐËȤ²ÉÓÿÉÒÔºÍÎÒÒ»Æð²âÊÔ¡£¸½ÉÏGBRͼ£¬¿ÉÒÔÖ±½ÓËͳ§ÖÆ×÷¡£ÎÒË͵ļÑÁ¢´´×öµÄ¡£Èç¹ûÄã×Ô¼ºÓ¡°æÖÆ×÷ÐèҪʲôÑùµÄÎļþ£¨±ÈÈçPSÎļþ£©ÇëÕÒÎÒÒª¡£(¸Õ²Å¼ì²é°å×Ó·¢ÏÖÁËһЩȱµã£¬±ÈÈçÁ¬ÏßÌ«¿¿½üÖ®À࣬Îһᾡ¿ì¸Ä½øÈ»ºóÌù³öPCB°æÍ¼ºÍGBRÎļþ£¬¾´ÇëÆÚ´ý£© µÚÊ®¾ÅÕÅ£¬µÚÒ»°æÊÖ¹¤°æ¡£Êµ¼ÊÉÏ»úʹÓÿÉÒÔÕý³£¹¤×÷¡£ ![]() µÚ¶þÊ®ÕÅ£¬ÊÖ¹¤°æµÄ½»Á÷Éù¶ÔÏûµç·£¬ÊµÑéÁ˺ü¸¸öµç·¡£ ![]() µÚ¶þʮһÕÅ£¬»ù±¾º¸ºÃµÄ°å×Ó£¬»¹²îÁ½¸ö¶þ¼«¹Ü£¬»¹Ã»ÓнøÐвâÊÔ¡£×¼±¸ÔÚÈÆºÃµçÔ´±äѹÆ÷ºó²Å½øÐвâÊÔ¡£ ![]() µÚ¶þÊ®¶þÕÅ£¬¹ØÓÚÊä³ö±äѹÆ÷µÄ·ÇÏßÐÔÊǵ¨ÉùÖØÒªÀ´Ô´µÄһƪ6Ò³ÎÄÕ£¬ÎÞÏßµçÔ¼¸å£¬ÊÇÎÒÔÚÂÛ̳ÉÏ·¢±íÌû×ӵĸÄд°æ¡£ÉÐÔÚ¸ÄдºÍÅäͼÖС£×¥ÆÁ£¨Ç°1/2Ò³£©ÁôÄî¡£ ![]() µÚ¶þÊ®ÈýÕÅÊǸöÊÓÆµ£¬ÊÖ¹¤°æÇý¶¯µç·ʵ¼ÊÉÏ»ú²âÊÔ¡£ÀïÃæÓÐÁ½¸ö·¢¹â¶þ¼«¹ÜËæÒôÀÖÉù¶øÉÁ˸£¬ËüÃÇÏÔʾµÄÊÇÊä³ö¹¦Âʵç×Ó¹ÜÕ¤¼«ÕýÏòµçÁ÷¡£ÉùÒôСûÓÐÕýÏòÕ¤Á÷µÄʱºò²»·¢¹â£¬ÓÐÕýÏòµçÁ÷²Å·¢¹â£¬Êµ¼ÊÕýÏòÇý¶¯µçÁ÷ͨ¹ý´Ë¹Ü£¬ËùÒÔÏÔʾµÄÊÇÕæÊµÕýÏòµçÁ÷¡£ http://www.tudou.com/programs/view/YkXQMlxt9L4/ Çý¶¯°å½ñÌìÉϵçÊÔÓÃÁË£¬Óи͝£¬R107´Ó3K¸ÄΪ200Å·¡£¹¤×÷Õý³£¡£ÉÏͼ£º µÚ¶þÊ®ÈýÕÅ£¬Éϵçµ÷ÊÔ£¬Êä³ö¹ÜÓõÄÊǵÆÅÝ×öµÄ¼Ù¸ºÔØ£» ![]() µÚ¶þÊ®ËÄÕÅ£¬Éϵçµ÷ÊÔ£¬Ò»Â·ÓÃÁËÊä³ö¹Ü£¬¹¤×÷Õý³££¬³öÉù£» ![]() ÏÂÃæµÄ²¨ÐÎͼÊäÈëΪ50Å·ÄÚ×èµÄÐźŷ¢ÉúÆ÷£¨DCÊäÈ룩£¬Ì½Í·X1£¬1Vÿ¸ñ£¬ËùÒÔÐźŻù±¾ÉÏÊÇ4VµÄ·å·åÖµ£»ÒôÁ¿¿ØÖÆ»ù±¾ÉÏ´òµ½Âú£¨»¹²»µ½Ò»µã£¬ÒòΪÊäÈë4V·å·å¡¢´òÂúÒôÁ¿Ôò³¬³öÁËÏßÐÔ·¶Î§£¬ÏßÐÔ·¶Î§ºÜ¹ã£¬¿´Êä³öµÄ·ù¶È¼´Öª£©Êä³öΪÊä³ö¹Ü£¨Î´×°Êä³ö¹Ü£©Õ¤¼«µÄÇý¶¯µçѹ£¨DCÊäÈ룩£¬Ì½Í·X10£¬5Vÿ¸ñ£¨ËùÒÔʵ¼ÊÊÇ50Vÿ¸ñ£©£¬×¢Òⳬ³ö0VµÄ²¿·ÖÊÇÕýÏòÇý¶¯µÄ¡£ (ÔðÈα༣ºadmin) |


























