最好的电子音响科技diy制作网站

haoDIY_音响电子电脑科技DIY小制作发明

当前位置: 主页 > 最新DIY >

交作业,高灵敏度中波机

时间:2017-09-19 21:12来源:www.crystalradio.cn 作者:llzqq 点击:
交作业,高灵敏度中波机 ,矿石收音机论坛
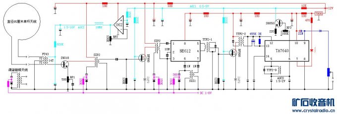
前一段时间比较忙,这几天抓紧赶工把构思的中波收音机制作完成。
电路由两级调谐高放,NE612负责本振和混频,TA7640负责中放,配合两级AGC实现了比较高的接收灵敏度,我在河北石家庄使用图中的单圈天线接收内蒙古,新疆,浙江,台湾,韩日的中波台很清晰(晚上整个频段内充满电台,有时间我再整理收听报告)。这种低阻抗的环形天线抗干扰能力很强,室内使用无可察觉的杂波干扰。

喜欢磁棒天线或多匝框形天线的朋友也可以将单环天线换了,只是这样天线的阻抗比较高,要注意抗干扰问题,我电路中画了个示意图,线圈匝数比10:1即可,配合调谐相信效果也不错。

电路调整比较简单,中放的统调我不再赘述,图中RP1/RP2/RP3均为多圈可变电阻,其中RP1是第一级高放增益调整,根据各地信号强度不同自行调整,我调到距地1/3处。RP2/RP3是AGC电压输出控制,调整到1/2处即可。当TA7640的6脚电压达到2V时说明增益足够高了,超过2V时TA7640就超载了(阻塞)。

图中所有无极电容均选取0.1UF,电解均取33-100UF,变容二极管均为1SV149,FT43材质的磁环的导磁率很高上市场上能买到的有具体型号磁环有FT37-43和FB-43-2401,14匝电感量80UH。

补充内容 (2014-11-5 11:39):
试验了多匝环形天线,果然信号感应强度大很多,为了配合这种高阻天线,电路做了适当改进,见43#。
 

AM_RADIO.jpg (81.68 KB, 下载次数: 87)

 

交作业,高灵敏度中波机
 

P1050345.JPG (175.8 KB, 下载次数: 28)

 

交作业,高灵敏度中波机
 

P1050346.JPG (106.13 KB, 下载次数: 24)

 

交作业,高灵敏度中波机

(责任编辑:admin)
织梦二维码生成器
顶一下
(0)
0%
踩一下
(0)
0%
相关文章
------分隔线----------------------------
发表评论
请自觉遵守互联网相关的政策法规,严禁发布色情、暴力、反动的言论。
评价:
表情:
用户名: 验证码:点击我更换图片
栏目列表
推荐内容