|
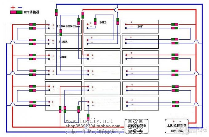
一直对太阳能发电很感兴趣,通过上网以及各种渠道学习,研究可行性,计算相关参数;最后在家人的支持下,终于开工了,先晒晒施工 图 经过了天兔台风的肆掠,体会到台风的威力;跟制作太阳能板支架的师傅强调要用好的材料,可以抵御12级台风的级别才行,所以不锈钢材都是用加厚的需要订货才行。 ![]() 整体图,一共是18块200W的单晶硅太阳能电池板,每个板子可以独立拆卸,方便以后维护。 ![]() 安装之前需要先试好每块板子的螺丝位是否正确,螺丝也是不锈钢的,一劳永逸,不用考虑生锈问题。 ![]() 做好的支架整体图,待会需要四个人才可以抬起来,非常重 ![]() 不锈钢支柱底座,也是不锈钢的,开孔非常困难,一共六条支柱。 ![]() 这个是机柜,一共三层,最上面一层放置逆变主机和太阳能控制器,断路器等开关设备,第二、三层是电池位置,可以放置8个12V 200AH电池 ![]() 12V 200AH太阳能专用深循环电池,非常重,搬到6楼,手都快断了 ![]() ![]() 预留好开孔位,需要考虑仪表,布线,开关按钮,风扇等 ![]() 完工效果图 ![]() ![]() ![]() ![]() ![]() 机柜上有输出交流电压,输出交流电流,蓄电池电压,机柜温度,以及对应的按钮,风扇开关,室外LED光管开关等,还有两个预留开关。 ![]() 18块太阳能电池板分为两组,一组2串4并,另外一组2串5并,分别接60A太阳能控制器;以下这个是自己DIY的汇接箱,可以实时直观的看到目前太阳能发电情况,红色的是电压,蓝色的是电流,红色电压在带负载的情况下可以达到55左右,空载的时候最高可以达到90左右(11月日照)蓝色电流最高的一组可以达到23A左右(10块板子) ![]() ![]() ![]() ![]() 机柜内部情况,黑色的是6000W逆变主机(直流主供型,可以充分利用太阳能发电,蓄电池没有电的情况下会直接切换到市电,待蓄电池充满又自动切换回逆变供电,切换时候不会有任何感觉,无缝切换),蓝色那个是双电源自动切换开关,如果关闭逆变主机则会自动切换到市电,这个切换是有时延的,大概1秒左右,断电有感觉。其它的就是断路器和漏电保护开关。 ![]() ![]() ![]() ![]() 2个60A的太阳能控制器,具有很详尽的实时数据查看功能,可以了解当前电池电量,温度,充电电流,电池电压,发电安时数,用电安时数非常好用。有个8A的开关电源,主要用来提供仪表,机箱风扇,室外LED光管12V直流供电用。几个两相和三相插座是测试用。 ![]() ![]() 每一层都有一个散热风扇,目前温度可以控制在30度以内 ![]() ![]() 双电源切换开关 ![]() ![]() ![]() ![]() ![]() ![]() ![]() ![]() 全景图,中间太阳能电池板之间的接缝考虑到漏水问题,使用了铝箔纤维胶布,可以防晒,防水,而且不容易撕烂,粘性很强。 ![]() ![]() 最下面有水槽,雨天接水可以用来浇菜淋花。 ![]() 整体结构,比较牢固,应该可以抗击台风。 ![]() ![]() ![]() ![]() ![]() ![]() ![]() ![]() ![]() #p#分页标题#e# ![]() ![]() ![]() ![]() 每块板子都使用MC4专用接口相连,维护便易,走线使用铁线槽较为耐用,线槽下有四条防水LED光管,晚上非常亮。 ![]() ![]() ![]() ![]() 让师傅做了一个梯子,方便攀爬维护 ![]() 一段时间后太阳能电池板表面会积聚灰尘,从而使发电效率受到影响,需要定期对板子进行清理。以下是太阳能板子的清理利器(洗车用,带水枪) ![]() ![]() 清洁后的板子焕然一新(最好选择太阳快下山的时候清理,这时候板子已经凉下来,而且已经不在发电状态) ![]() 抛砖引玉的两块小板子,太阳能应急灯用,很方便,用它做过太阳能仰角测试 ![]() ![]() ![]() 太阳能热水器,用了几年了,就是从它开始发现太阳能的好处。 ![]() 这是卫星天线,另外一个爱好 ![]() ![]() 避雷器的安装 直流避雷器,每路电池板接一个(最好安装在保险丝和断路器后面),地线接机柜即可(要求是接最近的钢架结构) ![]() ![]() 交流避雷器(图中黄色热缩管包着的就是地线,还没有找师傅焊好接口,只是简单的靠在钢架上) ![]() ![]() 太阳能直流电表改太阳能电池供电(直流电流表需要至少DC 4V以上电压供电最多28V,所以不能使用48V的太阳能电池供电只能另外搞两块小板子专门供电。使用开关电源供电晚上没有任何电流经过也是浪费,最重要的是两个直流电流表使用一路开关电源供电容易烧毁,必须分两路电流供电才能稳定。) ![]() 太阳能电池板只有巴掌大小 ,很可爱(外形尺寸:130×190×15MM 输出电压/电流:9V、260MA 功率:2W-2.3W) ![]() 专门做了一个不锈钢支架支撑两块小板,DIY夹具固定在扶手上 ![]() ![]() ![]() 安装无线视频监控摄像头以及网络摄像头,实现电视、手持2.4G无线视频接收设备以及电脑、手机远程实时监控太阳能发电情况。 2.4G无线影音传输设备,可以连接电视收看。 ![]() 手持2.4G无线影音接收设备,无需开电视,快捷方便。 ![]() 海康威视C2网络摄像头,支持WIFI,可以实现在电脑手机远程查看。 ![]() 用铝合金材料DIY的摄像头支架 ![]() ![]() 摄像头支架直接固定在机柜上,需要打开柜子的时候可以将支架向后拨。 ![]() ![]() ![]() ![]() 可以在电脑上远程查看发电情况,也可以安装专用软件在手机上看,无需购买网络域名,配置很简单。 ![]() 更换PC级双电源自动切换开关和安装远程遥控断路器 二级遥控断路器(带配电箱)考虑到系统整合和美观最后决定只使用内里配件安装 ![]() 白色的两个是3000米超远距离双键遥控器,实际测试一楼遥控六楼不锈钢机柜内断路器无压力 ![]() PC级双电源自动切换开关,切换时间小于80MS,不会造成日常电器断电(实测LED灯会闪一下,但是电视、洗衣机、冰箱等日常家用电器不会断电)。 ![]() 将PC级ATS开关和遥控断路器固定在电工木板(酚醛层压纸板)上然后再固定在配电机柜内,用束线整理好电线完工图。 ![]() ![]() ![]() 可以根据用电情况在太阳能和市电间自由随意切换。 ![]() 超远距离断路器遥控开关 ![]() 机柜内设备安装暂告一段落,继续学习研究#p#分页标题#e# ![]() 安装温感降温风扇,导轨电表,以及从目前的3600W扩容至6000W太阳能发电系统 12V温控开关,目前设置25摄氏度启动 ![]() 导轨电压表、电流表,以及电度表 ![]() 降温风扇,热天很有用 ![]() 双温控风扇对逆变主机降温 ![]() ![]() 目前是18块200W单晶硅太阳能电池板,装机容量是3600W,扩容到30块6000W系统(三组输入,分别是2串4并、2串5并和2串6并,均使用60A太阳能控制器接入) ![]() ![]() ![]() ![]() ![]() ![]() ![]() ![]() ![]() ![]() ![]() ![]() ![]() ![]() ![]() ![]() ![]() DIY铅蓄电池监测器。使用多个电池串联使用难免遇到一致性问题,为了延长铅蓄电池寿命,选用的100V直流电压表带上下限闪烁加声音告警,不仅可以实时直观检测各个电池电压情况,也可以及时对达到临界电压的电池使用做告警提示,每个电压表对应电池放置位置。 ![]() ![]() ![]() ![]() 电池使用一段时间后最好用脉冲充电器进行修复维护,以延长电池寿命(为更换磷酸铁锂电池做准备) ![]() 全套设备(通过网络继电器、DIY的Arduino机械开关模仿手指动作遥控操作白色开关遥控器) ![]() ![]() ![]() ![]() 主机械机构图,使用舵机驱动 ![]() 先在面包板上测试验证程序接线 ![]() 以下为视频演示,太平洋不允许外链,因此只放上视频截图 用电脑远程控制Arduino开关演示视频 ![]() 用手机远程控制Arduino开关视频 ![]() 安装效果图 ![]() ![]() ![]() 逆变主机版Arduino远程控制开关 ![]() ![]() ![]() ![]() ![]() 考虑到开关微型化使用了Digispark kickstarter 微型 Arduino 开发板ATTINY85 ![]() 被操作的逆变主机上的三档船型开关(只需要用到正常开机I档和关机档) ![]() 可以在电脑或者手机上实现远程开启光伏逆变主机,切换市电和光伏电,远控软件可以设置定时开启关闭,实现无人值守。 ![]() #p#分页标题#e#DIY网络电表(通过网络传输电压,温度,湿度等数据,也可以直接通过手机或者电脑查看WEB页面) 服务端主机 ![]() ![]() ![]() 客户端主机(可以放置在客厅,办公室或者任何有互联网接入的地方,就可以实时查看当前太阳能使用情况,可以声光报警,不需要打开视频监控查看) ![]() 通过Arduino可以方便的采集传感器数据通过网络传输,然后通过路由器动态域名的配置,在各类终端上都可以方便查看当前太阳能发电情况。 ![]() 更换磷酸铁锂电池组 选择的是深圳市杰斯锐尔科技有限公司生产的48V 240Ah磷酸铁锂电池。这个电池理论上可以存放12.3度电,无电池记忆效应,可以使用到0%,持续放电电流200A,瞬间300A,寿命长(设计理论寿命8年)。 电池组的整体外观 ![]() 电池型号铭牌,强悍到恐怖的电池组参数。 ![]() 电池外壳可以定制尺寸,刚好塞入电池机柜。使用的是16Ah大单体电池(16串2并),定制保护板,附带库仑计(汽车用BMS管理系统,可以直观看到剩余电量,电压,电池温度,电流等信息)。 ![]() 库仑计使用RS232接口与电池相连(电池端使用航空接头,八线网线只使用其中四线)。 ![]() 电池接口,安装简便,除了正负极就是库仑计航空接口,可以直接替换一般铅蓄电池,还有一个电源开关可以控制电流关断,非常实用。 ![]() 非常好用的库仑计,特别适合光伏发电储能使用场景,可以直观的看到各种信息,电流信息也是非常实用,正电流为当前损耗大于充电电流,负电流表示充电电流大于使用损耗可以理解为电池在充电,零表示电流没有使用或使用和充电相互抵消。 ![]() 不错的智能无线电流、电压、电量、功率双向电表 ![]() 离网光伏系统到目前为止算是告一段落(从设计,收集,储能再到逆变,电源切换,数据远程传输,远程控制),希望能给大家一点经验分享,继续我的学习研究。See you! ![]() 风冷更换半导体制冷模块对光伏逆变主机散热 针对半导体制冷产生的冷凝水问题,DIY的冷凝水槽(铝质散热片内塞满高吸水性海绵) ![]() ![]() 做好的冷凝水收集槽 ![]() 完工图(半导体制冷效果很不错,制冷快,噪声低) ![]() 使用小K智能开关为半导体空调的制冷设置开启关闭计划 ![]() ![]() 附设计图纸以及部分资料(注意广州的太阳能电池最佳角度为16.13度,惠州纬度差不多,我最后定为18.81度) 最佳倾斜角一般和当地的纬度有关,根据具体的情况其增减有所不同,以下可做参考: 城市 纬度θ(°) 最佳倾角(°) 哈尔滨 45.68 θ+3 长春 43.9 θ+1 沈阳 41.77 θ+1 北京 39.8 θ+4 天津 39.1 θ+5 南京 32.0 θ+5 太原 37.78 θ+5 郑州 34.72 θ+7 西宁 36.75 θ+1 兰州 36.05 θ+8 银川 38.48 θ+2 西安 34.3 θ+14 上海 31.17 θ+3 长沙 28.2 θ+6 广州 23.13 θ-7 海口 20.03 θ+12 南宁 22.82 θ+5 成都 30.67 θ+2 贵阳 26.58 θ+8 昆明 25.02 θ-8 拉萨 29.7 θ-8 合肥 31.85 θ+9 杭州 30.23 θ+3 南昌 28.67 θ+2 福州 26.08 θ+4 济南 36.68 θ+6 一般情况也有直接取其纬度,或直接加5,加10 ![]() ![]() ![]() ![]() ![]() ![]() ![]() 最后总结,一共使用18块200W单晶硅太阳电池板3600W系统,4个12V200AH电池串联成48V,逆变器是48V 6000W的,可以支撑3台2匹空调同时使用,两层楼所有生活用电、以及网络、监控、自动水泵、楼道灯都使用此逆变器供电,可以满足日常生活需要。需要注意的是逆变器可以调节充电电流如果不想使用市电供电可以将此电流调节为零,那么就可以更加充分利用太阳能发电。4个电池可以满足一整晚用电,到第二天7、8点太阳升起又继续使用太阳能供电,蓄电。不用自己花一分钱电费。4个电池还是少了点,考虑到放电过快(两组电池与一组相比电压稳定许多)和对大功率电器的支撑,现在已经增加到8个电池一共是200 * 8 = 1600AH(因为逆变器有电池的保护机制,最多可以使用70%,折算起来大概可以使用到11.2度电),这样可以在没有阳光的情况下使用1天左右(各个家庭用电情况不同,可以根据自己家庭用电情况增减)。现在用了几天4个电池的话最多发电一天是11度多,因为没有更多电池充电,也用不了这么多电(8个电池还在测试中)。整套太阳能发电系统花去近5万元,其中不锈钢支架和机柜布线就花去了16000,还有就是电池太贵。自己做了很多前期学习研究才下手,总的来说还是对太阳能很满意,希望以后电池技术能有突破,可以存电更多,更耐用。相信以后太阳能一定会更加普及。 (责任编辑:admin) |













































































































































#p#分页标题#e#

























![[原创]LM338K可调电源DIY](/uploads/allimg/170727/1_0HGA2592922.jpg)












