|
前阵子买了个电子湿温度计,使用1节7号电池,加上家里使用天然气后,使用的燃气灶用的是1节1号电池,就翻了一下吃灰的备件,发现了这两个物件,iCharge车充和不知名的LED头灯电路板散件,就利用上了。iCharge车充采用美国泰德Techcode的TD1410降压芯片,效率高、结构简单,改装方便,遗憾的是,静态电流mA级的,有些大;电子产品长期不断电使用的话,适宜使用外供电源,不适宜使用电池供电。不知名的LED头灯电路板,采用的降压芯片,丝印A127查不到资料,但使用的电路和QX3406使用的差不多,测试了一下,基本通用。这个降压芯片,效率也挺高、结构简单,改装方便,静态电流uA级的,可以使用电池供电长期不断电使用。所以车充改成的1.5V电源模块,外接5V电源,给电子湿温度计使用。不知名的LED头灯电路板改成的1.5V电源模块,使用锂电池供电,做成1号电池代用品给燃气灶使用。 车充篇 一、拆机
iCharge车充,5.5V—20V宽电压输入,5V输出,最大输出电流2A,USB输出。
螺丝加卡扣固定,比较好拆。
电路板结构很简单,很MiNi。
当初看好这款车充主要是可以很方便的调整输出电压(可调节R3(1002/10K)、R4(3001/3K)阻值,来改变输出电压),想用来做降压模块。
电源控制芯片采用美国泰德Techcode的TD1410降压芯片,TD1410可以实现从DC3.6V—20V降压到1.235—18V,最大输出电流2A;通过改变R1,R2的阻值,就可以改成自已需要的电压;具有过流,限压,短路三重保护,输出汶波小于100mV,转换效率最高95%。
TD1410应用电路图
输出电压与R1、R2对应关系
特性曲线
静态电流 二、改装
通过计算,在R3上并接一个820Ω电阻,输出电压1.57V。实测在R3(原1002)上并820Ω电阻,输入使用诺基亚AC-8C 5V600mA电源,空载输出1.52V,静态电流3.9mA;带载输出电流0.72A(这是手头最大负载测试条件),电压1.40V,基本不是很热;输入使用DVE 12V1.25A电源,空载输出1.53V,带载输出电流0.72A,电压1.41V。 注: 焊贴片有个小窍门,那就是留长大拇指指甲,把要焊接的贴片对好位置,用大拇指指甲压住,贴片焊位加点助焊剂,然后用沾锡的烙铁一点就可以了。
因为改为1.5V输出,所以指示灯在这里用不到了,就去掉了。在这里有些坛友或许会担心输入高电压击穿问题,个人觉得在输入电压稳定的情况下,这种情况概率比较小,可以将指示灯换成红色的LED(工作电压:1.7—2.4V),可根据红色指示灯的亮度,来判定是否击穿(输出正常是不会亮的);我做了根检测线,在使用前可简单测试一下(不放心,也可以使用表测试一下)。
红色指示灯检测线,可先接外接电源(5V),看看指示灯是否正常(正常是亮的),再测试出电压是否正常(正常是不亮的)。
限流电阻可根据具体输入电压来定,这里选的是820Ω的,3—12V都可以(电压再大一些也可以)。
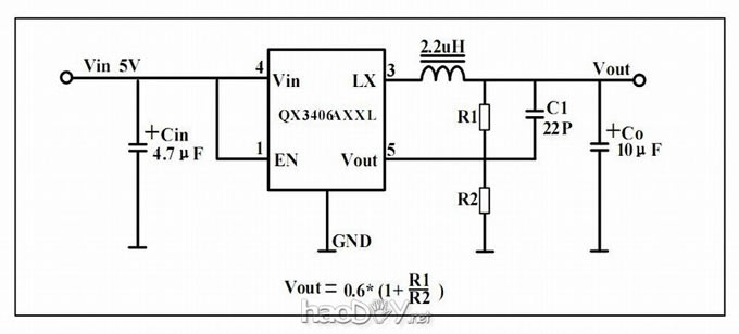
输入使用的5.5-2.1mm母口DC接头,输出使用的XH2.54-2P接插件;之所以这样连接,是因为不想集成到电器内部;接电器端的线不想太长,以免损耗过大;5.5-2.1mm接口的电源比较常见,另外5.5-2.1mm接口的线可以根据具体长度定制,手头有这些材料。 ![]() go on 三、应用 ![]() 找了个LED灯的电源外壳,也可以使用别的外壳,根据自己需要来定,板子比较小,也可以集成到电器内部 ![]() 装进去大小刚好 ![]() 检查测试无误后安装好 ![]() 贴上个标签 ![]() 用来连接的5.5-2.1mm接口USB线 ![]() 辅助接线的单股铜芯线,接电池座的那端,弯成90度,便于插接 ![]() 全部连接完毕 ![]() 使用电源供电 ![]() 使用移动电源供电 五、扩展应用 当初看好这款车充,就是因为体积小,效率高、结构简单,改装方便,用来做降压模块使用。除了改1.5V电源模块,也可以改3V的(2节1.5V电池);5V的电源模块,用来DIY降压型移动电源输出部分;9V的电源模块,用来万用表供电。具体的可以根据自身需求来定。遗憾的是,这个降压模块,静态电流有些大,mA级的,实测1.52V输出,静态电流3.9mA,长期不断电使用,建议使用外供电源;如果使用电池供电,建议加一输入通断开关,不使用时,随时断开。 LED头灯电路板篇 一、拆机 ![]() 不知名的LED头灯电路板散件,分控制电路板、开关充电板,LED灯板三部分。做工不错,带3.5-1.1mm充电口,4.2V直充;带三段开关(关、最亮、中亮);用的4金线1W的LED灯珠。 ![]() ![]() 控制电路板,降压芯片丝印A127查不到资料,但使用的电路和QX3406使用的差不多,测试了一下,基本通用。QX3406一款高效率、工作频率高、噪声低的同步降压型DC/DC稳压芯片;工作电流仅20μA,关断时低至1μA;输入电压范围:2.5V到5.5V,输出电压可在0.6V至5.5V的范围内进行调节;很适用于单个锂电池电源的应用。 ![]() ![]() ![]() ![]() 开关充电板的ABCD接线顺序和控制电路板上的是一一对应的。 ![]() 控制电路板正面。带有锂电池保护电路(DW01+8205S)和降压电路(A127),通过调整R3(30C/20K)、R4(472/4.7K)的阻值,可以改变输出电压大小。 简单看了一下,电路大体的工作原理,可通过左端ABCD接线来说明一下。 A接控制电路板的锂电池保护电路输出正极;再通过排线接开关充电板充电口正极和开关的A端。 B接控制电路板的降压电路后,通过限流电阻R5(1R8)再接锂电池保护电路输出正极;通过排线接开关充电板开关的B端。开关充电板的开关分三段,关、最亮、中亮,默认是关。此时,接好锂电池,通过开关A、B导通,实测控制电路板LED端默认输出3.12V(最亮,我们要利用就是这个);此电路板带有一定保护功能,就是接电池时,开关一定要是断开的,否则无输出。 C接控制电路板的限流电阻R6(680)后接锂电池保护电路输出正极;再通过排线接开关充电板开关的C端;通过开关A、C导通,控制电路板给LED端供电(中亮)。 D接控制电路板的锂电池保护电路输出负极,通过排线接开关充电板充电口负极。
控制电路板背面。有板号、日期和接锂电池的镍片。看样子镍片是用来接18650锂电池的。 二、改装 ![]() QX3406应用电路图 ![]() 特性曲线 ![]() 既然明白了工作原理,就根据需要开始改装接线,先短接限流电阻R5(1R8),这样输出电流不受限了,想要恢复可以去掉短接线即可。然后根据计算公式Vo=0.6x(1+R1/R2),算出在R3(30C/20K)并接12K电阻,输出1.56V(实测输入接4V锂电池,静态电流关闭状态3.9uA,输出状态18.35uA;空载输出电压1.54V;带载输出300mA,电压1.52V;带载输出380mA(这是手头最大负载测试条件),电压1.51V)。手头没有这么小的贴片电阻,找了个0805的,效果一样。A、B、D引出线,A、D接DC充电口,A、B接一开关。LED+、LED-也根据实际情况接出引线。 (责任编辑:admin) |





















































